В статье предложен активный высокоомный выносной щуп с входным сопротивлением около 80 кОм для осциллографов с низкоомным входом.
Сегодня у радиолюбителей ещё остаётся парк высокочастотных осциллографов, выпущенных не одно десятилетие назад. Обычно у этих осциллографов, например С1-75, входное сопротивление 50 Ом. Многие современные осциллографы имеют такое же входное сопротивление. Проведение измерений с подобными приборами не всегда удобно из-за их низкого входного сопротивления, поскольку оно может сильно шунтировать цепи, в которых проводятся измерения. Обычно в комплект таких осциллографов входят резистивные щупы-делители напряжения, ослабляющие сигнал в десять или в сто раз. Они имеют входное сопротивление 500 Ом или 5 кОм соответственно. Однако при их использовании практически невозможно наблюдать сигналы амплитудой несколько милливольт.
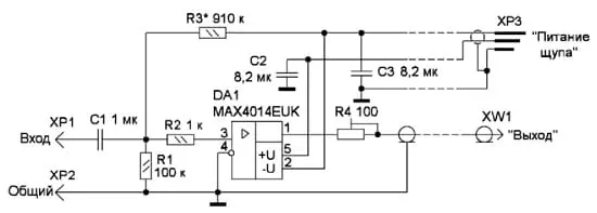
Предлагаемый активный щуп предназначен для наблюдения сигналов переменного напряжения с размахом до 4 В. Для сигналов с большим размахом подойдут резистивные щупы, о которых было сказано выше. Основой устройства является специализированная микросхема MAX4014 - быстродействующий буферный усилитель со структурой Rail-to-Rail по выходу. Коэффициент передачи этой микросхемы - 2, верхняя граничная частота полосы пропускания (в режиме малого сигнала по уровню - 3 дБ) - 200 МГц, скорость нарастания выходного напряжения - 600 В/мкс, входная ёмкость - 1 пФ, входное сопротивление - 3 МОм, выходное сопротивление - 25 мОм, максимальный выходной ток - ±120 мА, ток замыкания выхода - ±150 мА. Кроме того, микросхема имеет низкий уровень гармонических искажений и встроенную защиту. Между её входами установлены две встречно-параллельно включённые цепи, содержащие каждая по пять последовательно соединённых диодов, которые и ограничивают максимальное входное напряжение.
Схема щупа показана на рис. 1. Схема включения микросхемы - стандартная. Для повышения входного сопротивления щупа сопротивление резистора R1 выбрано сравнительно большим. Из-за того, что входной ток микросхемы около 5 мкА, на этом резисторе падает напряжение до 0,5 В, что смещает рабочую точку усилителя и уменьшает максимальную амплитуду переменного напряжения. Для компенсации этого напряжения через резистор R3 на вход поступает напряжение с минусовой линии питания.

Рис. 1. Схема щупа
На входе щупа установлен конденсатор С1 ёмкостью 1 мкФ, что определяет нижнюю граничную частоту полосы пропускания - несколько герц. Этого вполне достаточно, поскольку измерять постоянное напряжение с помощью предлагаемого щупа в большинстве случаев не имеет смысла. Резистор R2 ограничивает входной ток микросхемы при её перегрузке по входу. Подстроечным резистором R4 согласуют выход микросхемы с 50-омным кабелем и устанавливают единичный коэффициент передачи щупа. Конденсаторы С2 и С3 - блокировочные по питанию. Максимальный потребляемый ток зависит от напряжения входного сигнала.
Входное сопротивление щупа - около 80 кОм, входная ёмкость - около 3 пФ, коэффициент передачи - 1, верхняя частота полосы пропускания - около 150 МГц.
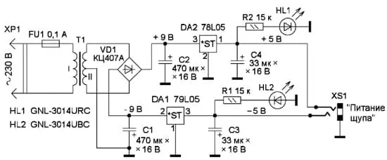
Питают щуп двухполярным напряжением 2x5 В от сетевого стабилизированного блока питания. Его схема показана на рис. 2. Он собран наосно-ве трансформаторного блока питания (адаптера) Citizen 200ADX2. В этом блоке питания применён трансформатор, у которого вторичная обмотка имеет отвод от середины, что позволило упростить изготовление двухполярного источника. Для этого применён диодный мостVD1, конденсаторы С1 и С2 сглаживают пульсации выпрямленного напряжения, выходное напряжение стабилизировано интегральными стабилизаторами DA1 и DA2. Светодиоды HL1 и HL2 разного свечения индицируют наличие выходного напряжения. Для подключения кабеля питания щупа использовано стереогнездо 3,5 мм.

Рис. 2. Схема стабилизированного блока питания
Плата щупа изготовлена из фольгированного с двух сторон стеклотекстолита. Её чертёж показан на рис. 3. Она адаптирована для размещения в пластмассовом корпусе от фломастера внешним диаметром 8,5 мм и длиной 10...12 см. Минимальная длина платы - 80...90 мм, а максимальная зависит от длины корпуса. В зависимости от конфигурации внутреннего объёма корпуса углы левой стороны платы, возможно, придётся обточить "по месту". С правой стороны платы сделан выступ, который вставляют в паз, сделанный в пластмассовой заглушке фломастера.

Рис. 3. Чертёж платы щупа
На одной стороне платы установлены все элементы, кроме подстроечного резистора R4, на другой - этот резистор. Через несколько отверстий фольгированные площадки противоположных сторон платы соединяют отрезками лужёного провода.
В щупе применены постоянные резисторы для поверхностного монтажа типоразмера 0805 или 0603, подстроечный - серии 3303W фирмы Bourns, конденсаторы - керамические типоразмера 1206. Аналогом микросхемы MAX4014 является буферный усилитель AD8079, но он сдвоенный и у него корпус SO-8, поэтому его применение потребует корректировки топологии печатной платы.
В блоке питания применены импортные оксидные конденсаторы, светодиоды - сверхъяркие любого свечения (по желанию), желательно с диаметром корпуса 3 мм, резисторы - Р1-4, С2-23, МЛТ. Диодный мост можно применить любой маломощный с допустимым обратным напряжением не менее 50 В и током не менее 200 мА. Трансформатор - малогабаритный мощностью не менее 2...3 Вт и напряжением на вторичной полуобмотке 7...10 В. Если трансформатор имеет вторичную обмотку без отвода, следует изменить схему выпрямителя, применив два однополупериодных выпрямителя. Взамен предлагаемого блока питания можно применить лабораторный двухполярный блок, заменив вилку XP3 соответствующими разъёмами.
Сигнальный ВЧ-кабель - РК50-1-21, РК50-1-22 с фторопластовой изоляцией внешним диаметром 1,7 мм и многожильным центральным проводником. Один конец кабеля припаивают к плате щупа: экран и центральный проводник - к соответствующим контактным площадкам (рис. 4). Как отмечено ранее, выступ на правой стороне платы вставляют в паз, аккуратно вырезанный в заглушке. Над пазом сверлят отверстие для пропуска ВЧ-кабеля. Диаметр отверстия делают таким, чтобы кабель проходил в него с небольшим усилием. На другом конце ВЧ-кабеля монтируют соответствующий ВЧ-разъём.

Рис. 4. Сигнальный ВЧ-кабель с фторопластовой изоляцией
Для подачи питания применён двухпроводный экранированный провод МГТФЭ 2x0,07 или МГТФЭ 2x0,12, который помещён в ПВХ-трубку подходящего диаметра. С одной стороны провода и экран припаяны к контактам печатной платы, на второй стороне смонтирована вилка ХР3 - стереоштекер диаметром 3,5 мм. Впрочем, можно применить любой другой малогабаритный трёхконтактный разъём (вилку и соответствующее ей гнездо). Экранированный провод также пропускают через отверстие в пластмассовой заглушке. После проверки и налаживания ВЧ-кабель и экранированный провод закрепляют в заглушке термоклеем.
Вилка ХР1 - швейная игла, которую после облуживания (например, с помощью таблетки аспирина) припаивают к контактной площадке. Для подключения разъёма XP2 (зажим "крокодил" или просто штырь) в левой части корпуса выводят два медных лужёных провода диаметром 0,5...0,7 мм. Делают это в следующей последовательности. Сначала в левой стороне корпуса (где штырь ХР1) сверлят два отверстия на диаметрально противоположных сторонах, в которые вставляют два отрезка лужёного провода длиной в 1,5...2 раза длиннее корпуса и выводят их из корпуса. Концы проводов вставляют в отверстия в плате (с левой стороны), загибают и припаивают к печатным проводникам. Штырь ХР1 должен быть уже припаян. Затем, потянув за отрезки проводов, вставляют плату в корпус. Провода наматывают на выступ в корпусе и быстро пропаивают, чтобы корпус не успел расплавиться. Так получается контакт, к которому можно припаять "крокодил" или штырь. Разумеется, что плату устанавливают в корпус после налаживания и проверки.
Если планируется применить корпус, у которого внутренний диаметр более 7 мм, необходимо просто увеличить ширину платы до соответствующего размера, не изменяя её топологии. Для уменьшения входной ёмкости следует уменьшить размеры контактных площадок входных цепей. Если требуется контролировать ещё и постоянную составляющую входного сигнала, конденсатор С1 в щупе можно замкнуть, но тогда будет крайне неудобно, а иногда и невозможно наблюдать малые сигналы переменного напряжения на фоне большого постоянного напряжения.
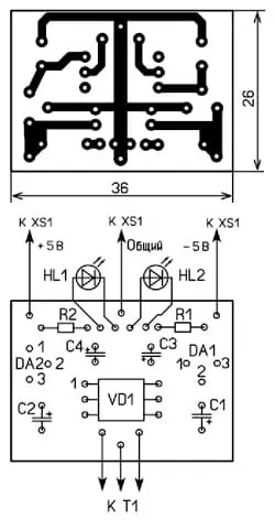
Большинство элементов блока питания установлены на печатной плате из фольгированного с одной стороны стеклотекстолита, чертёж которой показан на рис. 5. Внешний вид смонтированной платы показан на рис. 6. Она размещена в корпусе блока питания, гнездо XS1 закреплено термоклеем в отверстии для выходного кабеля. Для светодиодов в корпусе блока питания сделаны отверстия, выводы светодиодов не укорачивают и надевают на них изоляционные ПВХ-трубки.

Рис. 5. Плата блока питания и элементы на ней

Рис. 6. Внешний вид смонтированной платы
Налаживание сводится, во-первых, к подборке резистора R3 для получения нулевого выходного постоянного напряжения при отсутствии входного, во-вторых, к установке резистором R4 общего единичного коэффициента передачи щупа. Сделать это можно с помощью осциллографа. Сначала с генератора на осциллограф подают сигнал частотой несколько десятков килогерц и размахом 2 В. Затем этот сигнал подают на нагрузку сопротивлением 50 Ом, подключают к ней вход щупа, а его выход - к входу осциллографа. Резистором R4 устанавливают на экране осциллографа такой же сигнал, как в первом случае. Внешний вид устройства в комплекте показан на рис. 7.

Рис. 7. Внешний вид устройства в комплекте
Чертежи печатных плат в формате Sprint-Layout имеются здесь.
Автор: И. Нечаев, г. Москва