Эта антенна - окончательный вариант одной из моих первых "дельт" для диапазона 40 метров, претерпевшей несколько доработок. Схематически она изображена на рис. 1. Рамка антенны, представляющая собой равносторонний треугольник, установлена на диэлектрической мачте высотой 15,5 м. Её нижняя сторона находится на высоте 2,5 м от поверхности земли, "противовес" проложен вдоль мачты вверх от нижней стороны рамки. Лучше было бы повернуть его вниз, но пришлось бы делать более высокую мачту. Были испытаны по два-четыре противовеса, растянутых в стороны и даже намотанных на половины нижней стороны рамки, но эти варианты были признаны неудачными.
Первоначально рамка и противовес были сделаны из изолированного многожильного медного провода ПВ-3 сечением по меди 2,5 мм2. Но он прослужил всего около двух лет и был заменён полевым телефонным кабелем П274, который служит без замены уже десять лет. Разницы в работе антенн из разного провода замечено не было.

Рис. 1. Схема антенны
При горизонтальной поляризации антенну питают в середину нижней стороны (точки А и C) коаксиальным кабелем с волновым сопротивлением 50 Ом. Получается обычная всем известная "дельта" с горизонтальной поляризацией. При указанных размерах её входное сопротивление - 50 Ом.
Чтобы получить вертикальную поляризацию, точки А и С соединяют, превращая "дельту" в объёмный полуволновый вертикал с "противовесом". При этом её входное сопротивление воз-растаетдо 1000...1500 Ом.
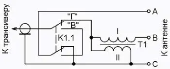
Для согласования антенны с кабелем в этом режиме служат "противовес" (он компенсирует реактивную составляющую) и трансформатор 1250/50 Ом. У меня он намотан наферритовом кольце от отклоняющей системы старого телевизора УНТ Обмотки I и II - соответственно 3 и 12 витков провода ПЭЛ диаметром 0,8 мм. Поляризацию изменяют, как показано на рис. 2, с помощью реле, имеющего две группы контактов на переключение. Реле РЭС9 успешно работает с трансивером мощностью 100 Вт.

Рис. 2. Схема изменения поляризации
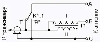
Выяснилось, что при горизонтальной поляризации "противовес" на работу антенны почти не влияет. Поэтому его можно не отключать. Это позволяет использовать реле с одной группой контактов. Такой вариант управления поляризацией показан на рис. 3. Управляющее напряжение можно подавать на обмотку реле по фидеру согласно схеме на рис. 4. Только не забудьте установить в трансивере развязку цепей высокой частоты и питания катушки реле.

Рис. 3. Схема изменения поляризации

Рис. 4. Схема подачи управляющего напряжения
Приступая к настройке антенны, включите горизонтальную поляризацию. Затем, изменяя размеры рамки, настройте её на середину диапазона. При этом изменением высоты рамки добивайтесь активной составляющей её входного сопротивления R, равной 50 Ом. Длиной нижней стороны постарайтесь свести к нулю реактивную составляющую X.
После компенсации X снова проверьте и при необходимости подгоните R. Возможно, эти операции придётся повторять неоднократно. Чтобы не опускать каждый раз антенну, можно для изменения R передвигать изоляторы нижних углов рамки вдоль её полотна, а для изменения X изменять длину её нижней стороны. Переключившись на вертикальную поляризацию, что увеличит R до 1250 Ом, устранитеX длиной "противовеса".
При изготовлении и настройке старайтесь не нарушать симметрию антенны. От неё зависит подавление излучения с горизонтальной поляризацией в режиме вертикальной поляризации, а также зенитного излучения. Это важно для уменьшения помех от близко расположенных станций.
Файлы моделей этой антенны для программы MMANA имеются здесь.
Автор: Геннадий Ундышев (RN3KV), c. Терновка Воронежской обл.