В статье этого же автора "Кабельный пробник на микроконтроллерах AVR" описан вариант кабельного пробника на микроконтроллерах ATmega8A-PU в передатчике и ATtiny24A-PU в приёмнике. В этой статье автор предлагает вниманию читателей более простой вариант этого прибора, предназначенный для выполнения сравнительно небольшого объёма работ по изготовлению и ремонту кабелей. Пробник имеет практически те же возможности, но выполнен на двух одинаковых и более распространённых микроконтроллерах ATtiny2313A-PU. Предусмотрен автоматический перевод микроконтроллеров в "спящий" режим с пониженным до предела энергопотреблением, что позволило не отключать батареи питания по завершении работы.
С помощью этого прибора легко находить в многопроводных кабелях нужные провода и проверять их исправность. Для этого на одном конце кабеля к ним подключают выходы передатчика с пронумерованными зажимами "крокодил". Общие выводы передатчика и приёмника (также снабжённые "крокодилами") соединяют вместе, причём использовать для этого можно как один из проводов кабеля, так и отдельный провод. На противоположном конце кабеля поочерёдно касаются его проводов щупом приёмника. При каждом таком касании, если провод исправен, на индикаторе приёмника появляется его номер, соответствующий номеру подключенного к его началу выхода передатчика.
В отличие от первого варианта, из приемника исключен контроль напряжения батареи при включении. Убраны выключатели питания, теперь напряжение батарей подано на приёмник и передатчик непрерывно. Большую часть времени микроконтроллер передатчика находится в режиме Powerdown с минимальным потреблением. Активизируют его и вновь "усыпляют" нажатиями на кнопку.
Микроконтроллер приёмника переходит в активный режим автоматически с появлением на входе импульсов передатчика, а переходит в режим Powerdown после длительного отсутствия этих импульсов. Ток потребления, как передатчика, так и приёмника в этом режиме не превышает 2 мкА. Число проверяемых проводов кабеля уменьшено с 22 до 15. За счёт этого схема передатчика упрощена.
В режим Powerdown приёмник и передатчик переходят автоматически по истечении заданного времени бездействия. Передатчик - через 40 мин с момента включения. Приёмник - через четыре минуты с момента включения или окончания последней операции "прозвонки".
Приёмник автоматически активизируется без нажатия на кнопку, если на его вход поданы импульсы от передатчика. Всё это обеспечивает экономию энергии батарей и повышает удобство пользования. Не приходится, например, специально идти к передатчику, чтобы выключить его по завершении "прозвонки".
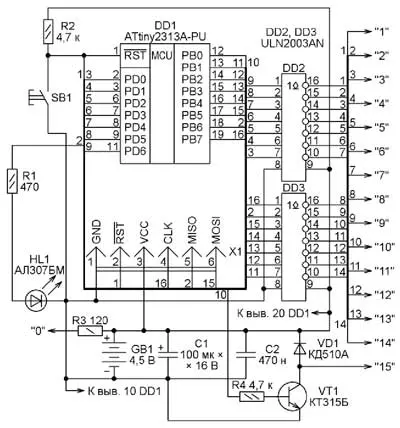
Схема передатчика представлена на рис. 1. Его основа - микроконтроллер DD1. Для подключения проводов проверяемого кабеля использованы все линии его портов, которые могут работать как выходы. Это восемь линий порта B и семь линий порта D - всего 15.

Рис. 1. Схема передатчика
Для усиления контрольных импульсов применены микросхемы ULN2003AN (DD2, DD3), содержащие по семь транзисторных ключей. Недостающий 15-й ключ выполнен на транзисторе VT1, диоде VD1 и резисторе R4.
На указанных выводах микроконтроллер DD1 формирует пачки импульсов, число импульсов в которых соответствует номеру проверяемого проводника. В цепи начальной установки микроконтроллера имеется кнопка SB1. При нажатии на неё микроконтроллер DD1 переходит в исходное состояние. Начавшая работать программа проверяет, прежде всего, разряд состояния r5.0. Если в нём записана логическая единица, программа заменяет её логическим нулём и продолжает свою работу. При повторном нажатии на кнопку перезапущенная программа обнаруживает, что в разряде статуса записан логический ноль, инвертирует его, а затем переводит микроконтроллер в энергосберегающий режим Powerdown.
Резистор R3 ограничивает ток через проверяемые провода и, следовательно, через ключи микросхем DD2, DD3 и транзистор VT1. Мигание светодиода HL1 сообщает об активной работе передатчика. Погашенный светодиод означает, что передатчик переведён в режим Powerdown. Разъём X1 служит для подключения программатора.
Программа для передатчика написана в среде Algorithm Builder 5.44. Отказ от компилятора BASCOM-AVR 2.0.7, использовавшегося для разработки программы передатчика первой версии прибора, связан с тем, что при начале работы микроконтроллера этот компилятор принудительно заполняет всё его ОЗУ нулями, поэтому невозможно сохранить там информацию, занесённую в предыдущем сеансе работы. Использовать для этого EEPROM микроконтроллера было сочтено нецелесообразным.
Чертёж печатной платы передатчика представлен на рис. 2.

Рис. 2. Чертёж печатной платы передатчика
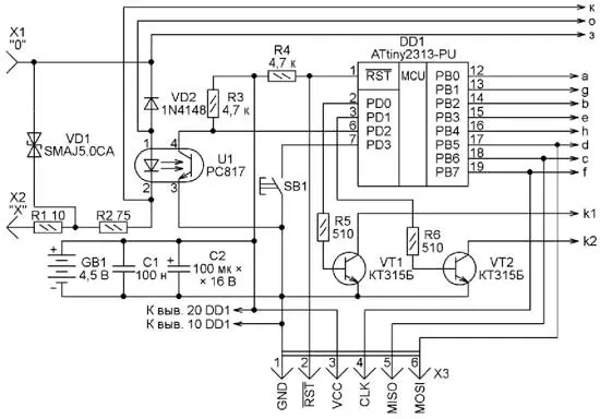
Схема микроконтроллерной части приёмника изображена на рис. 3, а индикаторной - на рис. 4. Их одноимённые выводы a-h, k1, k2, з, к, о должны быть соединены проводами. Импульсы от передатчика приходят на щуп "Х" и на провод "0" с зажимом "крокодил", а затем через оптрон U1 на вход PD2 (вывод 6) микроконтроллера. Супрессор VD1 и резистор R1 защищают вход приёмника от случайной подачи высокого напряжения.

Рис. 3. Схема микроконтроллерной части приёмника

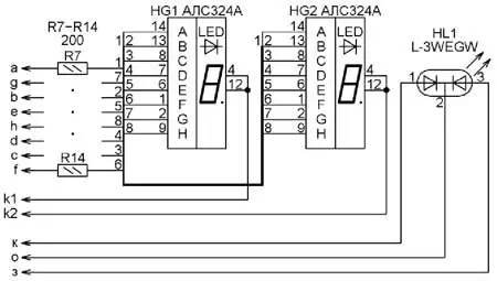
Рис. 4. Схема индикаторной части приёмника
Двухцветный светодиод HL1 сигнализирует о наличии на входе приёмника импульсов передатчика. Зелёный цвет его свечения указывает на правильное соединение приёмника с передатчиком, при красном цвете нужно поменять местами зажим X1 и щуп X2 Информация о номере провода отображается на семиэлементных светодиодных с общими катодами индикаторах HG1 и HG2. Транзисторы VT1 и VT2 переключают катоды индикаторов, обеспечивая динамическую индикацию.
Нажатием на кнопку SB1 микроконтроллер приёмника принудительно переводят из активного режима в энергосберегающий и обратно. Разъём X3 служит для подключения программатора.

Рис. 5. Чертёж печатной платы приёмника

Рис. 6. Чертёж печатной платы приёмника
Приёмник собран на двух печатных платах, чертежи которых изображены на рис. 5 и рис. 6. Их содержимое соответствует схемам, показанным на рис. 3 и рис. 4. Платы установлены (рис. 7) в готовом корпусе G407, для крепления в них предусмотрены отверстия под саморезы диаметром 2,5...3 мм. Держатель батареи GB1, составленной из трёх гальванических элементов типоразмера AA, приклеен к корпусу термоклеем. Чтобы сделать это, на одной из половин корпуса срезаны два выступа для крепления плат. В этой же половине вырезано и закрыто красным светофильтром прямоугольное окно для индикаторов HG1 и HG2, а также просверлено отверстие под светодиод HL1.

Рис. 7. Монтаж плат приёмника
Светодиод АЛ307 в передатчике может быть заменён любым другим подходящего цвета и яркости свечения. Вместо транзисторов КТ315Б подойдут любые кремниевые транзисторы структуры n-p-n с допустимым током коллектора не менее 100 мА. Прямой замены для индикаторов АЛС324А нет, но, переделав плату индикации, можно применить любые подобные индикаторы с общими катодами. Двухцветный светодиод L-3WEGW диаметром 3 мм можно заменить другим трёхвыводным с общим катодом. Супрессор SMAJ5.0CA можно заменить любым другим симметричным супрессором с напряжением пробоя 5 В.
Для выходов передатчика использовано 15 зажимов "крокодил" в защитных оболочках красного цвета, на которые краской нанесены номера проводов. Ещё два "крокодила" в оболочках чёрного цвета предназначены для нулевых проводов передатчика и приёмника.
Конфигурация обоих микроконтроллеров должна быть запрограммирована в соответствии с таблицей. Программы для них приложены к статье.
Разряд | Сост. | Разряд | Сост. |
CKSEL0 | 0 | BODLEVELO | 1 |
CKSEL1 | 0 | B0DLEVEL1 | 1 |
CKSEL2 | 1 | BODLEVEL2 | 1 |
CKSEL3 | 0 | WDTON | 1 |
SUT0 | 0 | SPIEN | 0 |
SUT1 | 1 | EESAVE | 1 |
CKOUT | 1 | DWEN | 1 |
CKDIV8 | 1 | SELFPRGEN | 1 |
RSTDISBL | 1 | ||
0 - запрограммировано; 1 - не запрограммировано | |||

Рис. 8. Прибор в сборе
Налаживания приёмника и передатчика не потребуется. Необходимо лишь, прикасаясь щупом приёмника к зажимам "крокодил" передатчика при соединённых нулевых проводах (рис. 8), проверить соответствие цифр на индикаторе номерам на зажимах.
Файлы печатных плат прибора в формате Sprint Layout 6.0 и программы его микроконтроллеров имеются здесь.
Автор: С. Рычихин, г. Первоуральск Свердловской обл.