Ресурс аккумуляторов зависит от многих факторов, в том числе от соблюдения режимов эксплуатации. Важно не допускать глубокой разрядки и избыточной зарядки. Для управления зарядкой Ni-Cd и Ni-MH аккумуляторов предназначены устройства, автоматически останавливающие её после накопления полного заряда, некоторые из них описаны в статье, предлагаемой вниманию читателей.
Зарядные устройства разной сложности и разных ценовых категорий для Ni-Cd и Ni-MH аккумуляторов выпускаются промышленностью. Простые обеспечивают зарядный ток в определённых пределах. Контроль зарядки такими устройствами осуществляет владелец доступным ему способом. Обычно это определённое время зарядки установленным током или достижение напряжения на аккумуляторе, соответствующего полной зарядке.
Последний способ считается более достоверным. При контроле напряжения нет необходимости поддерживать ток зарядки неизменным. Ток может быть в интервале от 0,1С до 2С, в зависимости от типа аккумулятора (С - ёмкость аккумулятора в А·ч). По мере накопления аккумулятором заряда напряжение на нём растёт до определённого значения. После накопления полной ёмкости рост прекращается, и напряжение на аккумуляторе немного уменьшается [1]. Если прекращать зарядку после достижения определённого напряжения на аккумуляторе, близкого к максимальному, не дожидаясь его понижения, аккумулятор будет заряжен практически полностью.
Реализовать функцию автоматического отключения несложно с помощью порогового элемента, например, триггера Шмитта или компаратора. В качестве прототипа ЗУ взято устройство с пороговым элементом на триггере Шмитта [2]. В нём есть контроль напряжения на аккумуляторе, который показывает полную зарядку, но нет функции автоматического прерывания зарядного тока. Прерывать зарядный ток можно, установив электронный ключ в цепь тока зарядки и управляя им от индикатора полной зарядки.
Для питания устройства использовано ЗУ мобильного телефона. Обычно их называют зарядка, и они обеспечивают стабильное напряжение 5 В и ток нагрузки 300...700 мА (зависит от производителя и типа телефона, который комплектует устройство). Сначала устройство было проверено на макете. Ток зарядки аккумулятора ёмкостью 600 мА · ч был выбран 120 мА, т. е. 0,2С. Контролируемым напряжением на аккумуляторе определена точка перегиба зарядной характеристики на завершающем этапе зарядки. Было установлено напряжение отключения Uоткл=1,5 В. В результате требуемые параметры устройства подтвердились. Однако после монтажа в корпусе оказалось, что работает оно нестабильно. Время полной зарядки оказалось значительно меньше расчётного и различалось в разных циклах. Продолжительность работы на разрядку также неодинаково и показывает неполную зарядку аккумулятора.
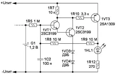
Анализируя схему прототипа (фрагмент его схемы показан на рис. 1), я пришёл к выводу, что причина в очень малом токе базы транзистора 1VT1. Очевидно, что транзисторы 1VT1 и 1VT2 и резистор 1R5 сопротивлением 1 мОм установлены для уменьшения разрядки постоянно подключённого к ним аккумулятора.

Рис. 1. Фрагмент прототипа ЗУ
При расчёте режима автор [2] исходил из того, что триггер переключится при токе эмиттера составного транзистора 1VT1, 1VT2, равном 30 мкА. Однако он не учёл, что нагрузка этих транзисторов 1R7 = 10 кОм. При Uбэ1VT3 = 0,6...0,7 В (как и других кремниевых транзисторов) транзистор 1VT3 открывается.
Такое напряжение на сопротивлении 10 кОм создаст ток 60...70 мкА. Даже при наименьшем h21Э = 70 транзисторов 2SC3199, применённыхв составном транзисторе, такой ток в нагрузке обеспечит ток базы 1VT1 около 0,014 мкА, что вполне сопоставимо с обратным током коллектора IKO < 0,1 мкА для транзистора 2SC3199. Кстати, следует отметить, что на возможность влияния температуры на характеристики прибора указывает и автор [2].
Поэтому схема ЗУ доработана, она показана на рис. 2. При подаче питания на разъём XS1 зарядный ток протекает в основном через резистор R1, а также через резистор R3 и переход база-эмиттер транзистора VT2. Падение напряжения на резисторе R1 вызывает ток в цепи R2HL1, и светодиод светит и сигнализирует о режиме зарядки аккумулятора.

Рис. 2. Доработанная схема ЗУ
Пороговое устройство собрано на транзисторах VT3 и VT4. В цепь эмиттера транзистора VT3 в прямом направлении включён стабилитрон VD1. Суммарное напряжение последовательно включённых p-n переходов транзистора и стабилитрона определяет напряжение их открывания - примерно 1,35 В.
В процессе зарядки аккумулятора G1 напряжение на нём растёт. Вместе с ним растёт ток базы транзистора VT3 и соответственно ток в цепи его коллектора и через резистор R7. Когда напряжение на этом резисторе достигнет напряжения открывания транзистора VT4, напряжение на его коллекторе увеличится, и за счёт положительной обратной связи через резистор R9 транзисторы VT3 и VT4 переключатся в открытое состояние (режим насыщения). Потечёт ток через резистор R5, светодиод HL2 и переход база-эмиттер транзистора VT1. Последний откроется, напряжение на его коллекторе и, соответственно, на базе транзистора VT2, уменьшится, он закроется, и зарядка прекратится. Светодиод HL2 сигнализирует об этом.
Фильтр R4C1 подавляет пульсации питающего напряжения. Резистор R8 ограничивает ток коллектора VT3 и ток базы VT4 до безопасного значения.
В конструкции [2] автор применил на входе порогового элемента составной транзистор для уменьшения тока, потребляемого им от неотключаемого аккумулятора. В предложенном варианте ток управления пороговым устройством во время его срабатывания (ток разрядки аккумулятора G1 после отключения питания имеет такое же значение) не превышает 8 мкА. Такой ток за один месяц разрядит аккумулятор ёмкостью 600 мА · ч менее чем на 1 % его ёмкости, что сравнимо с током саморазрядки Ni-Cd аккумуляторов. При этом расчёте не учитывается уменьшение тока при снижении напряжения на аккумуляторе, которое, как известно, и при отсутствии внешней разрядной цепи уменьшается сразу после отключения от источника зарядного тока. Кроме того, ток через резистор R6 существенно уменьшается при уменьшении напряжения на аккумуляторе и практически прекращается, когда напряжение аккумулятора снижается до 1,35 В.
Транзистор КТ815 может быть с любым буквенным индексом, его можно заменить на транзистор серии КТ830 или другой, отечественного или импортного производства с допустимым током коллектора не менее 0,5 A и напряжением насыщения не более 0,5 В. Транзистор VT1 - КТ315, КТ3102 с любым буквенным индексом. Транзистор VT3 - КТ3102Г-КТ3102Е или другой структуры n-p-n отечественного или импортного производства, имеющий h21э > 150 и Iко < 0,015 мкА, VT4 - любой маломощный соответствующей структуры. Стабилитрон VD1 следует подобрать по наибольшему прямому напряжению. Сделать это можно с помощью омметра по наибольшему сопротивлению. Проверка некоторых типов диодов показала, что такие экземпляры чаще встречаются среди низковольтных стабилитронов и варикапов КВ109. Светодиоды - серии АЛ307 или другие отечественные или импортные с прямым током до 20 мА, желательно разного цвета свечения для большей информативности о режиме работы. Конденсатор С1 - оксидный К50-35 или импортный, конденсатор С2 - керамический или плёночный. Резисторы - МЛТ или любые другие, подходящие по мощности и размерам. Розетка XS1 - микроUSB, SA1 - выключатель электробритвы.
Устройство собрано в корпусе электробритвы SUNNI RM-109 на имеющейся плате, с которой удалены детали и часть печатных проводников. Монтаж проведён с помощью проволочных перемычек, светодиоды установлены рядом против окна в корпусе, в которое выходил индикаторный светодиод исходной конструкции. Резистор R1 следует установить как можно дальше от транзистора VT3 и стабилитрона VD1.
Для налаживания в собранную конструкцию на место аккумулятора G1 устанавливают истощённый щелочной элемент типоразмера АА. Подключают устройство к тому источнику питания, с которым впоследствии оно будет работать. К элементу подключают вольтметр, следят за его показаниями в процессе зарядки и определяют напряжение отключения. Если оно отличается от 1,5 В (или другого, если выбрано таковое), корректируют его подборкой резистора R6. При увеличении сопротивления резистора напряжение отключения увеличивается, а при уменьшении - уменьшается. После того, как выбранное напряжение отключения установлено, нужно несколько раз проверить его отключением и подключением зарядного устройства к сети. Если результат подтверждается, надо установить на место элемента аккумулятор, который будет работать в приборе.
Такое устройство можно использовать для зарядки аккумуляторов ёмкостью до 2,8 А·ч, т. е. практически всей номенклатуры имеющихся в продаже аккумуляторов. Для этого следует подобрать резистор R1 так, чтобы ток зарядки Iзар = 0,3 А. Для аккумуляторов ёмкостью 0,6 А·ч это будет 0,5С, а ёмкостью 2,8 А·ч - 0,1С.
При этом R1 = (5 - (UнacVT1 + UG1))/Iзар = (5 - (0,5+1,5))/0,3 = 10 Ом, где UнacVT1 - напряжение насыщения коллектор-эмиттер транзистора VT1. Соответственно надо пересчитать резистор R3, чтобы транзистор VT2 при токе коллектора 0,3 A находился в режиме насыщения. Для этого ток базы должен быть Iб = Iзар/10. Для КТ815В R3 = 100 Ом.
Почти не изменяя схему устройства, можно заряжать два аккумулятора (рис. 3). Но измерение напряжения происходит только на одном из них. Расчёт сопротивления резисторов R1 и R3 описан выше. На место VT2 следует установить транзистор серии КТ815, так как сопротивление резистора R3 будет мало, поскольку ток коллектора транзистора VT2 при отключении зарядки будет значительным.

Рис. 3. Схема ЗУ

Рис. 4. Схема компаратора
Повысить точность и стабильность отключения процесса зарядки можно, если применить компаратор (рис. 4). При этом входной ток компаратора не превысит 0,25 мкА. Подойдёт микросхема сдвоенного компаратора с низким напряжением питания, например, КР1464СА1 [3] или LM393. В качестве управляющего ключа применён полевой транзистор КП406А3 или импортный 3055L. Можно попробовать и другие, управляемые логическими уровнями на затворе. При налаживании следует учитывать, что увеличение сопротивления резисторов R4 и R12 приведёт к уменьшению порога переключения. Увеличение сопротивления резисторов R7 и R13 приведёт к увеличению порога переключения. Увеличение сопротивления резисторов R6 и R14 приведёт к уменьшению гистерезиса.
Литература
1. Новые виды аккумуляторов. - Радио, 1998, № 1, с. 49.
2. Бутов А. Доработка электробритвы. - Радио, 2012, № 8, с. 50, 51.
3. К1464СА1. Сдвоенный компаратор напряжения. - URL: https://ecworld.ru/support/ ssf/ds/k1464sa1.pdf (14.06.20).
Автор: В. Степанов, г. Егорьевск Московской обл.