HT46R47 – это 8-битный однократно-программируемый контроллер (OTP), предназначенный для быстрого построения зарядных устройств. Высокопроизводительный чип, RISC-подобный микроконтроллер, предназначенный для проектирования различных устройств ввода-вывода. Устройство особенно подходит для использования в таких продуктах, какконтроллеры зарядных устройств и аналогово-цифровые преобразователи.
Основные особенности
Включена функция HALT для уменьшения потребляемой мощности.
Память программ и опций может быть запрограммирована, что делает микроконтроллер пригодным для использования при разработке нетипового продукта.
Предельно-допустимые значения
Напряжениепитания (VSS) – от –0.3V до +5.5V.
Напряжение на входе – от –0.3V до +0.3V.
Температура хранения – от –50°C до +125°C.
Рабочая температура – от –40°C до +85°C.
Напряжения, превышающие диапазоны, указанныевыше, могут привести к значительному повреждению микросхемы. Функциональная работа этого устройствапри других условиях, помимо тех, которые указаны в спецификации, не подразумевается, и длительное воздействие экстремальных условий может повлиять на надежность устройства.
Обозначение контактов

Рис. 1.
Номера контактов | Обозначение | Ввод/вывод | Код ROM/ПЗУ | Описание |
4~2 1 18 17 16, 15 | PA0~PA2 PA3/PFD PA4/TMR PA5/INT PA6, PA7 | Да | Pull-high Wake-up PA3 или PFD | Двунаправленный 8-битный порт ввода / вывода. Каждый бит может быть сконфигурирован как вход пробуждения с помощью опции кода ПЗУ. Программные инструкции определяют выход CMOS или вход триггера Шмитта с резистором высокого напряжения или без него (определяется опциями высокого уровня: битовый вариант). Контакты PFD, TMR и INT используются совместно с PA3, PA4 и PA5 соответственно. |
8 7 6 5 | PB0/AN0 PB1/AN1 PB2/AN2 PB3/AN3 | Да | Pull-high | Двунаправленный 4-битный порт ввода / вывода. Инструкции по программному обеспечению определяют КМОП-выход, вход триггера Шмитта с повышающим резистором или без него (определяется опциями повышающего напряжения: битовый вариант) или аналогово-цифровой вход. Как только линия PB выбрана как аналогово-цифровой вход (с помощью программного управления), функция ввода-вывода и подтягивающий резистор автоматически отключаются. |
9 | VSS | Нет | Отрицательный источник питания, земля | |
10 | PD0/PWM | Да | Pull-high PD0 или PWM | Линия двунаправленного ввода / вывода. Программные инструкции определяют выход CMOS, вход триггера Шмитта с или без подтягивающего резистора (определяется опциями pull-high: битовая опция). Функция вывода ШИМ используется совместно с PD0 (в зависимости от опций ШИМ). |
11 | RES | Только ввод | Вход сброса триггера Шмитта. Активный низкий. | |
12 | VDD | Нет | Положительный источник питания. | |
13 14 | OSC1 OSC2 | Только ввод Только вывод | Кварцевый резонатор или RC-контур | OSC1, OSC2 подключаются к сети RC или к кристаллу (определяется опцией кода ПЗУ) для внутренних системных часов. В случае работы RC, OSC2 является выходной клеммой для 1/4 системного тактового сигнала. |
Типовые схемы включения
HT46R47 используется для построения разных бытовых устройств: от стабилизаторов напряжения до утюгов.
Производитель приводит сразу несколько вариантов включения микросхемы в типовые блоки. О них ниже.
Зарядное устройство для 1 набора аккумуляторов

Рис. 2.
Параметры батарей: 3,6 В (NiCd, NiMH) или 4,1 В (Li).
Зарядное устройство для 2-х наборов батарей


Рис. 3.
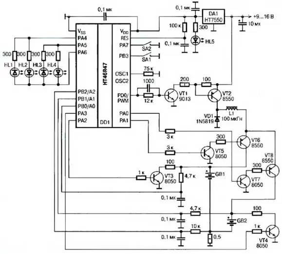
Реальная схема универсального зарядного устройства

Рис. 4.
Управляющие сигналы:
SA1 | SA2 | Состояние |
0 (выключено) | 0 (выключено) | Зарядка NiCd илиNiMH аккумуляторов без разрядки |
1 (включено) | 0 (выключено) | Цикл разрядкиNiCd или NiMH аккумуляторов передзарядкой |
0 (выключено) | 1 (включено) | Зарядка Li(литиевых) аккумуляторов без разрядки |
1 (включено) | 1 (включено) | Цикл разрядкиLi(литиевых) аккумуляторов передзарядкой |
Светодиоды HL1 и HL2 сигнализируют о текущем цикле работы зарядного устройства.
HL1 | HL2 | Состояние |
0 (не работает) | 0 (не работает) | Пустой |
1 (работает) | 0 (не работает) | Идёт процесс зарядки |
0 (не работает) | 1 (работает) | Идёт процесс разрядки или состояние резерва |
1 (работает) | 1 (работает) | Аккумулятор полностью заряжен |
Функции выводов, которые нужно задать при программировании контроллераHT46R47:
Касательно основных узлов микросхемы. Онинастраиваются так, как описано ниже:
Автор: RadioRadar