При ремонте электронной аппаратуры часто возникает необходимость в оценке состояния электролитических конденсаторов по такому параметру, как эквивалентное последовательное сопротивление (ЭПС).
Конденсаторы, имеющие разные номинальные напряжение и ёмкость, обладают разными значениями ЭПС.
Увеличение ЭПС выше номинального значения для конденсатора может приводить к сбоям и отказам в работе электронной аппаратуры. Причём ЭПС может увеличиваться ещё до уменьшения такого параметра, как ёмкость конденсатора. Поэтому измеритель ёмкости в данном случае будет менее полезен, чем измеритель ЭПС.
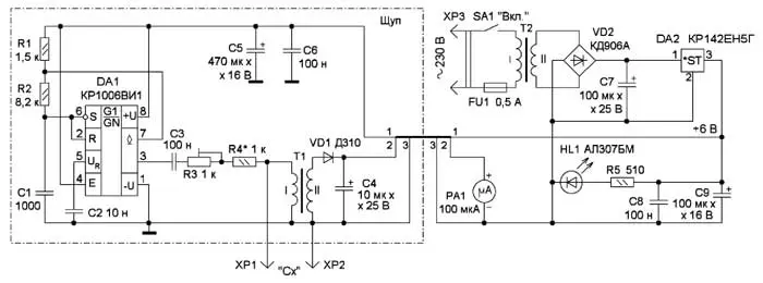
Ниже представлено описание варианта прибора, который собран из доступных деталей от старой радиоаппаратуры. Конструктивно прибор состоит из двух частей: корпуса прибора, где находятся блок питания и стрелочный измерительный прибор, и выносного щупа, соединённого с основным прибором трёхжильным кабелем длиной около метра (рис. 1). Схема прибора представлена на рис. 2. Блок питания состоит из понижающего трансформатора Т2, диодного выпрямителя VD2, сглаживающих конденсаторов С7-С9 и стабилизатора напряжения на микросхеме DA2. Светодиод HL1 сигнализирует о включении прибора и подаче питания на щуп.

Рис. 1. Измеритель ЭПС конденсаторов

Рис. 2. Схема измерителя ЭПС конденсаторов
Щуп прибора состоит из импульсного генератора на микросхеме DA1 (таймер КР1006ВИ1) с частотой следования импульсов 60...80 кГц, разделительного конденсатора С3, токозадающих резисторов R3 и R4 и трансформатора Т1. Этот трансформатор повышает напряжение, которое присутствует на испытываемом конденсаторе "Сх", для выпрямителя на германиевом диоде VD1 и конденсаторе С4.
Налаживание прибора заключается в установке резистором R3 максимального отклонения стрелки микроамперметра. Возможно, что потребуется подборка резистора R4. Для этого к щупам настраиваемого прибора подключают непроволочный резистор сопротивлением 10 Ом и включают питание. Стрелка прибора не должна упираться в ограничитель своего хода.
После этого приступают к градуировке прибора. Для этого нужно разобрать микроамперметр, наклеить на шкалу бумагу и, подключая к щупам образцовые непроволочные резисторы сопротивлением 0,3, 0,5, 1, 2, 3, 4, 5 Ом, сделать отметки на новой шкале. После этого микроамперметр собирают.
Микросхема КР1006ВИ1 заменима импортным аналогом серии 555. Трансформатор Т2 - ТВК-110Л2, но подойдёт любой сетевой понижающий малой мощности с выходным напряжением 7...10 В. Микросхему КР142ЕН5Г можно заменить любой из серии 78 на напряжение 5 или 6 В. Выпрямительный мост может быть любым маломощным с максимальным током не менее 50 мА. Постоянные резисторы - подстроечный - импортный малогабаритный серии RM065, Т1 - трансформатор 151-CO2H от промежуточного каскада строчной развёртки кинес-копного монитора. Вместо него можно применить любой другой импульсный трансформатор с ферритовым магнитопроводом аналогичного назначения, включённого так, чтобы вторичная обмотка была повышающей. Стрелочный прибор - микроамперметр М2003 с током полного отклонения 100 мкА, но подойдёт любой с током полного отклонения 100-150 мкА. Диод VD1 должен быть обязательно германиевым, подойдёт, например, ГД507А. Конденсаторы С1, С2 - К10-17б, С3 и С8 - МБМ, их можно заменить на современные керамические. Конденсаторы С4, С5 и С7, С9 - оксидные К50-35 или импортные. Светодиод может быть любым малогабаритным маломощным.

Рис. 3. Чертёж печатной платы щупа

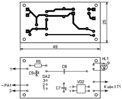
Рис. 4. Чертёж печатной платы блока
Чертёж печатной платы щупа показан на рис. 3, чертёж печатной платы блока - на рис. 4. Изготовлены они из фольгированного стеклотекстолита толщиной 1,5...2 мм. Для корпуса щупа использован конденсатор К50-3А. У него срезают верхнюю часть завальцованной крышки и удаляют "начинку". Извлекают вывод анода, оставив резиновое уплотнение-изолятор. На плату необходимо напаять кусок стальной проволоки, которая будет играть роль щупа XP1, таким образом, чтобы заточенный конец проволоки проходил сквозь уплотнение. Второй щуп прикреплён своим проводом с помощью штатной гайки катода конден-сатора к корпусу щупа. Электрический контакт внутри между общим проводом платы и корпусом щупа обеспечивается с помощью упругой металлической полоски, которую можно взять, например, от контакта отслужившего свой срок реле РПУ. Смонтированная плата щупа показана на рис. 5. Для фиксирующей пробки для корпуса щупа можно использовать прутковый эбонит диаметром 32 мм. От него отрезают цилиндр длиной 25...30 мм и сверлят отверстие под кабель. Пробка должна плотно входить в корпус и не давать плате щупа перемещаться внутри него. Вместо эбонита подойдёт любой другой изоляционный материал, например, жёсткий пенопласт, пластмасса, дерево. Собранный щуп показан на рис. 6. Остальные элементы размещены в пластмассовой коробке подходящего размера (рис. 7).

Рис. 5. Смонтированная плата щупа

Рис. 6. Собранный щуп

Рис. 7. Прибор в сборе
Чертежи печатных плат в формате Sprint LayOut имеются здесь.
Автор: С. Рычихин, г. Первоуральск Свердловской обл.