Различные беспроводные устройства с дистанционным управлением, например, радиобрелоки, радиозвонки и т. д., работают в диапазоне 433 МГц. Для проверки их работоспособности и служит предлагаемый вниманию читателей индикатор напряжённости поля этого диапазона. Он позволяет определить наличие сигнала в диапазоне 433 МГц и оценить его относительную мощность.

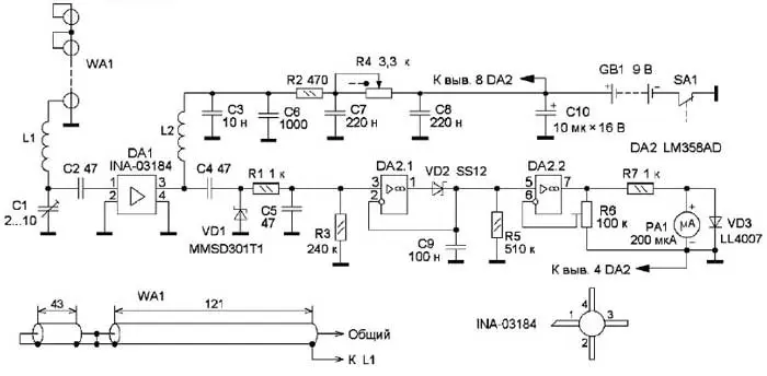
Рис. 1. Схема индикатора
Схема индикатора показана на рис. 1. Для приёма сигналов диапазона 433 МГц использована антенна, предназначенная именно для этого диапазона [1]. Она представляет собой отрезок коаксиального кабеля, замкнутого как на конце, так и на некотором расстоянии от него. Её особенность заключается в том, что по постоянному току она короткозамкнута, поэтомуэффективно подавляет низкочастотные сигналы и помехи. Выходное сопротивление этой антенны на частоте 433 МГц - менее 50 Ом, поэтому для её согласования с последующим усилительным каскадом, имеющим входное сопротивление 50 Ом, применена согласующая LC-цепь L1C1. Одновременно эта цепь выполняет функции ФНЧ, подавляя более высокочастотные сигналы. Для повышения чувствительности в устройстве применён усилитель ВЧ на специализированной микросхеме INA-03184 [2]. Основные параметры этой микросхемы: коэффициент усиления до частоты 2 ГГц - 25 дБ; номинальный/максимальный потребляемый ток -10/25мА; коэффициент шума - 2,6 дБ, номинальное напряжение - 4 В. Выходная мощность при компрессии коэффициента усиления на 1 дБ - -2 дБмВт.
Особенность микросхемы - возможность регулировки коэффициента усиления за счёт изменения потребляемого ею тока с помощью одного резистора в цепи питания. Например, при токе 20 мА коэффициент усиления - 27 дБ, а при токе 6...7 мА - 15 дБ. При меньшем токе коэффициент усиления резко снижается, и усилитель превращается в аттенюатор. Регулируют коэффициент усиления переменным резистором R4, который совмещён с выключателем питания SA1.
На высокочастотном диоде VD1 собран АМ-детектор, на ОУ DA2.1 и элементах VD2 и С9 - пиковый детектор. На ОУ DA2.2 собран усилитель постоянного тока (УПТ), который нагружен на индикаторный прибор - стрелочный микроамперметр PA1. Диод VD3 и резистор R7 защищают микроамперметр от перегрузки по току.
Для прослушивания сигналов диапазона 433 МГц в устройство можно ввести УЗЧ с динамической головкой. Схема такого УЗЧ показана на рис. 2, он собран на одной специализированной микросхеме маломощного УЗЧ - TDA7052A.

Рис. 2. Схема УЗЧ
Работает устройство так. Сигнал с антенны через согласующее устройство поступает на усилитель на микросхеме DA1. После усиления он детектируется, и импульсы поступают на пиковый детектор, на выходе которого формируется постоянное напряжение, равное амплитуде импульсов. После усиления в УПТ постоянное напряжение, пропорциональное уровню входного сигнала, поступает на стрелочный индикатор. При большом уровне сигнала с помощью переменного резистора R4 можно установить такое усиление, чтобы стрелка индикатора не зашкаливала.
Вход УЗЧ подключают к резистору R3, в этом случае через динамик можно прослушать радиообстановку на этом диапазоне, а также принимаемый сигнал, если его модуляция попадает в диапазон ЗЧ.

Рис. 3. Чертёж платы и размещение элементов индикатора на ней
Элементы индикатора размещены на печатной плате из фольгированного с двух сторон стеклотекстолита толщиной 2 мм. Чертёж платы показан на рис. 3. Почти вся обратная сторона платы оставлена металлизированной и использована как экран и общий провод. Только часть металлизации удалена там, где припаяны антенна и согласующая LC-цепь. По левому и нижнему краям платы обе стороны металлизации соединены между собой с помощью тонкой медной лужёной фольги. Через отверстия в плате металлизированные площадки соединены отрезками лужёного провода. В индикаторе применены постоянные резисторы для поверхностного монтажа типоразмера 1206, подстроечный - серии PVA3A (RVG3A), переменный - СП3-3в, подстроечный конденсатор - КТ4-25 или КТ4-27 (для поверхностного монтажа), оксидный конденсатор - танталовый типоразмера С или D, керамические конденсаторы ёмкостью 10 нФ и менее - типоразмера 0805, остальные - типоразмера 1206. Микроамперметр можно применить любой, подходящий по габаритам, с током полного отклонения 100...200 мкА.
Антенна изготовлена из тонкого коаксиального кабеля РК50-1-21, РК50-1-22, её конструкция и размеры показаны на рис. 1. Места разрезов и паек на кабеле защищены термоусаживаемой трубкой. Правый конец антенны зачищают от внешней изоляции примерно на 5 мм и припаивают его к контактной площадке.
Центральную жилу кабеля припаивают к общему проводу.
Катушки намотаны проводом ПЭВ-2 0,4 на оправке диаметром 3 мм и содержат L1 - 1,5 витка, L2 - 4,5 витка. Источник питания - батарея гальванических элементов или аккумуляторов типоразмера 6F22.
Внешний вид собранной платы показан на рис. 4.

Рис. 4. Внешний вид собранной платы

Рис. 5. Чертёж печатной платы и размещение элементов УЗЧ на ней
Элементы УЗЧ размещены на печатной плате из фольгированного с одной стороны стеклотекстолита толщиной 1 мм (рис. 5). Здесь применены такие же элементы для поверхностного монтажа, динамическая головка - малогабаритная от сотового телефона. Плата УЗЧ вместе с динамической головкой размещена на крышке корпуса.
Внешний вид устройства с микроамперметром М4761-М1 от магнитофона показан на рис. 6. Габаритные размеры корпуса - 100x65x25 мм.

Рис. 6. Внешний вид устройства с микроамперметром М4761-М1
Налаживание сводится к установке требуемого усиления УПТ с помощью подстроечного резистора R6. При слишком большом усилении (движок резистора R6 перемещают вниз по схеме) в отсутствие сигнала стрелка прибора может находиться в середине шкалы. При малом усилении (движок резистора R6 перемещают вверх по схеме) чувствительность индикатора снижается. Согласующую цепь L1C1 подстраивают по максимуму сигнала. Для этого надо принять слабый сигнал (например, от тестового генератора) и подстроечным конденсатором установить максимальное отклонение стрелки. Желаемую громкость сигнала ЗЧ можно установить подборкой резистора R1 (см. рис. 2).
Чертежи печатных плат в формате Sprint LayOut имеются здесь.
Литература
1. Нечаев И. Поиск радиомаяка в диапазоне 433 МГц. - Радио, 2005, № 8, с. 44-46.
2. Low Noise, Cascadable Silicon Bipolar MMIC Amplifier. - URL:https://www. alldatasheet.com/datasheet-pdf/pdf/ 64739/HP/INA-03184.html (25.08.20).
Автор: И. Нечаев, г. Москва