В настоящее время в пользовании находится немало шуруповёртов, в которых применена батарея Ni-Cd аккумуляторов, срок службы которых зачастую невелик. Покупка новой штатной батареи или замена негодных аккумуляторов выливается в дорогую покупку, поэтому иногда дешевле купить новый шуруповёрт, а старый отправить на "пенсию". Но можно продлить жизнь инструмента, заменив штатную батарею аккумуляторов на Li-Ion. В большинстве случаев такая переделка обойдётся дешевле, причём получится более ёмкий аккумулятор, с меньшим временем зарядки и меньшей массой.
У меня в ходу были два шуруповёрта с электродвигателями на напряжение 12 В, к которым вместо штатных Ni-Cd батарей, вышедших из строя, были прикреплены большие и тяжёлые свинцовые гелевые аккумуляторные батареи напряжением 12 В и ёмкостью 3,3 А·ч. Но и они вышли из строя, и когда возникла необходимость их замены, оказалось, что цена на них выросла до космических значений, и дешевле стало приобрести Li-Ion аккумуляторы и электронные платы для обеспечения их надёжной эксплуатации. В итоге были приобретены Li-Ion аккумуляторы типо-размера 18650 ёмкостью 3,1 А·ч. Впрочем, после проверки их ёмкость оказалась только 2,6 А·ч, что типично для китайских товаров.

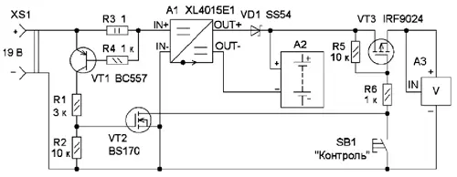
Рис. 1. Схема доработки электроники шуруповёрта
Обошлись Li-Ion аккумуляторы чуть дороже гелевой батареи. Пробовал в начале установить три аккумулятора, но не хватило мощности двигателя, поэтому четыре аккумулятора оказались в самый раз. Схема доработки электроники шуруповёрта показана на рис. 1. Одним из главных элементов является модуль А1 (XL4015E1) зарядки Li-Ion аккумуляторов, собранный на одноимённой микросхеме, который ограничивает требуемое напряжение и ток зарядки Li-Ion аккумуляторов, а при их полной зарядке отключается от источника питания. На транзисторе VT1 и резисторе R3 собран узел включения индикации зарядки аккумулятора в виде модуля A3 цифрового вольтметра, показывающего напряжение аккумулятора. На транзисторах VT2 и VT3 собраны ключи, включающие индикацию зарядки. Если источник питания 19 В подключён и аккумуляторная батарея разряжена, начинается её зарядка. В результате сначала откроется транзистор VT1, а затем и транзисторы VT2 и VT3, и включится модуль вольтметра A3. Он будет индицировать режим зарядки и напряжение батареи аккумуляторов. По окончании зарядки транзистор VT1 закроется, транзисторы VT2, VT3 также закроются, и модуль вольтметра будет отключён. При отключённом источнике питания 19 В после нажатия на кнопку SB1 откроется транзистор VT3 и включится модуль вольтметра. После отпускания кнопки вольтметр будет отключён.

Рис. 2. Внешний вид размещения узлов внутри корпуса

Рис. 3. Для модуля вольтметра, гнезда питания и кнопки на боковых стенках корпуса сделаны отверстия соответствующего диаметра
Собрано устройство в пластмассовом корпусе размерами 125x80x32 мм [1], купленном в Интернете. Внешний вид размещения узлов внутри корпуса показан на рис. 2. Элементы смонтированы на двух монтажных платах. Для модуля вольтметра, гнезда питания и кнопки на боковых стенках корпуса сделаны отверстия соответствующего диаметра (рис. 3). Применены резисторы общего применения, например, МЛТ, С2-23, транзистор BS170 можно заменить транзистором 2N7000, кнопка SB1 - малогабаритная тактовая с длинным толкателем. Модуль вольтметра - АМК-М22 или аналогичный, у него линию питания надо соединить с входом. А2 - это четыре аккумулятора и выравнивающее устройство 4S BMS [2], собранные в один модуль. Верхнюю крышку корпуса крепят тремя винтами к шуруповёрту (рис. 4), а нижнюю с электронной начинкой винтами привинчивают к верхней крышке корпуса. Внешний вид доработанного шуруповёрта показан на рис. 5.

Рис. 4. Крепление верхней крышки корпуса

Рис. 5. Внешний вид доработанного шуруповёрта
Перед подключением модуля аккумулятора в модуле А1 сначала устанавливают выходное напряжение 16,8 В плюс падение напряжения на диоде VD1, затем устанавливают ток зарядки 1 А. Для контроля к выходу модуля А1 подключают автомобильную лампу на 12 В 21 Вт. В качестве источника питания 19 В можно использовать блок питания для ноутбука или любой сетевой блок питания с выходным напряжением 19...24 В и током не менее 2 А.
Литература
1. Водонепроницаемый пластиковый чехол. - URL:https:// www.aUexpress.com/item/32974031902. html?spm = a2g0s.9042311.0.0.27424c 4dUE6jMR (27.03.21).
2. Защитная печатная плата для литиевой батареи. - URL: https://www.aliexpress. com/item/32868642283.html?spm=a2g0s. 9042311.0.0.27424c4dUE6jMR (27.03.21).
Автор: В. Киба, г. Волжский Волгоградской обл.