RadioRadar - Радиоэлектроника, даташиты, схемы

https://www.radioradar.net/radiofan/miscellaneous/servo_tester_remote_controlled_models.html

Прибор для проверки сервоприводов дистанционно управляемых моделей

Как правило, в простейших приборах для проверки сервоприводов дистанционно управляемых моделей - сервотестерах [1-6] указателем задаваемого углового положения качалки рулевой машинки (часто используют также термины "расход рулевой машинки", "путь перекладки качалки") служит метка на ручке управления, закреплённой на валу переменного резистора, которым регулируют длительность управляющих импульсов, что не обеспечивает высокой точности позиционирования проверяемого сервопривода. Более сложные приборы аналогичного назначения [7, 8] для повышения точности позиционирования сервопривода оснащены цифровым индикатором, отображающим длительность выходных управляющих импульсов. Однако многим моделистам, не знакомым со структурой и параметрами командного сигнала, трудно поставить в соответствие длительность управляющих импульсов, отображаемых на цифровом индикаторе, и угол, на который должна при этом отклониться качалка рулевой машинки.

Предлагаю прибор для проверки сервоприводов дистанционно управляемых моделей, в котором указанные недостатки устранены. По своей технической сути и функциональным возможностям этот прибор наиболее близок к устройствам, описанным в [9, 10], но в отличие от [9], он более точен в позиционировании проверяемых сервоприводов, а по сравнению с [10] проще по схеме и конструкции.

Прибор может работать в трёх режимах: автоматическое периодическое перемещение качалки рулевой машинки между конечными точками рабочего интервала; автоматическая установка качалки рулевой машинки в положение, соответствующее середине рабочего интервала (установка в нуль); ручная установка качалки рулевой машинки в произвольное положение в пределах рабочего интервала (регулирование частоты вращения вала электродвигателя в интервале от нуля до максимального значения).

Прибор позволяет контролировать работу двух рулевых машинок одновременно и электродвигателя, работающего совместно с регулятором частоты вращения. Прибор оснащён стрелочным индикатором, наглядно показывающим, какой расход или какую относительную частоту вращения должны иметь проверяемые рулевые машинки или электродвигатель при изменении длительности управляющих импульсов. Предусмотрена возможность контроля параметров выходных импульсов прибора, а также напряжения, вырабатываемого регулятором частоты вращения электродвигателя для питания электронных устройств, установленных на модель. Прибор выполнен на доступной элементной базе и прост в налаживании.

Параметры формируемых прибором прямоугольных импульсов напряжения соответствуют параметрам импульсов, управляющих работой сервоприводов наиболее распространённых цифровых систем дистанционного пропорционального управления моделями [1, 3, 4]: период следования - 20 мс; длительность - от 1 до 2 мс; амплитуда - не менее 3,8 В. Погрешность преобразования длительности управляющих импульсов в показаниях индикатора - не более ±5 %. Напряжение питания прибора - 12 В, максимальный выходной ток источника питания - не менее 1 А, потребляемый ток (без подключения сервоприводов) - не более 100 мА.

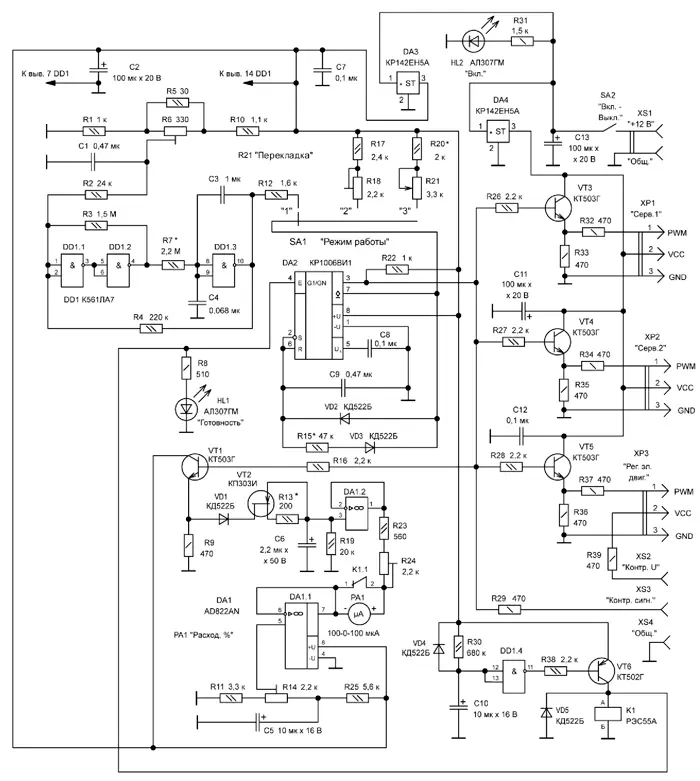
Схема прибора для проверки сервоприводов дистанционно управляемых моделей

Схема прибора для проверки сервоприводов дистанционно управляемых моделей (по клику крупно)

 

Схема прибора показана на рисунке. Основа устройства - генератор с независимой установкой длительности и периода следования импульсов, собранный на интегральном таймере DA2. Времязадающий элемент этого мультивибратора - конденсатор C9. Его зарядка, в зависимости от положения переключателя SA1 ("Режим работы"), происходит соответственно через резистор R12 (SA1 в положении "1") либо резисторы R17, R18 (SA1 в положении "2") или резисторы R20, R21 (SA1 в положении "3"), а также через диод VD2. Разрядка конденсатора C9 происходит через резистор R15, диод VD3 и выводы 1, 7 микросхемы DA2. Во время зарядки конденсатора C9 на выходе генератора (вывод 3 DA2) формируются прямоугольные импульсы заданной длительности, а во время разрядки - пауза между ними. Конденсатор C8 - фильтрующий, резистор R22 - нагрузочный.

На логических элементах DD1.1 - DD1.3 собран генератор сигналов треугольной формы. Когда переключатель SA1 установлен в положение "1", под воздействием этого напряжения автоматически с частотой 0,5...1 Гц изменяется длительность формируемых прибором прямоугольных импульсов напряжения, при этом проверяемая рулевая машинка с такой же частотой изменяет угловое положение своей качалки между крайними точками рабочего интервала.

Генератор напряжения треугольной формы включает в себя триггер Шмитта на логических элементах DD1.1, DD1.2 и резисторах R2, R3, определяющих верхний и нижний уровни напряжения его переключения, а также интегратор, образованный логическим элементом DD1.3, резистором R7 и конденсатором C3. Частота генерации задана постоянной времени цепи R7C3, а амплитуда и уровень постоянной составляющей треугольного напряжения на выходе генератора (вывод 10 DD1.3) - резисторами R1, R4, R5, R6, R10. Конденсатор C1 - фильтрующий, конденсатор С4 предотвращает возникновение на выходе генератора паразитных высокочастотных колебаний.

В положении "2" переключателя SA1 прибор формирует прямоугольные импульсы длительностью 1,5 мс, которая задана резисторами R17, R18. При такой длительности импульсов качалка проверяемой рулевой машинки автоматически устанавливается в нейтральное положение, что соответствует середине рабочего интервала её углового перемещения (установка в нуль).

В положении "3" переключателя SA1 длительность формируемых прибором прямоугольных импульсов напряжения задана резисторами R20, R21. Регулируя переменным резистором R21 ("Перекладка") их длительность от 1 до 2 мс, устанавливают качалку проверяемой рулевой машинки в необходимую точку рабочего интервала (или изменяют в необходимых пределах частоту вращения проверяемого электродвигателя).

Транзисторы VT3-VT5 и резисторы R33, R35, R36 образуют эмиттерные повторители - разветвители, позволяющие подключить к прибору одновременно несколько нагрузок: две рулевые машинки и управляемый регулятором частоты вращения электродвигатель. Резисторы R32, R34, R37 - токоограничивающие, они предохраняют транзисторы VT3-VT5 от повреждения при случайном замыкании в цепи нагрузки.

Вилки XP1, XP2 и XP3 служат для подключения к прибору рулевых машинок и регулятора частоты вращения электродвигателя соответственно. Назначение контактов этих вилок следующее: 1 - сигнал управления (PWM); 2 - напряжение питания (VCC); 3 - общий (GND). Питание проверяемых рулевых машинок осуществляется напряжением +5 В, которое формирует интегральный стабилизатор напряжения DA4. Интегральный стабилизатор напряжения DA3 формирует напряжение +5 В, необходимое для работы прибора. Конденсаторы C2, C7, C11-C13 - фильтрующие.

Гнездо XS2 "Контр. U" предназначено для контроля стабилизированного напряжения +5 В, формируемого регулятором частоты вращения электродвигателя. Гнездо XS3 "Контр. сигн." служит для контроля параметров выходного сигнала генератора. Резисторы R29, R39 - токоограничивающие. Гнездо XS4 "Общ." используется при подключении к прибору контрольно-измерительных приборов.

Гнёзда "+12 В", "Общ." розетки XS1 предназначены для подключения к прибору источника питания. Включение и выключение прибора производят выключателем SA2 ("Вкл. - Выкл."). Светодиод HL2 ("Вкл.") и токоограничивающий резистор R31 - узел индикации включённого состояния прибора.

Индикатор расхода рулевых машинок и относительной частоты вращения электродвигателя - стрелочный микроамперметр PA1 ("Расход, %"). Для устранения опасных для него бросков тока, возникающих во время включения и выключения прибора, а также устранения возможности резкого отклонения качалки рулевых машинок за пределы рабочего интервала во время включения прибора, служит реле выдержки времени, которое включает в себя логический элемент DD1.4, транзистор VT6, диоды VD4, VD5, светодиод HL1 ("Готовность"), резисторы R8, R30, R38, конденсатор C10 и электромагнитное реле K1. Конденсатор C10 и резистор R30 - времязадающие элементы, логический элемент DD1.4 - пороговое устройство, транзистор VT6 - усилитель тока, повышающий нагрузочную способность логического элемента DD1.4. Диод VD5 защищает транзистор VT6 от возможного пробоя импульсами напряжения самоиндукции обмотки реле К1. Диод VD4 обеспечивает быструю разрядку конденсатора C10 после выключения прибора. Токоограничивающий резистор R8 и светодиод HL1 - узел индикации срабатывания реле выдержки времени.

Сразу после включения прибора напряжение на конденсаторе C10 равно нулю, вследствие чего на выходе логического элемента DD1.4, включённого инвертором, формируется напряжение высокого уровня, закрывающее транзистор VT6. Электромагнитное реле K1 обесточено, его нормально замкнутые контакты К1.1 шунтируют микроамперметр PA1, исключая протекание через него броска тока. Когда транзистор VT6 закрыт, вход E интегрального таймера DA2 через обмотку реле K1 соединён с общим проводом. На выходе интегрального таймера DA2 формируется близкое к нулю напряжение, закрывающее транзисторы VT3-VT5, в результате чего на управляющих входах соответствующих сервоприводов сигнал отсутствует.

Когда по истечении выдержки времени (3...5 с) напряжение на конденсаторе C10 достигает напряжения переключения логического элемента DD1.4, на его выходе формируется напряжение низкого уровня, открывающее транзистор VT6. В результате этого срабатывает электромагнитное реле K1, его контакты K1.1 размыкаются, вследствие чего шунтирование ими микроамперметра PA1 прекращается. В это же время на вход E интегрального таймера DA2 с коллектора транзистора VT6 поступает напряжение высокого уровня, разрешающее работу интегрального таймера DA2, при этом загорается светодиод HL1, информируя о готовности прибора к работе.

После выключения питания электромагнитное реле вновь K1 обесточивается, и его соответствующие контакты K1.1 замыкаются, исключая протекание через микроамперметр PA1 броска тока в момент выключения.

Индикация микроамперметром PA1 расхода рулевых машинок и относительной частоты вращения электродвигателя при изменении длительности управляющих импульсов происходит так.

В положении "2" переключателя SA1 с выхода интегрального таймера DA2 через эмиттерный повторитель на транзисторе VT1 и диод VD1 на вход интегратора, образованного генератором стабильного тока VT2R13, накопительным конденсатором C6 и нагрузочным резистором R19, поступают прямоугольные импульсы напряжения длительностью 1,5 мс. Генератор стабильного тока VT2R13 повышает линейность интегрирования. Диод VD1 препятствует разрядке конденсатора C6 через транзистор VT2 в паузах между импульсами, поступающими на вход интегратора. В результате интегрирования этих импульсов на выходе интегратора и соответственно на входе и выходе буферного повторителя напряжения, собранного на ОУ DA1.2, формируется постоянное напряжение, которое прямо пропорционально длительности входных импульсов интегратора.

Регулируемый делитель напряжения R11R14R25 и фильтрующий конденсатор C5 образуют источник напряжения смещения. ОУ DA1.1 - буферный повторитель этого напряжения. Между выходами ОУ DA1.1 и DA1.2 включены последовательно соединённые токоограничивающий R23 и подстроечный R24 резисторы, а также стрелочный микроамперметр PA1 с током полного отклонения 100 мкА и нулевой отметкой посередине шкалы. Выходное напряжение ОУ DA1.1 установлено такое, что падение напряжения на цепи R23R24PA1 равно нулю и ток через эту цепь не протекает, вследствие чего стрелка микроамперметра PA1 в положении "2" переключателя SA1 устанавливается на нулевую отметку шкалы.

В положении "3" переключателя SA1 длительность прямоугольных импульсов напряжения, поступающих на вход интегратора VT2C6R13R19, может быть произвольно изменена переменным резистором R21 в пределах рабочего интервала длительности управляющих импульсов проверяемых сервоприводов. Соответствующим образом при этом изменяется напряжение на выходе ОУ DA1.2, а следовательно, и ток, протекающий через микроамперметр PA1, и его направление. В результате этого стрелка микроамперметра PA1, отклоняясь на соответствующий угол, показывает в относительных единицах, какое угловое положение должна занять качалка подключённой к прибору рулевой машинки в соответствии с длительностью управляющих импульсов.

Если принять показания микроамперметра PA1 на соответствующих конечных отметках шкалы за ±100% углового отклонения качалки рулевой машинки от середины её рабочего интервала, то микроамперметр РА1 при длительности импульсов 1, 1,5 и 2 мс покажет относительное угловое отклонение качалки рулевой машинки (расход рулевой машинки) на -100 %, 0 % и + 100 % соответственно.

При регулировании переменным резистором r2 1 частоты вращения электродвигателя установка стрелки микроамперметра PA1 на отметку шкалы "-100мкА" соответствует нулевой частоте вращения, а на отметку шкалы "+100 мкА" - максимальной.

В положении "1" переключателя SA1 длительность прямоугольных импульсов напряжения, поступающих на вход интегратора VT2C6R13R19, автоматически изменяется с частотой 0,5.1 Гцв пределах рабочего интервала длительности управляющих импульсов проверяемых сервоприводов, что вызывает периодическое изменение напряжения на выходе ОУ DA1.2 и, как следствие, периодическое изменение тока через микроамперметр PA1, а также направления его протекания, в результате чего стрелка микроамперметра перемещается с такой же частотой между конечными отметками шкалы подобно качалке рулевой машинки, периодически перемещающейся между конечными точками своего рабочего интервала.

Монтаж прибора выполнен навесным способом на макетной плате. Интегральные стабилизаторы напряжения DA3 и DA4 установлены на теплоотводы с площадью рассеивающей поверхности 20 см2 каждый.

Применённые в приборе оксидные и керамические конденсаторы - импортные, вместо них можно использовать отечественные К50-35 и К10-17-1а соответственно. Конденсаторы C3, C9 - плёночные К73-17, можно применить конденсаторы серий К73-9, К73-24. Постоянные резисторы - С2-33, возможная замена - С2-23, МЛТ, ОМЛТ. Подстроечные резисторы - многооборотные импортные, вместо них можно применить отечественные РП1-48, СП3-39. Переменный резистор - СП3-9а или другой аналогичный.

Диоды КД522Б можно заменить диодами этой же серии или серий КД503, КД521. Светодиоды АЛ307ГМ заменимы другими, подходящими по цвету и яркости свечения. Транзисторы КТ502Г, КТ503Г допустимо заменить транзисторами этих же серий или подобными по электрическим параметрам других серий. Полевой транзистор КП303И заменим транзистором этой же серии с буквенным индексом А или В.

Микросхема К561ЛА7 может быть заменена функциональным аналогом серии 564 или импортной серии 4011. Интегральный таймер КР1006ВИ1 заменим импортным аналогом серии 555. ОУ AD822AN [11] можно заменить на ОУ серии AD823. Интегральные стабилизаторы напряжения КР142ЕН5А заменимы импортными аналогами серии 7805.

Переключатель SA1 - любой на три положения, выключатель SA2 - МТ1 или аналогичный. Розетка XS1 набрана из двух гнёзд ГИ4, розетки XS2-XS4 - одиночные гнёзда ГИ4, вместо них можно использовать любые другие подходящие. XP1-XP3 - фрагменты вилок PLS с шагом 2,54 мм. Герконовое электромагнитное реле РЭС55А исполнения РС4.569.600-11 (K1) можно заменить на реле этой же серии с рабочим напряжением 5 ±0,5 В или на реле других типов с аналогичными параметрами. Микроамперметр PA1 - М4204 или другой аналогичный с нулевой отметкой посередине шкалы и током полного отклонения стрелки ±100 мкА.

Налаживание прибора заключается в проверке функционирования во всех режимах, контроле соответствия параметров выходных импульсов требуемым значениям и калибровке стрелочного индикатора.

Период следования генерируемых прибором импульсов устанавливают подборкой резистора R15. Пределы автоматического изменения их длительности устанавливают в положении "1" переключателя SA1 подстроечным резистором R6, а частоту изменения длительности - подборкой резистора R7. Длительность импульсов в положении "2" переключателя SA1 устанавливают подстроечным резистором R18. Интервал ручного регулирования длительности импульсов устанавливают в положении "3" переключателя SA1 подборкой резистора R20.

Напряжение питания рулевых машинок, параметры прямоугольных импульсов напряжения, подаваемых на сигнальный вход рулевых машинок и регулятора частоты вращения электродвигателя, контролируют относительно гнезда XS4 "Общ." на соответствующих выводах вилок XP1-XP3, а стабилизированное напряжение +5 В, формируемое регулятором частоты вращения электродвигателя, - на гнезде XS2 "Контр. U".

Калибровку стрелочного индикатора производят так. Переключатель SA1 устанавливают в положение "2" и убеждаются, что длительность выходных импульсов прибора равна 1,5 мс. При такой длительности импульсов подстроечным резистором R14 устанавливают стрелку микроамперметра PA1 на нулевую отметку шкалы.

Переводят переключатель SA1 в положение "3", и переменным резистором R21 устанавливают длительность выходных импульсов прибора, равной 1 мс. При такой длительности импульсов подстроечным резистором R24 устанавливают стрелку микроамперметра PA1 на отметку шкалы "-100 мкА". Переменным резистором R21 устанавливают длительность выходных импульсов прибора равной 2 мс. Убеждаются, что при такой длительности импульсов стрелка микроамперметра PA1 устанавливается на отметку шкалы "+100мкА". Изменяя переменным резистором R21 длительность выходных импульсов прибора в интервале от 1 до 2 мс, убеждаются, что погрешность преобразования длительности импульсов в показания индикатора PA1 на всех отметках шкалы не превышает допустимого значения.

Установив переключатель SA1 в положение "1", убеждаются, что стрелка индикатора PA1 перемещается с частотой 0,5...1 Гц между противоположными конечными точками его шкалы. При необходимости максимальное отклонение стрелки индикатора от нулевой отметки шкалы в этом режиме работы прибора корректируют подстроечным резистором R6.

О нормальном функционировании подключённых к прибору сервоприводов судят, сравнивая расход рулевых машинок или частоту вращения электродвигателя с показаниями индикатора.

Литература

1. Войцеховский Я. Дистанционное управление моделями. Пособие моделиста и радиолюбителя. Пер. с польск. Под ред. А. П. Павлова и Н. Н. Путятина. - М.: Связь, 1977, с. 167-201, 225-277.

2. Васильченко М. Е., Дьяков А. В. Радиолюбительская телемеханика. - М.: Энергия, 1979, с. 103, 104.

3. Миль Г. Электронное дистанционное управление моделями. Пер. с нем. В. Н. Пальянова. - М.: ДОСААФ, 1980, с. 45-95, 103-114, 332-335.

4. Днищенко В. А. 500 схем для радиолюбителей. Дистанционное управление моделями. - СПб.: Наука и техника, 2007, с. 20-37, 446.

5. Каменев Н. Устройстводля проверки и управления сервоприводами. - Радио, 2017, №3, с. 51, 52.

6. Яйлиян В. Самодельный сервотестер. - URL: http://skyflex.air.ru/pages/advices/advice016.shtml (25.05.21).

7. Сервотестер Hobbyking LED Servo Tester. - URL: http://www.parkflyer.ru/ru/ product/428359/ (25.05.21).

8. Сервотестер Turnigy со светодиодной индикацией. - URL: http://www.parkflyer.ru/ru/product/2479855/(25.05.21).

9. Ильин О. Прибор для проверки сервомеханизмов. - Радиомир, 2014, № 5, с. 24-26.

10. Ильин О. Прибор для проверки сервоприводов дистанционно управляемых моделей. - Радио, 2018, № 1, с. 31-35.

11. AD822 Single Supply, Rail-to-Rail Low Power FET-Input Op Amp. - URL: https://www.datashe etspdf.com/pdf/1302152/AnalogDevices/AD822/1 (25.05.2021).

Автор: О. Ильин, г. Казань