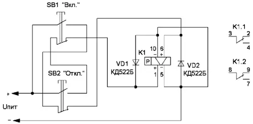
С помощью простого релейного переключателя можно организовать дистанционное управление какой-либо нагрузкой или коммутировать напряжение для каких-либо устройств, при этом реализовать функцию памяти, которая не требует постоянного питающего напряжения. Схема такого переключателя показана на рисунке. Он состоит из двух кнопок SB1 "Вкл." и SB2 "Откл." без фиксации и одного поляризованного двухпозиционного двустабильного реле K1 или так называемого дистанционного переключателя. Особенность устройства заключается в том, что реле потребляет ток только в момент переключения, т. е. тогда, когда на катушку реле будет подано напряжение. После кратковременной подачи напряжения на катушку реле её контакты переключаться из одного стабильного состояния в другое стабильное состояние. При этом не требуется постоянного присутствия напряжения на катушке реле для удержания её контактных групп в переключённом состоянии.

Рис. Схема переключателя
Принцип работы устройства показан на примере поляризованного реле РПС32 [1]. В исходном состоянии реле К1 и её две контактные группы К1.1 и К1.2 находятся в состоянии, показанном на рисунке. При нажатии на кнопку SB1 "Вкл." на катушку реле (выводы 5 и 6) поступает напряжение и подвижные контакты меняют своё положение - замыкаются контакты 3 и 4 (К1.1), 8 и 7 (К1.2). Контакты 3и 2(К1.1), 8и9(К1.2) размыкаются. При нажатии на кнопку SB2 "Откл." контакты реле переходят в обратное исходное стабильное состояние.
Поляризованное реле не требует постоянной подачи напряжения на катушку для удержания контактной группы. Более того, подавать на катушку напряжение более 1 мин не рекомендуется. Контактные группы реле удерживаются за счёт постоянных магнитов после того, как с катушки реле будет снято напряжение. На основе этого свойства реализуется эффект памяти. Нажал на кнопку - реле переключилось и зафиксировало контакты до следующей команды (подачи напряжения).
Кнопки SB1, SB2 - любые без фиксации, рассчитанные на ток, потребляемый катушкой реле. Напряжение управления на катушку реле следует подавать кратковременно. Для защиты катушек реле от одновременной подачи напряжения на обе катушки реле предусмотрена электрическая блокировка. Это реализовано следующим образом. Команда на включение с кнопки SB1 проходит на катушку реле через нормально замкнутый контакт кнопки SB2. Соответственно команда на отключение с кнопки SB2 проходит через нормально замкнутый контакт кнопки SB1. При нажатии на любую из кнопок нормально замкнутый контакт будет разомкнут и запретит команду с другой кнопки. Даже при одновременном нажатии на обе кнопки SB1, SB2 практически не реально одновременно подать напряжение на обе катушки реле.
Для реле РПС32 достаточно подать на катушку реле импульс постоянного напряжения длительностью не менее 0,025 с. Время срабатывания реле при минимальном рабочем напряжение - не более 5 мс. Катушки реле РПС32, в зависимости от исполнения рассчитаны на напряжение питания от 2,4 В до 27 В. Коммутационная способность по току зависит от материала контактов. Для выбора других реле рекомендуется воспользоваться справочником [2] и % справочными данными из Интернета. При выборе реле необходимо учитывать коммутируемый ток, напряжение на разомкнутых контактах, тип нагрузки (активная, индуктивная), номинальное напряжение и ток потребления катушки.
Литература
1. Реле РПС32. - URL:https:// rudatasheet.ru/relay/rps32/ (30.09.21).
2. Игловский И. Г., Владимиров Г. В. Справочник по слаботочным электрическим реле, 2-е издание, переработанное и дополненное. - М.: Энергоатомиздат, 1984.
Автор: А. Ваганов, г. Новосибирск