Не на всех автомобилях на приборную панель выводится информация о температуре двигателя, напряжении аккумуляторной батареи и другая информация, которая была бы интересна водителю. Кроме того, стрелочные индикаторы имеют погрешность, они только информируют, но не более. А автору статьи хотелось иметь точную информацию, например, о скорости, когда едешь с дозволенным превышением на 20 км/ч, чтобы не получить штраф. Предположим, что стрелочный спидометр показывает 77 км/ч, а реальная скорость - 82 км/ч, в этом случае штраф обеспечен. После установки этой панели в автомобиль в штатной панели автор стал обращать внимание только на лампу, сигнализирующую, что пора заправиться бензином. Информация в цифровом виде выводится на четырёхдюймовый цветной графический TFT-дисплей. В предыдущем автомобиле у автора была установлена цифровая панель, но попроще, и ему не нравилось, что к ней шла масса проводов и что она находилась под стеклом основной панели и портила вид. Поэтому автор принял решение сделать цифровую панель в виде отдельного гаджета, на который информация передаётся по радиоканалу.
Так выглядит предлагаемая цифровая приборная панель, установленная в автомобиле Hyundai Getz (рис. 1), двигатель работает, автомобиль не движется, температура на улице около нуля.

Рис. 1. Цифровая приборная панель, установленная в автомобиле Hyundai Getz
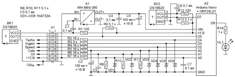
Устройство состоит из двух частей, блока передатчика и блока цифровой приборной панели. Схема блока передатчика показана на рис. 2.

Рис. 2. Схема блока передатчика
Функция передатчика заключается в сборе информации о параметрах работы автомобиля и передачи по радиоканалу на частоте 2,4 ГГц на приёмник цифровой приборной панели. Вся информация снимается с разъёмов штатной приборной панели, а сам блок передатчика расположен в нише за приборной панелью.
В блоке передатчика применён модуль на основе Arduino Nano + NRF24L01, напряжение питания этот модуль получает через драйвер А1, который понижает входное напряжение 12 В до 8 В. В устройстве присутствуют элементы, понижающие амплитуду входных сигналов с 12 В до напряжения, безопасного для микроконтроллера модуля Arduino Nano. Термодатчик ВК2 измеряет температуру внутри салона, а ВК1 - температуру окружающей среды, он вынесен из блока передатчика и установлен в колёсной арке между передним бампером и пластиковой защитой колёсной арки. Термодатчик ВК1 на микросхеме DS18B20 применён во влагозащищённом варианте (рис. 3), можно применить DS18B20 в корпусе ТО-92, но тогда придётся его как-то изолировать от воздействия внешней среды.

Рис. 3. Термодатчик ВК1
Передатчик собран на плате размерами 81 x46 мм, изготовленной из фольгированного с одной стороны стеклотекстолита толщиной 2 мм (рис. 4). Её чертёж и расположение элементов показаны на рис. 5. Плата размещена в корпусе размерами85x50x20 мм (рис. 6), приобретённом в интернет-магазине.

Рис. 4. Сборка передатчика на плате из фольгированного с одной стороны стеклотекстолита

Рис. 5. Чертеж печатной платы и размещение элементов на ней

Рис. 6. Размещение платы в корпусе
Схема цифровой приборной панели показана на рис. 7. Дисплей на схеме не показан, поскольку Arduino Mega 2560 и 3,95" LCD TFT-дисплей собирают сэндвичем и они представляют собой единый блок.

Рис. 7. Схема цифровой приборной панели
Продолжение следует
Автор: В. Киба, г. Волжский Волгоградской обл.