Автору статьи как-то подарили не совсем исправный самодельный регулируемый блок питания (БП) с установленными на лицевой панели стрелочными вольтметром и амперметром (судя по маркировке деталей, 1982 - 1985 г. сборки). При подключении к сети 220...230 В этот БП выдавал максимальное напряжение вне зависимости от положения регулятора.
В качестве регулирующего элемента для умощнения были параллельно включены два транзистора КТ803А, один из которых, как потом оказалось, был неисправен, а его участок "коллектор-эмиттер" почти накоротко замкнут. При отключении неисправного транзистора напряжение на выходе БП стало регулироваться. Однако при подключении мощной нагрузки (или при замыкании на выходе) этот БП мог выдать ток до 7 А, поскольку отсутствовали ограничение по выходному току и защита от короткого замыкания на выходе. Также отсутствовала плавкая вставка в цепи вторичной обмотки трансформатора. Было решено переделать этот БП с учётом обязательной защиты от перегрузки, с регулируемым ограничением максимального выходного тока, а также с защитой от замыкания на выходе.
Так как регулирующий транзистор КТ803А был уже установлен на мощном ребристом теплоотводе размерами 195x110 мм и изолирован от металлического корпуса устройства, было решено его оставить. Соединение общего минусового провода с металлическим корпусом устройства также накладывало некоторые ограничения на схемную компоновку стабилизатора напряжения. Поскольку в этом БП были применены не слишком малогабаритные, но вполне исправные оксидные конденсаторы ещё советского производства с минусовым выводом, соединённым с его корпусом, свободного места в корпусе устройства было не слишком много.
Большинство найденных в литературе стабилизаторов напряжения было собрано на основе регулирующего транзистора структуры p-n-p (П213- П217), но с плюсовым общим проводом. Попадались также схемы с регулирующим транзистором структуры n-p-n (КТ829А) или транзистором структуры p-n-p (П210 или П213-П217), но с минусовым общим проводом, что в данном случае меня также не устроило, поскольку не хотелось демонтировать уже установленный на теплоотвод исправный транзистор КТ803А. Поэтому стал искать в журнале "Радио" иные подходящие схемы. Интернет в качестве источника схем не рассматривал, поскольку уже неоднократно убеждался, что там может быть множество схемных ошибок и никто не гарантирует нормальную работу устройства, собранного по указанной схеме.
Во время поисков обнаружилась схема простого регулируемого стабилизатора напряжения с регулировкой ограничения выходного тока [1]. Однако там был плюсовой общий провод. Также в журнале "Радио" была найдена схема стабилизатора с простой защи-той от замыкания на выходе, также с плюсовым общим проводом [2]. Для индикации перегрузки по току была взята схема из [3] и немного доработана. Было решено использовать схемные решения из всех трёх найденных схем в регулируемом стабилизаторе напряжения с регулируемой защитой от перегрузки по току и с защитой от замыкания на выходе с минусовым общим проводом.

Рис. 1. Схема стабилизатора
Схема такого стабилизатора показана на рис. 1. Выпрямитель БП выполнен по классической схеме: мощный понижающий трансформатор (без маркировки) с плавкими вставками в цепях первичной и вторичной обмоток, мощный диодный мост на диодах Д242А, сглаживающие оксидные конденсаторы общей ёмкостью 4000 мкФ и на схеме не показаны.
Светодиод HL1 в схеме индицирует подачу напряжения с выпрямителя на вход стабилизатора. Узел индикации перегрузки потоку выполнен на транзисторе VT2 и светодиоде HL3.
Узел защиты стабилизатора от замыкания на выходе выполнен на транзисторе VT1. В исходном состоянии транзистор VT1 закрыт минусовым относительно эмиттера напряжением смещения на его базе. При замыкании плюсовой линии выхода питания с минусовым общим проводом эмиттер транзистора VT1 соединяется с ним и катодом диода VD1, на базе транзистора VT1 появляется положительное напряжение смещения. Транзистор VT1 открывается и вместе с резистором R4 шунтирует стабилитрон VD2. В результате регулирующий транзистор VT4 закрывается, тем самым понижая напряжение на выходе стабилизатора до нуля. Резистор R4 ограничивает ток коллектора транзистора VT1 и попутно является "источником питания" светодиода HL2 - индикатора замыкания на выходе.
При возникновении замыкания на выходе стабилизатора светодиод HL2 загорается ввиду возникновения небольшой, но вполне достаточной для свечения светодиода разницы потенциалов на выводах токоограничивающего резистора R4. Как только замыкание на выходе будет устранено, транзистор VT1 закрывается, светодиод HL2 гаснет, регулирующий транзистор VT4 открывается, и на нагрузке вновь появляется напряжение постоянного тока. Потребляемый стабилизатором от выпрямителя ток при замыкании на выходе стабилизатора - около 30 мА.
Переменным резистором R11 регулируют напряжение на выходе стабилизатора. Конденсатор С3 служит для дополнительного уменьшения пульсаций выходного напряжения.
Перед первым включением стабилизатора необходимо установить движок подстроечного резистора R7 в среднее положение, а движок подстроечного резистора R9 - в верхнее по схеме положение. Резистором R9 устанавливают нужный порог ограничения выходного тока при максимальном напряжении на выходе (при подключённых амперметре и нагрузке на выходе). Следует иметь в виду, что при увеличении сопротивления резистора R9 увеличивается верхний порог ограничения выходного тока. Если в процессе эксплуатации этого стабилизатора планируется изменять порог ограничения выходного тока, то резистор R9 закрепляют на лицевой панели БП. Если же не планируется изменять ранее установленный порог ограничения выходного тока, то резисторы R9 и R10 заменяют одним постоянным резистором, равным их суммарному сопротивлению, мощностью не менее 0,5 Вт. Подстроечным резистором R7 устанавливают нужный порог начала свечения индикаторного светодиода HL3, показывающего перегрузку по току (при подключённых амперметре и нагрузке на выходе). Временно в качестве нагрузки использовались проволочные резисторы сопротивлением 4,7 и 6,2 Ом мощностью 10 Вт как в одиночном, так и в последовательном включении. При ином выходном напряжении выпрямителя сопротивление резистора R5 подбирают с таким расчётом, чтобы ток через стабилитрон VD2 не превысил 5 мА.
Вместо МП38 (VT1) допустимо использовать только германиевый транзистор структуры n-p-n с максимальным допустимым напряжением коллектор-эмиттер не менее 15 В, максимальным током коллектора не менее 120 мА. Возможна замена МП38 на любой из серий МП35-МП38, ГТ404 или аналогичный импортный. На месте VT2 допускается использовать мало мощный кремниевый транзистор струк туры p-n-p с максимальным допустимым напряжением коллектор-эмиттер не менее 30 В, максимальным током коллектора не менее 100 мА, например, серии КТ3107 с буквенными индексами А-Д, И, К, 2SA1015, 2SA1266. Вместо КТ626А (VT3) допускается использовать кремниевый транзистор структуры p-n-p с максимальным допустимым напряжением коллектор-эмиттер не менее 35 В, максимальным током коллектора не менее 500 мА, например, серии КТ626 с индексами Б, В. Если этот транзистор при максимальной нагрузке будет чувствительно нагреваться, следует установить его на небольшой теплоотвод или применить более мощный транзистор, например, из серий КТ814, КТ816. На месте VT4 допустимо использовать мощный кремниевый транзистор структуры n-p-n с максимальным допустимым напряжением коллектор-эмиттер не менее 35 В, максимальным током коллектора не менее 10 А. Возможна замена КТ803А на КТ808, КТ819 с любыми буквенными индексами или аналогичный импортный. При ограничении выходного тока значением не более 2 А можно применить менее мощные транзисторы, например, КТ802А, КТ805А, КТ805Б или аналогичные импортные. Вместо 2SC1815 (VT5) допускается использовать маломощный кремниевый транзистор структуры n-p-n с максимальным допустимым напряжением коллектор-эмиттер не менее 35 В, максимальным током коллектора не менее 100 мА, например, серии КТ315 с индексами В-Е, И, Н, Р, 2SC3198, 2Т3167А.
Следует отметить, что для хорошего охлаждения транзистора VT4 требуется теплоотвод как можно большей площади. В случае отсутствия мощного теплоотвода потребуется установить вентилятор от компьютера, что, в свою очередь, повлечёт установку дополнительного понижающего стабилизатора на напряжение 9 или 12 В для его питания, например, на основе интегрального стабилизатора 7809 или 7812, а также лишний шум.
При встраивании этого стабилизатора в металлический корпус, если он соединён с общим минусовым проводом, не забудьте изолировать коллектор транзистора VT4 от теплоотвода или изолировать теплоотвод транзистора VT4 от корпуса БП.
Резистор R8 использован проволочный марки RWR мощностью 10 Вт в керамическом корпусе. Этот резистор вынесен за пределы платы стабилизатора и для дополнительного охлаждения закреплён металлическим хомутом на внутренней стороне металлического корпуса БП. Для уменьшения нагрева следует применить более мощный резистор. Также следует иметь в виду, что силовые провода, идущие к резистору R8, коллектору и эмиттеру транзистора VT4, а также общий силовой минусовый провод должны выдерживать ток не менее 5 А и быть соответствующего сечения.
Остальные постоянные резисторы - МЛТ или подобные. Подстроечный резистор R9 - ПП3-12 или подобный проволочный. Переменный резистор R11 может быть сопротивлением от 10 до 50 кОм.
Диоды VD1 и VD3 можно заменить любыми из серии 1Ы400х или подобными с максимальным током не менее 300 мА.
В качестве светодиодов HL1 и HL3 в этом экземпляре стабилизатора с целью минимизации количества дополнительных отверстий в лицевой панели был использован двухцветный светодиод с общим катодом зелёного и красного свечения на номинальное напряжение 2,5 В. При включении питания БП светодиод светит зелёным цветом, а при перегрузке по току - оранжевым. На месте HL2 был использован светодиод из серии АЛ307 красного свечения. В случае использования светодиодов иных марок и на иное напряжение сопротивления резисторов R1, R3 и R6 подбирают с таким расчётом, чтобы ток через светодиод не превысил 10 мА.
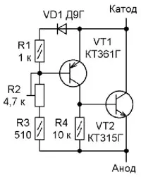
Напряжение стабилизации стабилитрона VD2 зависит от необходимого максимального напряжения на выходе стабилизатора и должно быть меньше на 2...3 В напряжения на входе. При отсутствии стабилитрона на нужное напряжение допускается последовательное включение нескольких низковольтных стабилитронов для набора нужного суммарного напряжения стабилизации. Когда под рукой нет нужного стабилитрона или "гирлянда" из стабилитронов получается слишком длинной, часто используют немного доработанную схему из [4] (рис. 2).

Рис. 2.
В регулируемом аналоге стабилитрона в качестве диода VD1 следует использовать только германиевый диод, например, из серии Д9, Д18, Д20. Вместо указанных на схеме транзисторов можно использовать любые комплементарные пары маломощных кремниевых транзисторов, в данном случае с максимально допустимым напряжением коллектор-эмиттер не менее 35 В и максимальным током коллектора не менее 50 мА, например, серий КТ361 и КТ315 с индексами В-Е, 2SA1015 и 2SC1815, а также 2SA1266 и 2SC3198. Нужное напряжение стабилизации такого "стабилитрона" устанавливают подстроечным резистором R2. Если постоянная регулировка напряжения стабилизации такого "стабилитрона" не требуется, резисторы R2 и R3 заменяют одним постоянным резистором сопротивлением, равным их суммарному сопротивлению. Для установки напряжения стабилизации 27...29 В потребуется замена резисторов R2 и R3 сопротивлением ориентировочно 100...120 кОм.
Печатная плата стабилизатора не разрабатывалась. Например, в этом экземпляре стабилизатора использовалась освобождённая от деталей плата кинескопа от старого телевизора. На плате по максимуму использовались нужные печатные проводники, скальпелем перерезаны ненужные, поставлены перемычки, просверлены отверстия под дополнительные радиодетали или стойки. Фотография собранной платы стабилизатора показана на рис. 3.

Рис. 3. Собранная плата стабилизатора
Внешний вид доработанного блока питания с этим стабилизатором показан на рис. 4.

Рис. 4. Внешний вид доработанного блока питания
Примечание: Поскольку обратное напряжение база-эмиттер для большинства германиевых транзисторов МП35-МП38 и серии ГТ404, рекомендованных автором к замене МП38 (УТ1 на рис. 1), не нормируется, перед установкой в стабилизатор ихнадо проверить, выдержат ли они максимальное выходное напряжение 27 В, которое может поступать в обратной полярности на эмит-терный переход транзистора VT1 в номинальном режиме. Для этого надо через резистор сопротивлением 10...20 кОм подать напряжение в пределах 45...50 В и измерить напряжение на эмиттерном переходе.
Литература
1.Захаров В. Простой стабилизатор напряжения. - Радио, 1979, № 3, с. 27.
2.Иванов Б. Конструкции юных радиолюбителей Монголии. Блок питания с защитой от коротких замыканий. - Радио, 1981, № 5-6, с. 57.
3.Нечаев И. Индикатор зарядки аккумуляторной батареи. - Радио, 2001, № 9, с. 55.
4.Александров И. Регулируемый аналог стабилитрона. - Радио, 1993, № 11, с. 39.
Автор: А. Шумилов, г. Архангельск