В журнале "Радио" была опубликована статья [1], описывающая аспект защиты локальных компьютерных сетей от грозы. В ней на рис. 1 приведена схема устройства, обеспечивающая грозозащиту входного устройства локальной сети. Я решил применить это устройство для защиты сетевой карты своего стационарного компьютера с небольшой доработкой. Доработка заключается в следующем. При отключении компьютера от сети 230 В локальная сеть от сетевой карты также отключается двумя реле с четырьмя переключающими контактами каждое. Отключение сетевого локального кабеля от оборудования повышает надёжность грозозащиты сетевой карты. Отключить локальную сеть от сетевой карты можно и при включённом компьютере отдельным выключателем. При этом вынимать разъёмы RJ45 из гнёзд не нужно, отключение производится с помощью реле. Конечно, в этот момент связи между компьютерами не будет, её можно будет восстановить, включив выключатель после прохождения грозового фронта.

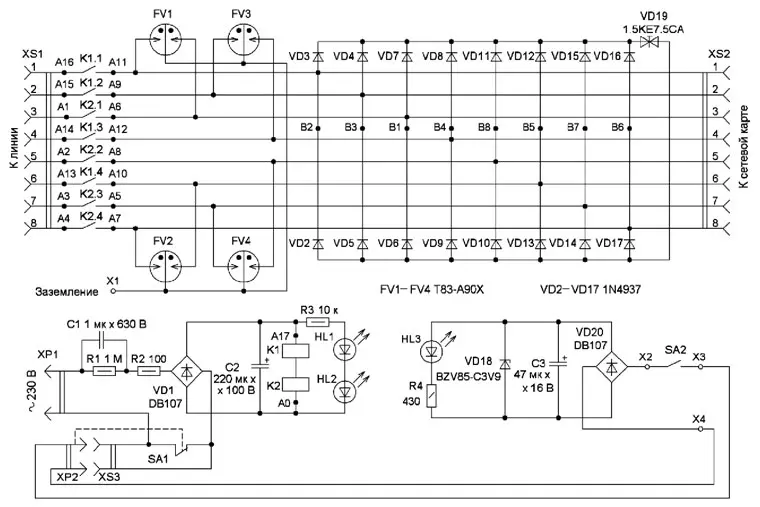
Рис. 1. Схема доработанного устройства
На рис. 1 показана схема доработанного устройства. Узел защиты от грозы оставлен без изменений, в него входят газовые разрядники FV1-FV4, диоды VD2-D17, супрессор VD19, гнёзда XS1 и XS2. Дополнительные элементы - это два реле K1, K2, конденсаторы C1, C2, диодный мост VD1, резисторы R1-R3 и два индикаторных светодиода HL1, HL2. В отдельном выключателе, который тоже дополнительный и подключается к блоку защиты двухпроводным кабелем с помощью вилки XP2 и розетки XS3, размещены индикаторный светодиод HL3, диодный мост VD20, стабилитрон VD18, конденсатор C3 и резистор R4. Светодиод HL3 загорается тогда, когда включены реле в блоке защиты. Выключатель подключается к блоку защиты в гнездо XS3, в нём предусмотрены блок-контакты SA1, размыкающиеся, если вилка XP2 вставлена в розетку XS3.
Работает доработанное устройство грозозащиты следующим образом. Устройство включено в разрыв интернет-кабеля, подключаемого к стационарному компьютеру. В гнездо XS1 подключается кабель от интернет-провайдера, а к гнезду XS2 подключают с помощью патч-корда сетевую карту компьютера. Сетевая вилка XP1 включена вместе с вилками от системного блока и монитора в сетевой фильтр переменного тока с несколькими розетками. Стационарный компьютер подключается к напряжению 230 В выключателем на сетевом фильтре. В розетках сетевого фильтра появляется переменное напряжение 230 В, оно поступает на монитор и системный блок стационарного компьютера. Также сетевое напряжение поступает на устройство грозозащиты, и реле включаются. Они своими контактами подключают кабель локальной сети к сетевой карте компьютера, при этом светят светодиоды HL1-HL3. Отдельным выключателем SA2 можно отключить локальную сеть от сетевой карты компьютера, соответственно все светодиоды погаснут. Такая ситуация возможна, когда проходит грозовой фронт. После окончания работы на компьютере его отключают программным способом. Напряжение 230 В также желательно отключить выключателем в сетевом фильтре, тогда и реле в устройстве защиты отключат локальную сеть от компьютера.
Детали, используемые в блоке защиты, такие же, как рекомендовано в [1].
Дополнительные элементы - реле РЭК34 паспорт КЩ 4.569.009-02, конденсатор C1 - серии К73-11 [2], конденсаторы C2, C3 - К50-35 или импортные, светодиоды - красного свечения с диаметром корпуса 3 мм. Гнездо XS3 должно иметь контакты, замыкающиеся при изъятии из гнезда штекераXP2. Стабилитрон VD18 - мощностью 1,3 Вт, постоянные резисторы - МЛТ, гнёзда XS1, XS2 - 8P8C для монтажа пайкой на плату.

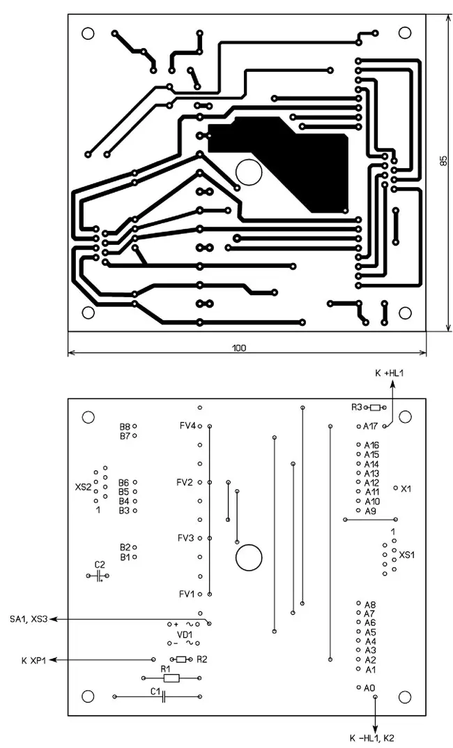
Рис. 2. Чертёж основной кросс-платы

Рис. 3. Чертёж печатной платы, на которой установлены реле
Все элементы устройства защиты смонтированы на нескольких платах, которые установлены в пластмассовый корпус размерами 100x85x35 мм. Для изготовления плат использован односторонний фольгированный стеклотекстолит толщиной 1,5 мм. На рис. 2 показан чертёж основной кросс-платы. На рис. 3 показан чертёж печатной платы, на которой установлены реле. На рис. 4 показана плата, на которой смонтированы диоды VD2-VD17 и супрессор VD19. Две последние платы устанавливают на основную плату перпендикулярно к ней. Для этого на этих платах в отверстия контактов А0-А17 и В0-В8 впаивают отрезки медного лужёного провода. Затем с помощью этих отрезков платы монтируют на основной плате.

Рис. 4. Чертёж латы, на которой смонтированы диоды VD2-VD17 и супрессор VD19

Рис. 5. Чертёж платы, которая размещена в отдельном выключателе
Плата, размещённая в отдельном выключателе, - показана на рис. 5, в нём она закреплена с помощью клея. В качестве отдельного выключателя использован одноклавишный выключатель для открытой проводки на напряжение 230 В. Вид на монтаж устройства в корпусе представлен на рис. 6. Внешний вид устройства в сборе с отдельным выключателем показан на рис. 7.

Рис. 6. Вид на монтаж устройства в корпусе

Рис. 7. Внешний вид устройства в сборе с отдельным выключателем
Собранное без ошибок устройство защиты в налаживании не нуждается.
Чертёж печатной платы устройства находится здесь.
Литература
1.Малород Д. Грозозащита локальных сетей. - Радио, 2004, № 2, с. 25-27.
2.К73-11. - URL: https://zapadpribor. com/k73-11/(28.07.22).
Автор: А. Вишневский, г. Луганск, ЛНР