Полезным прибором для настройки антенн и других ВЧ и СВЧ-элементов и цепей является векторный анализатор, который способен измерять комплексное сопротивление нагрузки Z как функцию частоты. По этим данным легко определить КСВ (в кабеле с известным волновым сопротивлением), резонансную частоту антенны и ширину полосы, а также наметить пути её настройки [1]. К сожалению, промышленные антенные анализаторы достаточно дорогие, особенно на УКВ и ДМВ-диапазоны. К тому же купленный анализатор может большую часть времени лежать без дела.
В статье рассматривается построение широкодиапазонного векторного анализатора на основе SDR-приёмника, подключаемого к компьютеру. Такие приёмники, например, RSP от SDRplay [2], включая дешёвые китайские клоны RSP1, RTL-SDR [3] и HackRF, достаточно широко распространены и обладают хорошими параметрами, некоторые из которых приведены в табл. 1. Приобретение такого приёмника весьма перспективно, поскольку его можно использовать не только по прямому назначению - для радиоприёма, но и для различной цифровой обработки радиосигналов.
Таблица 1
Приёмник | Диапазон частот | Примечание |
RTL-SDR (чип RTL2832U) | 25... 1700 МГц (1...25 МГц в DirectMode) | Восьмиразрядный АЦП до частоты 2,4 МГц. В диапазоне 1...25 МГц сильная неравномерность АЧХ без возможности программной коррекции. |
RSP от SDRPlay | 10 кГц...2 ГГц | 14-разрядный АЦП до частоты 8 МГц, восьмиразрядный АЦП до частоты 10 МГц. |
HackRF | 1 МГц...6 ГГц | Восьмиразрядный АЦП до частоты 12,5 МГц. |
В настоящей статье SDR-приёмник предлагается использовать в качестве синхронного вольтметра, поскольку его широкий частотный диапазон и запаспо чувствительности позволяют максимально упростить антенный анализатор. Для этого достаточно подключить SDR-приёмник к измерительному мосту и генератору ВЧ-сигнала. Преимущества SDR-приёмника по сравнению с диодными [4] и интегральными логарифмическими детекторами - линейность и частотная селективность, особенно полезные при работе с полноразмерными антеннами. При этом модернизировать SDR-приёмник не требуется, в любой момент он может быть использован по прямому назначению.

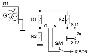
Рис. 1.

Рис. 2.
Для построения широкополосного векторного анализатора к SDR-приёмнику надо добавить ВЧ-генератор с устройством управления от компьютера и измерительный ВЧ-мост (рис. 1). Процесс измерения сопротивления Zx следующий. Компьютер настраивает ВЧ-генератор на заданную частоту fген, которая подаётся на измерительный мост с ВЧ-коммутатором SA1 (рис. 2). Сначала SDR-приёмник подключён ВЧ-коммутатором к опорной точке "О" моста. АЦП приёмника выдаёт в компьютер дискретные отсчёты сигнала sO [ i ]. В идеале это гармонический сигнал
sO [ i ] = O · u[ i ], u[ i ] = ехр( j (фо + i Δф)),
где j2 = 1, O - амплитуда сигнала; фо - начальная фаза; Δф - приращение фазы за период опроса АЦП, обусловленное отличиями в частотах настройки ВЧ-генератора и приёмника.
Параметры сигнала ВЧ-генератора фо, Δф заранее точно не известны. Поэтому первым делом по наблюдаемому фрагменту сигнала "О" выполняется их оценивание из условия

где arg ( x) - аргумент комплексного числа x.
Далее ВЧ-коммутатор на короткое время переключает приёмник в точку "A" моста (к антенне или другой измеряемой цепи или элементу) и записывает фрагмент сигнала sA [ i ] . В предположении, что частота и фаза генератора не менялись, определяются комплексные (с учётом фазы) амплитуды сигналов в точках "О" и "А" моста:

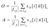
где IO и IA - интервалы индексов отсчётов АЦП, в которых заведомо находятся "опорный" и "антенный" сигналы. Вычисление этих сумм эквивалентно применению весьма узкополосного фильтра, отсекающего помехи. В результате по отношению найденных комплексных амплитуд сигналов A/O и известным параметрам моста рассчитывается сопротивление Zx.
В реальности имеют место случайные флуктуации частот генератора и приёмника. И чтобы предположение о постоянстве частоты генератора выполнялось, время переключения на точку "А" должен быть малым - единицы или доли миллисекунд. Тогда для обеспечения требуемого общего времени накопления сигнала возможно многократное переключение между точками "A" и "О". При этом знание параметров сигнала "О" как до, так и после переключения на антенну позволяет использовать более общие модели изменений сигнала генератора, например, включающие квадратичный набег фазы.
Из-за различного рода буферизации данных имеет место случайный сдвиг фактического и наблюдаемого на сигнале момента переключения. Поэтому на практике перед первым переключением приёмника в точку "А" моста дополнительно генерируется синхропауза - приёмник отключается от моста на 1 мс. Это позволяет программе по провалу амплитуды сигнала точно предсказать моменты переключения точек "А" и "О" на сигнале от SDR-приёмника.

Рис.3. Схема устройства управления с базовым ВЧ-генератором
Схема устройства управления с базовым ВЧ-генератором показана на рис. 3. Оно питается от USB-шины напряжением +5 В. При этом стабилизатор напряжения DA1 формирует напряжение +3,3 В для питания микроконтроллера (МК) DD1. На нём реализован преобразователь интерфейсов. МК принимает команды от компьютера по COM-интерфейсу (через переходник USB-COM) и преобразует их в команды, подаваемые на микросхемы генераторов ВЧ по цифровым интерфейсам I2C (линии SCL и SDA) и SPI (линии SCK, SDO, SDI и три линии выбора кристалла CS0, CS1, CS2).
Также МК формирует сигналы управления ВЧ-коммутатором измерительного моста "МostA" и "МostO". Различные микросхемы ВЧ-коммутаторов требуют различных уровней управляющих напряжений. Поэтому для универсальности сигналы "МostA" и "МostO" с выхода МК с уровнями +3,3 В преобразуются в соответствующие сигналы с уровнями +5 В и -5 В. Преобразование до +5 В реализовано на логических элементах DD3.1-DD3.4.
Для получения минусового напряжения питания МК вырабатывает на выходе RC2 меандр с частотой около 250 кГц. Элементы DD3.5, DD3.6 преобразуют этот сигнал до уровня +5 В, после чего он подаётся на умножитель напряжения на конденсаторах С11 - С14 и диодах VD3-VD6. На выходе преобразователя формируется напряжение около -8 В, из которого стабилизатор DA2 формирует стабильное напряжение -5 В, от которого питается микросхема DD4. Необходимый сдвиг входных логических уровней реализован на стабилитронах VD1 и VD2. Светодиод HL1 служит для индикации работоспособности устройства. Он включается на время, когда генератор формирует измерительный сигнал для SDR-приёмника.
Базовый ВЧ-генератор собран на модуле A1 с микросхемой SI5351A [5] или её китайском аналоге MS5351M. Он управляется по интерфейсу I2C и вырабатывает богатый нечётными гармониками сигнал в виде меандра в диапазоне частот 0,008...250 МГц. Наличие гармоник не мешает анализу линейных цепей, в том числе антенн. Такой ВЧ-генератор позволяет проводить анализ до частоты 250 МГц, а на гармониках - до 750 МГц и даже выше.
Продолжение следует
Автор: Н. Егошин, г. Рязань