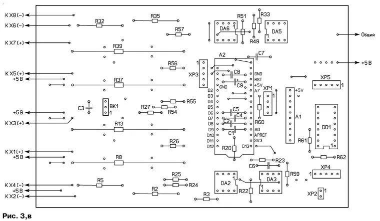
Большинство деталей устройства установлены на печатной плате из одностороннего фольгированного стеклотекстолита толщиной 1,5 мм, чертёж которой и схема размещения элементов показаны на рис. 3,а - рис. 3,в. Смонтированная плата показана на рис. 4 и рис. 5. Она рассчитана на установку постоянных резисторов МЛТ, С2-33, резисторов для поверхностного монтажа типоразмера 1206, конденсаторы С1, С2, С4, С5 - К10-17, С3, С6, С7, С8 - К73-17 или импортные аналоги. Конденсатор С9 - К50-35 или иностранный аналог, он установлен под модулем Arduino Nano, там же установлены и С1, С2, С4, С5 и С8. Arduino Nano устанавливается в панель, поэтому под ним достаточно места для размещения этих конденсаторов.
а)
б)
в)
Рис. 3. Чертёж печатной платы и схема размещения элементов на ней

Рис. 4. Смонтированная плата

Рис. 5. Смонтированная плата
Кнопки и светодиоды монтируют на отдельной печатной плате из одностороннего фольгированного стеклотекстолита толщиной 1,5 мм, чертёж которой показан на рис. 6. Светодиоды - двухцветные с общим анодом диаметром корпуса 3 мм. К сожалению, тип светодиода неизвестен, очень похожим является светодиод DFL3019RGW. По-скольку яркость свечения у светодиодов разная, красные подключены через токоограничивающие резисторы сопротивлением 3 кОм, а зелёные - через резисторы сопротивлением 300 Ом, чтобы получить жёлтый цвет при одновременном включении светодиодов. Собранная плата показана на рис. 7.

Рис. 6.
Чертёж печатной платы и схема размещения элементов на ней

Рис. 7. Плата в сборе
На плате установлены металлические плюсовые контакты для подключения аккумуляторов и сделаны отверстия для закрепления пружин, подтягивающих минусовые контакты к аккумуляторам. Поначалу к пружинам подключались минусовые провода, но при токе зарядки или разрядки на пружинах падало напряжение до 0,7 В, из-за этого микроконтроллер неправильно считывал пороги отключения зарядки/разрядки. Поэтому пришлось припаять провода к металлическим площадкам минусовых контактов. Собранное устройство показано на рис. 8. Размеры корпуса - 180x100x50 мм.

Рис. 8. Устройство в сборе

Рис. 9. Второй корпус взят от недорогого зарядного устройства

Рис. 10.
Корпус сделан из двух доработанных корпусов, первый - размерами 150x100x50 мм, от верхней части отрезан фрагмент длиной 90 мм, и в нём вырезано отверстие размерами 80x52 мм для крепления дисплея, который закреплён в корпусе с помощью термоклея, а к выводам дисплея припаяна плата модуля А3. От остатков верхней части отрезан кусок длиной 30 мм и дихлорэтаном приклеен к нижней части корпуса. Второй корпус взят от недорогого зарядного устройства, показанного на рис. 9. Из него вырезаны ячейки для подключения аккумуляторов и приклеены к верхней части корпуса, как показано на рис. 10.
На стенке со стороны аккумуляторов сделаны отверстия для прохождения потока воздуха, охлаждающего нагрузочные резисторы. На стенке со стороны дисплея закреплены два вентилятора размерами 25x10 мм, для них в стенке сделаны вентиляционные отверстия. Вентиляторы и крышка установлены на задней стенке с отверстиями (рис. 11), там же установлен разъём питания, который может быть любым подходящим. В моём устройстве установлен USB-разъём TYPE-C, показанный на рис. 12. На нём установлена плата с контактами подключения и для удобства программирования (чтобы не разбирать прибор) с модуля Arduino Nano СН340, вывод 5(D+), вывод 6(D-) проводами были подключены к соответствующим контактам USB-разъёма питания, но это по желанию конечного пользователя. Расположение элементов внутри устройства показано на рис. 13.
Налаживания устройство не требует, и если оно собрано без ошибок, после сборки сразу начинает работать. При первом включении и программировании данные надо внести в EEPROM микроконтроллера, в скетче в функции SETUP перед строкой EEPROM_ Read(); разблокировать строку EEPROM_Write(); и после программирования и запуска программы заблокировать эту строку и снова запрограммировать модуль Arduino Nano.
Все библиотеки, которые применены в программах, можно загрузить с сайта GitHub (https://github.com/ ru-doc).

Рис. 11. Вентиляторы и крышка установлены на задней стенке с отверстиями

Рис. 12. USB-разъём TYPE-C

Рис.13. Расположение элементов внутри устройства
Программы для программирования Arduino Nano, чертежи печатной платы в авторских вариантах находятся здесь.
Автор: В. Киба, г. Волжский Волгоградской обл.