В аппарате контактной сварки, описание которого напечатано в [1], во время эксплуатации выявлены и исправлены мелкие недостатки в работе. Была улучшена форма импульса при переходе переменного напряжения сети через ноль с помощью микросхемы BP5131D [2]. Было замечено несанкционированное включение сварки из-за помех, создаваемых аппаратом. Для устранения этого недостатка был установлен дополнительный резистор (сопротивление внутреннего подтягивающего резистора в микроконтроллере слишком велико) на вход D12. Также "плавал" импульс отключения симистора (время прожига), задаваемый оператором millis, это было замечено ещё в программе часов-метеостанции [3], но там это было не критично, а здесь как-то напрягало, результат работы был нестабильный. Поэтому пришлось отказаться от millis и изменить время отключения симистора на MsTimer2, результат стал теперь стабильный. Соответственно была скорректирована программа.

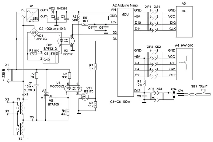
Рис. 1. Изменённая схема аппарата

Рис. 2. Чертёж печатной платы
Изменённая схема аппарата показана на рис. 1, а чертёж печатной платы - на рис. 2.
Скетчи для Arduino Nano, чертёж печатной платы в программе SprintLayout находятся здесь.
Литература
1.Киба В. Аппарат для контактной сварки. - Радио, 2022, №6, с. 28-31.
2.Нечаев И. Детекторы перехода сетевого напряжения через ноль на стабилизаторах тока и оптронах. - Радио, 2022, № 7, с. 36, 37.
3.Киба В. Цифровые часы- метеостанция с сенсорным управлением. - Радио, 2022, № 2, с. 33, 34.
Автор: В. Киба, г. Волжский Волгоградской обл.