радиционно ресурс силового агрегата автомобиля отсчитывают по пробегу, поэтому вся система технического обслуживания проводится с учётом пройденного автомобилем расстояния. Однако в некоторых регионах нашей страны, когда в холодное время года многие автомобили ночуют на открытых автостоянках и во дворах, для того чтобы все агрегаты машины вошли в нормальный температурный режим, требуется обязательный прогрев двигателя перед поездкой. Наличие пробок на дорогах, особенно в крупных городах, делает зависимость продолжительности работы двигателя от пробега не совсем точной.
В настоящее время в интернет-магазинах можно приобрести самые разные счётчики моточасов разных производителей. Предлагаемый вниманию читателей счётчик моточасов встроен в корпус обычного автомобильного зарядного устройства с USB-разъёмом и отсчитывает время работы двигателя в зависимости от напряжения в бортовой сети. Сброс и запуск отсчёта времени осуществляются сервисной кнопкой, выбор значений максимального интервала времени задаётся проволочными (или из припоя) перемычками на плате устройства, а индикация работы осуществляется одним двухцветным светодиодом. Также предусмотрена функция предупредительной индикации о скором окончании времени отсчёта.
Питание счётчика осуществляется напряжением 5 В от USB-разъёма зарядного устройства, подключаемого к бортовой сети автомобиля и в корпус которого встроен сам счётчик.
Алгоритм работы счётчика таков, что при работающем двигателе автомобиля, когда напряжение в бортовой сети не менее 13 В, внутренний счётчик микроконтроллера (МК) отсчитывает заданное время (короткие зелёные вспышки светодиода), а по достижении значения, равного трём и менее часам до окончания заданного интервала времени, светодиод начинает сигналить попеременно зелёным и красным. Когда время наработки моточасов достигнет порогового значения, светодиод будет мигать красным при увеличенной частоте вспышек. При отсутствии напряжения в бортсети или его снижении менее 13 В счётчик не работает, а текущие значения часов и минут сохраняются в энергонезависимой памяти МК.
Сброс и последующая установка значений, заданных ранее перемычками на плате (200 ч, 250 ч, 300 ч, 350 ч), выполняются с помощью сервисной кнопки, на которую необходимо перед включением в бортовую сеть нажать. Подтверждением сброса и записи новых значений станут три коротких красных сигнала, при появлении которых кнопку можно отпустить. Если напряжение в бортовой сети превышает 13 В, отсчёт нового заданного времени начнётся сразу, что будет подтверждено миганием зелёного кристалла светодиода. Если же напряжение в бортовой сети менее 13 В, сброс и запись новых значений в МК будут осуществлены (также подтвердится тройным миганием красного светодиода), но отсчёт времени не начнётся, о чём будет свидетельствовать отсутствие свечения зелёного кристалла светодиода.
Если при самом первом включении счётчика в бортовую сеть, когда в EEPROM МК все ячейки имеют значения 0xFF, сервисная кнопка нажата не будет, светодиод будет постоянно светить красным, что будет являться напоминанием о необходимости произвести сброс и запись параметров с помощью сервисной кнопки.

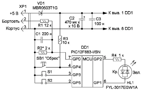
Рис. 1. Схема счётчика
Схема счётчика показана на рис. 1, его основой является МК DD1. В его работе для отсчёта заданного времени задействованы таймер TMR1 и прецизионный внутренний тактирующи й RC-генератор, настроенный на частоту 125 кГц. Генератор калибруется на заводе и способен стабильно работать в широком интервале температур. В состав счётчика, помимо МК, защитного диода VD1 и сглаживающих конденсаторов C2, C3, входят сервисная кнопка SB1 с подтягивающим резистором R3, делитель напряжения R1R2, напряжение с которого поступает на вход встроенного в МК компаратора, и конденсатор С1, который служит для повышения помехозащищённости. За индикацию отвечает двухцветный светодиод HL1 с токоограничивающим резистором R4.
При снижении напряжения в бортовой сети менее 13 В или отключении питания значения часов и минут сохраняются в EEPROM МК. Время, необходимое для процедуры записи значений, поддерживается питанием МК за счёт энергии, запасённой в конденсаторе С2.ДиодVD1 препятствует разрядке этого конденсатора через цепи зарядного устройства.
В процессе сборки и установки элементов на плату, помимо программирования МК, для выбора нужного времени работы счётчика необходимо будет замкнуть каплей припоя (или отрезками провода) нужные контактные площадки на корпус. Значения времени и соответствующее состояние контактных площадок приведены в таблице. При налаживании счётчика может потребоваться подборка резистора R2 для точной установки порога срабатывания компаратора МК при напряжении бортсети 13 В.
Таблица
Время, ч | 200 | 250 | 300 | 350 |
S1 | 1 | 0 | 1 | 0 |
S2 | 1 | 1 | 0 | 0 |
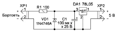
Если счётчик планируется устанавливать в корпус, где отсутствует понижающий преобразователь на 5 В, необходимо будет добавить простейший стабилизатор напряжения 5 В с цепью защиты от скачков напряжения в бортовой сети автомобиля. Схема стабилизатора показана на рис. 2.

Рис. 2. Схема стабилизатора

Рис. 3. Чертеж печатной платы устройства

Рис. 4. Схема размещения элементов на плате устройства
Большинство деталей установлено на печатную плату из двухстороннего фольгированного стеклотекстолита толщиной 1 мм, её чертёж показан на рис. 3, а схема размещения элементов - на рис. 4. Чёрные отверстия означают, что через них с помощью отрезков провода соединены печатные проводники обеих сторон. Применены резисторы и неполярные конденсаторы для поверхностного типоразмера 0805, оксидный конденсатор - импортный, диод может быть любой выпрямительный Шоттки, кнопка - IT-1185AP.
Плата установлена в корпус автомобильного зарядного устройства с USB-выходом. Из-за ограниченного пространства внутри корпуса конденсатор С2 пришлось подключить с помощью отрезков изолированного провода на проводах и разместить на свободном месте среди компонентов штатного зарядного устройства, а сервисную кнопку SB1 расположить на свободном месте внутри на стенке корпуса. Она закреплена термоклеем, а в корпусе (рис. 5) сделано отверстие для доступа к толкателю кнопки.

Рис. 5.
Hex-файл для программирования микроконтроллера, чертежи печатной платы в авторских вариантах находятся здесь.
Автор: В. Суров, г. Горно-Алтайск