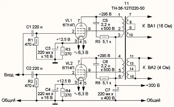
Параллельное соединение усилительных элементов давно применяют в усилительной (и не только) технике. В статье речь пойдёт о параллельном включении ламп в оконечном усилителе звуковых частот. В отличие от непосредственного соединения всех электродов ламп, здесь применено опосредованное сложение мощности ЗЧ-сигнала в выходном трансформаторе, в качестве которого применён накальный трансформатор ТН-36-127/220-50 или другой более мощный, например ТН-46-127/220-50, имеющий две секции первичной обмотки с отводами. Как следует из схемы, показанной на рисунке, предлагаемое параллельное включение электровакуумных приборов позволяет реализовать и ультралинейную схему, подключив экранные сетки ламп к отводам анодных обмоток выходного трансформатора. Диапазон частот УМЗЧ - 30...18000 Гц, максимальная выходная мощность - 5 Вт при коэффициенте нелинейных искажений не более 1 %.

Рис. Схема устройства
Соединение экранных сеток с анодами превращает пентоды (тетроды) в триоды со всеми вытекающими последствиями: уменьшаются выходное сопротивление, коэффициент усиления и улучшается демпфирование нагрузки. С другой стороны, непосредственная подача анодного напряжения на экранные сетки пентодов (тетродов) приводит к увеличению коэффициента усиления каскада и выходного сопротивления. Получить достоинства обоих вариантов включения можно, если использовать промежуточный ультралинейный режим, подключив экранную сетку к части витков первичной обмотки выходного трансформатора. Цепи R5C5 и R6C6 выравнивают сопротивления нагрузки ламп на средних и высоких частотах. Вторичные обмотки трансформатора используются для подключения нагрузок (громкоговорители, АС) с различным сопротивлением путём комбинации последовательного и(или)параллельного их соединения.
Многим импонирует звучание однотактных ламповых усилителей, ограниченной оказывается лишь выходная мощность, которую можно увеличить, например, предлагаемым способом. Изготовив специальный выходной трансформатор с несколькими обмотками, можно подключить и более двух ламп, заставив их отдавать мощность на общую нагрузку. Отсутствие гальванической связи между управляющими сетками выходного однотактного каскада и отдельные обмотки в выходном трансформаторе позволяют снизить требования к идентичности (подбору) усилительных приборов.
В усилителе можно применить лампы 6П18П. Резисторы - МЛТ, С2-23, конденсаторы С1 и С2 - серий МБГО или К73, С3, С4 - оксидные К50-35 или импортные, С5 и С6 - КСО, С7 - оксидный импортный. При применении выходного трансформатора, специально рассчитанного для применения с этими лампами, параметры усилителя могут быть улучшены. Несмотря на то, что тщательный подбор ламп усилителя для использования в группе не является необходимым, идентичность других деталей в аналогичных цепях является желательной.
В усилителе можно применить и более мощные аудиофильские радиолампы, в том числе и зарубежные, помня о том, что энергопотребление УЗЧ в целом будет таким, как одного каскада, умноженное на число параллельных каскадов.
Блок питания должен обеспечить УМЗЧ напряжением 300 В при токе 150 мА и накал радиоламп.
Автор: В. Беседин, г. Тюмень