Описываемое разрядное устройство позволяет разряжать Li-Ion аккумуляторы, а также аккумуляторные батареи с числом аккумуляторов от двух до четырёх. Оно может быть полезно для определения ёмкости таких аккумуляторов и батарей.
Разрядное устройство разработано как приставка к эквиваленту нагрузки [1, 2], его схема приведена на рис. 1. Основа этого устройства - микросхема DA1 и транзистор VT1. Эти элементы образуют триггер, включаемый при подключении к нему разряжаемого аккумулятора и выключающийся при снижении его напряжения до необходимого значения.

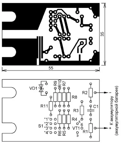
Рис. 1.
Применена микросхема TL432 (DA1), параллельный стабилизатор напряжения, так называемый "регулируемый стабилитрон", её отличие от широко известной TL431 (КР142ЕН19) - вдвое меньшее напряжение, которое она может стабилизировать, - 1,25 В. Кроме того, минимальный ток через микросхему, при котором возможна стабилизация, равен 100 мкА.
Работает устройство так. При подключении к его входу аккумулятора ток зарядки конденсатора С1 протекает через эмиттерный переход транзистора VT1 и открывает его. Транзистор через делитель R4-R10 передаёт часть напряжения аккумулятора на вход микросхемы DA1. Если на этот вход поступает напряжение более 1,25 В (порог её включения), ток микросхемы DA1 через резистор R3 поддерживает транзистор VT1 в состоянии насыщения после зарядки конденсатора С1.
Напряжение с коллектора VT1 через резистор R11 поступает на затворы транзисторов сборки VT2 и открывает их, начинается разрядка аккумулятора через эквивалент нагрузки.
Когда аккумулятор разрядится до минимально допустимого для него уровня, напряжение, поступающее с делителя R4-R10 на вход, станет недостаточным для поддержания микросхемы DA1 во включённом состоянии, через микросхему начнёт уменьшаться, и транзистор VT1 начнёт выходить из насыщения. Возникает лавинообразный процесс выключения, и транзисторы VT1 и VT2 скачком закроются.
Напряжение окончания разрядки определяется включённой частью делителя R4-R10. При установке перемыч ки S1 на нижние по схеме контакты оно равно 2,8 В (один Li-Ion аккумулятор), при установке на верхние - 4 х 2,8 = 11,2 В (батарея из четырёх аккумуляторов). Фактически верхняя пара контактов служит только для хранения перемычки при разрядке такой батареи.
Резисторы делителя R4-R7, R9 нужно подобрать с отклонением от сопротивления, указанного на схеме рис. 1, не более 1 %, при этом желательно подобрать резисторы R4-R6 с возможно близким сопротивлением. Резисторы R8 и R10 можно исходно установить с допуском 5 % на длинных выводах, при необходимости уточнить их сопротивление. Номиналы резисторов R4-R7, R9 выбраны из комплекта с допуском 1 %, приобретённого в Али-экспрессе.
Применена транзисторная сборка FS8205A (VT2), два транзистора которой соединены параллельно, и каждый из которых может пропускать ток 6 А. При подборе её замены необходимо использовать транзистор с малым пороговым напряжением, можно рекомендовать аналогичные сборки FS8205, GTT8205S, также содержащие по два транзистора, которые нужно соединить параллельно. Неудобство указанных микросхем в том, что они выпускаются только в корпусах для поверхностного монтажа и имеют малый шаг выводов - 0,65 мм у FS8205A, 1 мм у FS8205 и GTT8205S. Из транзисторов в корпусе ТО-220 и подобных можно рекомендовать попробовать IRL540 и другие, имеющие в наименовании букву L.
Микросхему TL432 необходимо использовать только такую, у которой в параметрах в явном виде указано пороговое напряжение 1,24 или 1,25 В. Если верить справочным данным на микросхемы TL432 фирмы Texas Instruments 2018 г., то это - микросхемы TL431 с другой цоколёвкой и стабилизируемым напряжением 2,5 В. В справочных данных микросхем TL432 фирм UMW и HTC указано напряжение 1,24 или 1,25 В, однако при фактическом совпадении цоколёвки есть разночтения в нумерации выводов ток микросхем (рис. 2).

Рис. 2.
В качестве переключателя числа разряжаемых аккумуляторов в батарее в плату впаяны два отрезка линеек с четырьмя штырями каждый, в качестве замыкателя использована стандартная перемычка-"джампер", можно использовать и любой подходящий малогабаритный переключатель.
На месте транзистора VT1 (КТ3107А) можно применить практически любой маломощный кремниевый структуры p-n-p, на месте стабилитрона VD1 (КС162А) - практически любой малогабаритный на напряжение от 5 до 10 В, не обязательно симметричный.

Рис. 3.
Все детали устройства установлены на печатной плате из фольгированного с одной стороны стеклотекстолита толщиной 1,5 мм. Её чертёж и расположение элементов со стороны, противоположной стороне печатных проводников, приведены на рис. 3.
Со стороны печатных проводников установлены микросхема и транзисторная сборка (рис. 4). Контактные площадки для установки FS8205A представляют собой три проводника шириной 1 мм с зазорами 0,2...0,3 мм между ними и длиной 12 мм. К среднему проводнику подпаяны четыре средних вывода сборки - истоки транзисторов, к боковым - по два вывода объединённых в корпусе стоков и затворов. Первый вывод транзисторной сборки отмечен на рис. 4 чёрной точкой.

Рис. 4.

Рис. 5.
Если удлинить площадки, можно установить параллельно две микросхемы, что позволит улучшить тепловой режим их работы и увеличить ток разрядки испытуемых аккумуляторов. Фотография собранной платы приведена на рис. 5.
Вырезы на плате позволяют закрепить её на корпусе эквивалента нагрузки с помощью его входных зажимов (рис. 6).

Рис. 6.
Для подключения разряжаемого аккумулятора в плату впаяны штыревые контакты диаметром 1,5 мм от разъё ма 2РМ. К ним с помощью контактных гнёзд от такого же разъёма подсоединяют проводники сечением не менее 1 мм2 возможно меньшей длины к разряжаемым аккумуляторам.
Для проверки работы устройства вместо аккумулятора к входу следует подключить регулируемый источник питания, а вместо эквивалента нагрузки - светодиод с ограничительным резистором. Установив перемычку на контакты "4" и уменьшая от 12 В подаваемое от источника напряжение, проверить, что светодиод выключается при напряжении 11,2±0,4 В. Если напряжение отключения отличается от указанного значения, следует подобрать резистор R10.
Установив перемычку на контакты "1" и уменьшая подаваемое от источника напряжение от 4 В, проверяют, что светодиод выключается при напряжении 2,8±0,1 В. Если напряжение отключения отличается от указанного значения, следует подобрать резистор R8.
Опыт изготовления устройства с использованием резисторов с указанными номиналами и допусками показал, что пороги выключения получились в нужных пределах и дополнительного подбора резисторов не потребовалось. Для ускорения разрядки конденсатора С1 полезно параллельно ему или на входе устройства установить резистор с сопротивлением от 510 кОм до 1 МОм.
Для более плавной и точной установки тока в эквиваленте нагрузки автор заменил переменный резистор R2 470 Ом на десятиоборотный сопротивлением 10 кОм, приобретённый в Алиэкспрессе. Для сохранения интервала регулировки тока он зашунтирован резистором сопротивлением 490 Ом, подобранным из резисторов 510 Ом.
Литература
1.Бирюков С. Универсальный эквивалент нагрузки. - Радио, 2022, № 4, с. 12-15.
2.Бирюков С. Усовершенствование эквивалента нагрузки. - Радио, 2022, № 6, с. 31,32.
Автор: С. Бирюков, г. Москва