Заглянул в свою радиолюбительскую кладовку, чтобы уточнить, что же есть в наличии и что нужно, а что уже не понадобится. Вот стоят вышедшие из строя системные блоки ПК, на базе которых можно собрать усилители мощности, а вот что-то большое и тяжёлое. Да это же - устройство симметрирования и согласования (УСС) от радиостанции Р-140 "Берёза" [1]. В библиотеке нашлась техническая документация на него. Из описания следует, что таких антенн, для которых предназначено это УСС, на моей усадьбе не предвидится, да и специфика предлагаемых вариантов согласований тоже не подходит, а масса - более 60 кг. А вот детали в нём интересные. Используя некоторые из них, а также системный блок от ПК, без особых дополнительных затрат можно изготовить L-тюнер (Г-образный тюнер) для диапазонов 160-10 метров, рассчитанный на выходную мощность передатчика до 1 кВт. Для этого потребуется доработка приводов конденсатора переменной ёмкости (КПЕ) и цилиндрического вариометра (переменной катушки индуктивности), надо добавить КСВ-метр и источник питания с выходным напряжением 27 В для питания электропривода вариометра. При желании КСВ-метр можно дополнить измерителем проходной мощности, как это сделано в [2].

Рис. 1. Внешний вид тюнера
Внешний вид тюнера показан на рис. 1. Принцип работы тюнера сво-дится к приведению сопротивления нагрузки на выходе тюнера к эквивалентному сопротивлению 50 Ом на его входе посредством настройки вариометра и КПЕ, входящими в его состав для получения минимума КСВ.

Рис. 2. Схема тюнера
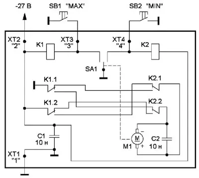
Схема собственно тюнера показана на рис. 2. Он содержит вариометр L1, настраиваемый с помощью электропривода или вручную, КПЕ C6, КСВ-метр с микроамперметром РА1, с помощью которого контролируется настройка тюнера, и индикатор выхода (РА2), цепи которого также служат для снятия статического электричества. Дополнительный конденсатор C7 подключается автоматически за счёт коммутирующего устройства самого КПЕ. Схема электропривода показана на рис. 3. Использован электропривод от УСС радиостанции Р-140 "Берёза". Его конструкция предусматривает остановку настройки индуктивности при достижении её крайних значений.

Рис. 3. Схема электропривода
Введение дополнительной коммутации КПЕ с выхода тюнера на выход КСВ-метра позволит получить два интервала согласования сопротивлений нагрузки. Когда КПЕ подключён к выходу тюнера, согласуемые сопротивления должны быть больше, чем 50 Ом, когда после КСВ-метра - меньше, чем 50 Ом. Сигнал передатчика подают на один из разъёмов XW1 или XW2, а антенну подключают к одному из коаксиальных разъёмов XW3, XW4 или разъёму XT1 проводным снижением). клемма ХТ2 предназначена ключения заземления и/или весов.
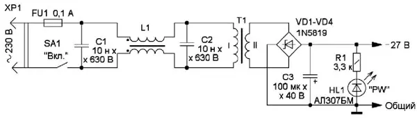
Для питания электропривода вариометра применён трансформаторный источник питания, выполненный по двухполупериодной схеме с простым фильтром помех на входе (рис. 4). Источник питания питается от сети переменного тока 230 В.

Рис. 4.
Конструкция и детали. Сначала дорабатывают корпус системного блока ПК. Для этого удаляют всю его "начинку", переднюю пластиковую панель, а также внутренние металлические и пластиковые детали таким образом, чтобы остался коробчатый остов корпуса с верхней и нижней панелями, а также плоскими передней и задней панелями. Боковые панели не дорабатывают. В процессе монтажа в передней панели корпуса делают отверстия для ручных приводов КПЕ и вариометра, для микроамперметров КСВ-метра и измерителя выхода, а в задней панели - отверстия для разъёмов и сетевого кабеля (рис. 5). В удобном месте можно закрепить ручку для переноски.

Рис. 5.
Продолжение следует
Автор: Григорий Ксенз (UR4MU), г. Северодонецк, ЛНР