Итак, основные, неоднократно повторяющиеся проблемы.
Неисправности печатающей головки
Каталожный номер печатающей головки - 4YA4025 -1401G1 (Print head).
Как и в случае с печатающей головкой принтера "OKI Microline 320FB" эта печатающая головка также неремонтопригодна, со всеми вытекающими отсюда проблемами.
Сопротивление катушек такое же - 18,8 Ом. И точно так же возможно зависание принтера при срабатывании схемы температурного контроля головки (табл. 1).
Позволю себе не повторяться, описывая процесс замены головки, он почти полностью повторяет последовательность в 320-й модели, только смотреть надо не спереди, а сверху.
Таблица 1
| Состояние | Состояние индикаторов на передней панели принтеров | Причина возникновения | Рекомендуемые действия | ||||
| Alarm | Sel | Menu | 10 cpi | 15cpi | |||
| Конец бумаги | индик. свет. | - | - | индик. миг.1 | - | Нет бумаги или лист уже закончился | Вставить новый лист |
| Неверно установлен рычаг выбора типа бумаги | индик. свет. | индик. не свет. | - | индик. миг.1 | индик. не свет. | Несоответствие установки рычага и типа бумаги | Установить рычаг в нужную позицию, заменить сенсор рычага, заменить плату управления |
| Замятие листа бумаги | индик. свет. | индик. не свет. | - | индик. миг.1 | индик. не свет. | Не выведен или неправильно заправлен предыдущий лист | Удалить бумагу или проверить подающий механизм. Нажать кнопку Sel |
| Перегрев печатающей головки | индик. не свет. | - | индик. миг.1 | - | - | Температура печатающей головки превышает 119°С | Поменять печатающую головку или плату управления |
| Перегрев двигателя каретки | индик. не свет. | - | индик. миг.1 | - | - | Температура двигателя каретки превышает допустимый уровень | Поменять двигатель каретки или плату управления |
| Перегрев двигателя подачи бумаги | индик. не свет. | - | индик. миг.1 | - | - | Температура двигателя подачи бумаги больше допустимого уровеня | Поменять двигатель подачи бумаги или плату управления |
| Фатальная ошибка | индик. миг.2 | индик. не свет. | индик. не свет. | - | - | Неисправна плата управления | Заменить плату |
Примечание:знаки 1, 2 в таблице означают:
индик.миг.1-период мигания 800 мс, (400мс-светится, 400мс-нет);
индик.миг.2-период мигания 400 мс, (200мс-светится, 200мс-нет);
"-"-могут принимать любые значения, но не меняться;
индик.свет.-индикатор светится;
индик. не свет.-индикатор не светится;
Неисправности узла каретки
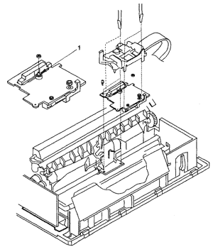
Здесь я должна рассказать грустную историю. Не так давно, сочиняя обзорную статью о принтерах, я допустила одну неточность. А было это так. При включении принтера каретка не находит HP, забивается в левый угол и "рычит". Если принудительно ограничить ее движение раньше крайнего левого положения, то она ведет себя должным образом. Выяснилось, что износились зубцы позиционирующей линейки, я ее и поменяла, принтер заработал, но....нам было суждено встретиться еще раз при менее благоприятных обстоятельствах. Пришлось разбираться заново. Виновником моего профессионального позора оказался прижимной ролик (рис. 1). Расположен он под двигателем каретки, и чтобы до него добраться, нужно отвинтить пару винтов 1 (рис. 2). Узел перемотки красящей ленты и двигатель можно снимать, не отделяя один от другого. Для того чтобы достать прижимной ролик, этого не нужно.

Рис. 1
Расборка принтера

Рис. 2
Расборка принтера
Если при включении питания ваш принтер злобно "рычит" и трясется, не делая попыток сдвинуться с места, - скорее всего, неисправен сам двигатель.
Его каталожный номер - 4YX4025 - 1800G2 (Space motor assembly).
Если движение все-таки есть, пусть он даже ловит HP в самых неожиданных местах с соответствующим смещением текста при печати, то обычно виноват прижимной ролик.
Его каталожный номер - 4РА4025 - 3718G1 (Back up roller holder assy).
И наконец, не помешает поближе познакомиться с левой частью позиционной линейки: что-то в последнее время участились жалобы (и небезосновательные) на ее поведение.
Каталожные номера различных ее вариантов следующие:
Неисправности узла подачи бумаги
В этом узле неожиданно оказалось обилие проблем:

Рис. 3
Вид платы управления
Неисправности блока питания
Серьезных неисправностей блока питания не было ни одной, если не считать таковой сработавший предохранитель. Тем не менее плату, на которой он смонтирован, доставать все-таки придется, так как на ней кроме источников питания находится микросхема ПЗУ 27С4002. Проверьте пайку этой микросхемы, если с ней не все в порядке, вы получите следующую ситуацию: индикацию "Питание вкл." и ничего более. Если пайка в порядке, скорее всего вышла из строя сама микросхема. Впрочем, если у вас есть программатор, поддерживающий этот тип микросхем, то и перезаписать данные не составит особого труда.
Неисправности платы управления двигателями
Как ни странно, здесь преобладают механические повреждения: то ли сама подложка тонка, то ли неудачно расположена, но не раз уродливые трещины перечеркивали все возможности ее восстановления. Индикация при такой неисправности не поддается систематизации. Если ваш принтер ведет себя как подвыпивший бурсак, проверьте целостность платы. Кстати, проверить качество пайки здесь тоже не помешает, особенно у разъема "Centronics".
Из электронных проблем, возникающих на этой плате, выделяется неисправность узла управления кареткой. Возникает она благодаря отсутствию профилактики и приводит к необходимости замены предохранителя F1 (1 А) и микросхемы НА13412.
Если отсутствует связь между принтером и компьютером, проверьте входную микросхему типа 74LS06. Появлению этой неисправности способствует пренебрежение мерами безопасности при подключении принтера.
И последнее, закончив ремонт и устанавливая плату, придержите датчик РЕ (2 на рис. 3), иначе его можно зажать намертво, а если не жалеть усилий, то и деформировать.
В заключение ознакомьтесь с таблицами (табл. 1 и 2) возможных неисправностей, перечисленных в начале статьи с искренним пожеланием никогда ими не воспользоваться.
Источник
Автор: Т. Таченова