Акустическое оформление громкоговорителей можно представить как фильтр ВЧ, поэтому наблюдается не только спад амплитудно-частотной характеристики (АЧХ) в области низких частот (от 12 до 24 дБ на октаву), но и соответствующее изменение фазочастотной характеристики (ФЧХ). В зависимости от добротности НЧ-головки в акустическом оформлении, может иметь место выброс на АЧХ (до 6...8 дБ на частоте резонанса головки в акустическом оформлении fc), что приводит к "бубнящему" звучанию.
Применение специального корректора с "зеркальной" относительно АЧХ громкоговорителя характеристикой позволяет не только расширить диапазон частот в области НЧ и убрать "бубнение", но и скорректировать ФЧХ, что благоприятно сказывается на верности воспроизведения звука. Эквивалентная добротность акустической системы (АС) становится близкой к оптимальной, равной 0,71.
Корректор АЧХ Линквица (рис.1) представляет собой инвертирующий усилитель, охваченный частотно-зависимой ООС с помощью двух двойных неполных Т-мостов - на входе и в цепи ОС. Входной Т-мост настроен на частоту fc, в цепи ОС - на частоту (0,25...0,5)fc.

Рис.1. Корректор АЧХ Линквица
Элементы Т-мостов выбраны таким образом, чтобы постоянные времени Корректирующих RC-цепей
были равны. Коэффициент усиления в области НЧ определяется отношением Kнч = R4/R2. В зависимости от добротности НЧ-головки в акустическом оформлении, значение Kнч меняется в пределах 4,5...15.
Очевидно, что при использовании корректора, УМЗЧ должен иметь соответствующий запас по перегрузке. От резисторов R1 и R5 зависит добротность Т-мостов. Параметры элементов корректора для некоторых значений добротности головки в акустической системе с фазоинвертором (ФИ) приведены в табл.1.
| Добротность головки в АС с ФИ (fc=80 Гц) | R1(R5), кОм | R2(R3), кОм | R4(R6), кОм | С1, нФ | С2(С3), нФ | С4, нФ | Нижняя частота АС, Гц (-ЗдБ) |
|---|---|---|---|---|---|---|---|
| 1,0 | 18,0 | 12,2 | 54,1 | 566 | 47 | 128 | 0,48*fs |
| 1,2 | 8,83 | 13,2 | 68,6 | 482 | 47 | 108 | 0,48*fs |
| 1,4 | 2,32 | 14,0 | 61,9 | 432 | 47 | 97,5 | 0,48*fs |
| 1,6 | 2,12 | 12,2 | 71,5 | 569 | 47 | 96,8 | 0,41*fs |
| 1,8 | 2,65 | 23,8 | 169 | 318 | 22 | 44,7 | 0,38*fs |
| 2,0 | 2,31 | 21,5 | 188 | 391 | 22 | 44,5 | 0,34*fs |
| 2,5 | 2,79 | 16,7 | 242 | 646 | 22 | 44,5 | 0,26*fs |
Номиналы RC-элементов должны быть подобраны с точностью ±1 %. В последней колонке дана нижняя частота громкоговорителя с корректором (относительно резонансной частоты головки fs). Для других значений частоты fc емкости конденсаторов С1...С4 пересчитываются. Например, емкость С1 равна:
Аналогичным образом пересчитывают и остальные емкости. Можно наоборот, емкости оставить прежними, а пересчитать номиналы резисторов R1...R6.
При добротности головки 1,6 и выше характеристика корректора имеет значительный подъем на частотах 20...30 Гц. Во избежание перегрузки УМЗЧ на инфранизких частотах, на его входе целесообразно поставить дополнительный RC-фильтр первого порядка с частотой среза 30 Гц.
Для понимания работы корректора рассмотрим свойства двойного Т-моста (рис.2а).

Рис.2.a. Двойной Т-мост
Глубина режекции (подавления частоты f0) такого фильтра при работе на высокоомную нагрузку достигает 50 дБ. Неполный двойной Т-мост (рис.2б) имеет ту же частоту настройки, однако добротность фильтра гораздо ниже, и глубина режекции - всего 10 дБ.

Рис.2.б. Неполный двойной Т-мост
Глубина режекции неполного двойного Т-моста для некоторых значений n приведены в табл.2.
| n | 0,1 | 0,125 | 0,25 | 0,5 | 1,0 | 2 | 3 | 4 | 5 | 10 |
|---|---|---|---|---|---|---|---|---|---|---|
| Глубина режекции, дБ | 1,5 | 2,0 | 3,5 | 6,0 | 10 | 14 | 17 | 19 | 21 | 26 |
Корректор АЧХ Линквица предназначен в основном для закрытых акустических систем, но его можно использовать и совместно с фазоинвертором.
Для определения добротности АС Qтс И частоты резонанса fc потребуется любой электретный микрофон (например, МЭК-3) и предварительный усилитель с гладкой АЧХ в пределах от 10 до 10000 Гц.
Частоту резонанса fc с точностью 10...15% можно определить следующим образом. Герметизируют корпус АС, плотно закрыв отверстие фазоинвертора. Размещают микрофон в непосредственной близости (на расстоянии 2...З мм) от диффузора НЧ-головки со смещением 2/3 радиуса диффузора от его центральной оси. На АС подают сигнал мощностью 0,1...0,5 Вт. Сигнал с выхода усилителя контролируют вольтметром и осциллографом. Изменяя частоту генератора, строят АЧХ АС от 20 до 500 Гц.
Убеждаются в наличии горба на АЧХ в области fc и спада характеристики с крутизной 12 дБ/окт. ниже этой частоты.
Снимают НЧ-головку и определяют ее частоту основного резонанса в свободном пространстве fs и полную добротность Qтs, например, по методикам, изложенным в [2]. После этого определяют добротность АС по формуле:
Вид АЧХ и ФЧХ корректора для Qтс = 1,0 показаны на рис.3, АЧХ для Qтс = 1,4; 1,8; 2,5 - соответственно на рис.4...6.

Рис.3.

Рис.4.

Рис.5.

Рис.6.
Чертеж печатной платы размерами 45x49 мм для двухканального корректора показан на рис.7, сборочный чертеж - на рис.8. На плате предусмотрены места для установки неполярных конденсаторов развязки по питанию (на схеме они не показаны). В качестве операционных усилителей можно использовать микросхемы типа К544УД1 или КР140УД608.

Рис.7. Печатная плата двухканального корректора

Рис.8. Сборочный чертеж
Учитывая, что корректор может иметь усиление на частотах 30...40 Гц от 10 до 15 дБ (3...5 раз), что при использовании в маломощном усилителе приведет к его перегрузке и жесткому ограничению сигнала, необходимо принять меры для уменьшения заметности искажений. Для этой цели в последнее время все чаще используют ограничители сигнала (лимитеры) [3,4].
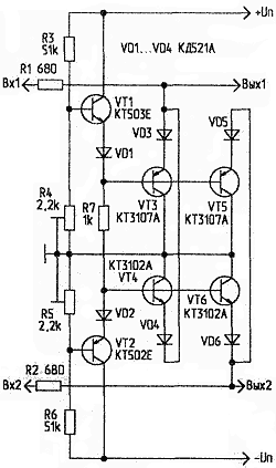
Возможный вариант адаптивного лимитера показан на рис.9. С помощью резисторов R4 и R5 добиваются плавного симметричного ограничения сигнала, не доходящего до жесткого ограничения при 2...3-кратной перегрузке по входу. Благодаря подключению входного делителя к источнику питания УМЗЧ, плавное ограничение будет сохраняться и при изменении напряжения питания.

Рис.9. Адаптивный лимитер
Плавность характеристики лимитера зависит от количества диодов и, в некоторой степени, от входных резисторов (чем больше номинал резистора и меньше диодов, тем жестче характеристика ограничения). Диоды желательно подобрать с близкими характеристиками.
Чертеж печатной платы ограничителя размерами 52x34 мм изображен на рис.10, сборочный чертеж - на рис.11. В качестве VT1 и VT2 можно использовать транзисторы типа КТ502Е, КТ503Е, VT3 и VT4 - любые маломощные комплементарные, например, КТ3102, КТ3107. Диоды - любые маломощные, как кремниевые, так и германиевые.

Рис.10. Печатная плата ограничителя

Рис.11. Сборочный чертеж
По сравнению с "жестким" ограничением, при использовании лимитера спектр сигнала обогащается гармониками более низкого порядка. Однако и в этом случае на вершинах сигнала происходит значительное уменьшение СЧ- и ВЧ-составляющих и добавление нечетных гармоник.
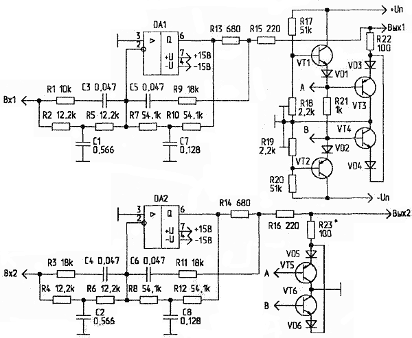
Для уменьшения этого эффекта разработан корректор, совмещенный с лимитером (рис.12).

Рис.12. Корректор, совмещенный с лимитером

Рис.13.

Рис.14.
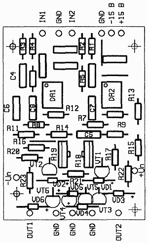
Печатная плата устройства размерами 55x75 мм показана на рис.15, а сборочный чертеж - на рис.16.

Рис.15. Печатная плата корректора, совмещенного с лимитером

Рис.16. Сборочный чертеж
Источники
Автор: А.ПЕТРОВ, г.Могилев