В самых различных подсобных помещениях, коридорах, подъездах иногда требуется включить освещение всего на несколько минут или даже секунд. Но часто случается так, что, однажды включенная, лампа работает без надобности много часов, а то и по несколько суток.
Предлагаю схему несложного устройства, которое отключает нагрузку через несколько минут после нажатия на клавишу выключателя SA1. При компактном расположении элементов, реле времени легко умещается в установочной коробке выключателя освещения для внутренней электропроводки. Причем старый выключатель удалять даже не потребуется.

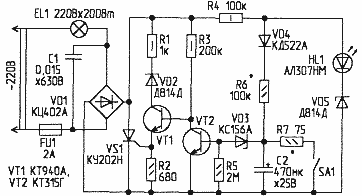
Простое реле времени схема электрическая принципиальная
При кратковременном нажатии на кнопку SA1, через токоограничитель-ный резистор R7 быстро разряжается конденсатор С2. Транзистор VT2, шунтирующий эмиттерный переход транзистора VT1, закрывается, в результате чего открывается высоковольтный транзистор VT1. На управляющий электрод тиристора VS1 через резистор R1, стабилитрон VD2 и открытый транзистор VT1 поступают импульсы тока, которые открывают тиристор почти в самом начале каждой полуволны выпрямленного сетевого напряжения.
После отпускания кнопки SA1, через диод VD4 и резистор R6 начинается зарядка конденсатора С2. Когда напряжение на этом конденсаторе достигнет 5...8 В, стабилитрон VD3 открывается. Далее, относительно плавно открывается транзистор VT2, a VT1 и VS1 закрываются, лампа EL1 гаснет. При указанном на схеме номинале R6, С2 лампа светит примерно 5...7 минут, после чего в течение 2...3 с плавно гаснет. Светодиод HL1 облегчает поиск выключателя в темноте.
В дежурном режиме реле времени потребляет от сети 220 В мощность не более 0,5 Вт. Максимальная мощность подключаемой нагрузки ограничена типами примененного диодного моста VD1 и тиристора VS1, и в данном случае может быть не более 200 Вт.
Резисторы - типа МЛТ, С2-23. Снижающий уровень помех радиоприему конденсатор С1 - типа К73-17. Оксидный конденсатор С2 следует подобрать с минимальным током утечки, например, К73-30. При применении электролитического конденсатора типа К50-16, К50-35, обычно не удается получить выдержку времени более 7 минут. Диодный мост VD1 можно заменить на четыре диода КД209 с любым индексом или диодами КД243Д, КД247Д, КД248В, КД528Б, КД226Г. Диод VD4 - любой маломощный кремниевый. Стабилитроны VD2, VD5 могут быть типов Д813, Д814Г, КС213Б, КС515А; VD3 можно заменить на КС162А, КС170А, КС175А. Светодиод HL1 -любой подходящий по габаритам и цвету свечения, с хорошей яркостью при рабочем токе 2 мА, например, КИПД21П-К. Транзистор VT1 КТ940А можно заменить на КТ969А, MJE340, MJE350; VT2 - серий КТ315, КТ3102, КТ503 с коэффициентом передачи тока базы не менее 100. Тиристор VS1 - КУ201, КУ202 с индексами К...Н. При мощности нагрузки не более 60 Вт, можно использовать КУ221 с любым индексом, применяющийся в блоке разверток телевизоров УПИМЦТ. Предохранитель FU1 можно изготовить из резистора МЛТ-0,125 с сопротивлением более 1 МОм, намотав на него 4...6 витков медного провода диаметром 0,05...0,1 мм. Если в качестве SA1 используется стандартный сетевой выключатель, то для самовозврата под его клавишу можно установить пружину от кнопки П2К.
Налаживание. Резистором R6 устанавливают желаемое время выдержки. При необходимости на его месте можно применить переменный или подстроечный резистор сопротивлением 220 кОм. Если лампа EL1 не гаснет, следует уменьшить сопротивление резистора R6 или применить более качественный конденсатор С2.
Для монтажа готового устройства в установочной коробке выключателя используется плата диаметром 60 мм. Предпочтительнее выбрать навесной монтаж. Так как сзади стандартного механического выключателя обычно остается свободное пространство 30...35 мм, компактно смонтированное реле можно установить, не переделывая "фирменный" выключатель.
Автор: А.БУТОВ, с.Курба, Ярославской обл.