В настоящее время резко возрастают потребности в отслеживание перемещений и идентификации объектов, а также в обновлении информации о состоянии этих объектов. Технология радиочастотной идентификации (RFID) является альтернативой существующим контактным системам, использующим стандартные микросхемы памяти и носители с магнитной полосой. В статье описывается элементная база систем RFID, предлагаемая компанией STMicroelectronics.
Радиочастотная система идентификации объектов содержит несколько компонентов: считыватель и набор бесконтактных элементов памяти. Каждый элемент памяти состоит из плоской микросхемы памяти, соединенной с небольшой рамочной антенной. Микросхема памяти содержит данные идентификации и данные пользователя, обновляемые через считыватель. Антенна представляет собой одну из обмоток трансформатора и используется для передачи высокочастотного сигнала в микросхему памяти и модулированных данных в считыватель. Развязку между антенной и микросхемой памяти осуществляет микрополосковый конденсатор.
Существует несколько международных стандартов систем бесконтактной идентификации с радиочастотным доступом. Компания STMicroelectronics (ST) принимала активное участие в разработке нового стандарта бесконтактной коммуникационной памяти ISO 14443 тип В (реализован в микроконтроллерных системах в транспортных смарт-картах и многих других устройствах), а также стандартов ISO 15693 и ISO 18000.
К системам с сильной связью между антенной и считывателем относятся бесконтактные пары, в которых расстояние между объектом и считывателем составляет менее двух сантиметров. К таким системам можно отнести складские системы, торговые автоматы с предоплатой на расчетных карточках и системы авторизованного допуска персонала в учреждениях и предприятиях.
В основном, это - системы массового обслуживания, и, для успешного
В настоящее время, компания ST предлагает серию микросхем бесконтактной памяти и бесконтактных микросхем связи с радиочастотным интерфейсом для приложений типа меток радиочастотной идентификации и бесконтактных систем доступа (см. табл.1).
В простых системах с радиочастотным интерфейсом, совместимых со стандартом ISO 14443, компания ST предлагает использовать микросхему бесконтактного устройства связи типа CRX14 и несколько разновидностей бесконтактных микросхем памяти. Микросхема CRX14 вырабатывает сигнал на несущей частоте 13,56 МГц мощностью 100 мВт, что обеспечивает надежную идентификацию бесконтактных микросхем памяти на расстоянии до 20 см.
В этом приборе реализован алгоритм разрешения конфликтов (коллизий), который позволяет считывателю обнаруживать и идентифицировать все элементы с микросхемами бесконтактной памяти в рабочем диапазоне дальности и обращаться к ним индивидуально. Так как микросхема CRX14 использует функцию защиты от клонирования, которая запатентована компанией France Telecom, считыватель может выполнять аутентификацию элементов, снабженных аналогичной защитой.
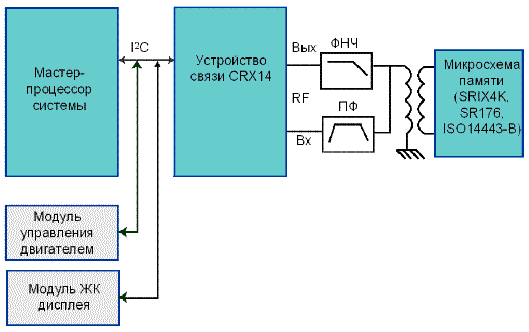
С элементами бесконтактной памяти устройство связи ИС типа CRX14 связывается через буферы ввода/вывода по протоколу радиочастотного интерфейса, описанному в стандарте ISO14443 тип В. Системный мастер-процессор через шину I2C может обслуживать до 8 ИС CRX14. Объем буферов ввода/вывода составляет 32 байта. Имеется встроенный вычислитель циклического избыточного кода (CRC calculator). Микросхема CRX14 работает от источника питания 5 В и размещена в корпусе SO16N.
Все микросхемы бесконтактной памяти для малых расстояний удовлетворяют стандарту ISO14443 тип В. Они работают на несущей частоте 13,56 МГц и поддерживают скорость передачи данных между элементом и считывателем 106 кбит/с, как в режиме приема, так и передачи. Все ИС полностью совместимы по командам. Можно выделить две разновидности микросхем бесконтактной памяти: типа SR, - с ограниченными возможностями, и типа SRIX - с функциями защиты от клонирования и предотвращения конфликтов.
Микросхема типа SR176 является самой простой в рассматриваемой черии. У нее нет функций защиты от клонирования и устранения конфликтов. ЭСПЗУ объемом 176 бит организовано в одиннадцать 16-разрядных блоков с программной защитой от записи. Оно содержит 64-разрядный уникальный идентификатор (UID) и фиксированный 4-разрядный идентификатор кристалла. Данные передаются со считывателя на карту с использованием амплитудной модуляции, а в обратную сторону - двоичной фазовой модуляцией (BPSK).
Микросхемы семейства SRIX поддерживают функцию защиты от клонирования и допускают аутентификацию элементов. Системный мастер-процессор посылает запрос на аутентификацию по очереди каждому элементу, находящемуся в рабочем поле ИС CRX14. Каждый элемент запускает свой алгоритм защиты от клонирования для вычисления сигнатуры, которую он посылает обратно считывателю для проверки. Функция защиты от клонирования блокирует подделки, так как любой элемент, не принадлежащий системе, отвечает неверной сигнатурой.
Микросхема типа SRIX4K содержит ЭСПЗУ объемом 4096 бит, организованных в 128 слова по 32 бита. Пространство памяти поделено на три части:
Микросхема SRIX4K снабжена 8-битным идентификатором кристалла, позволяющим пользователю однозначно идентифицировать каждый элемент, находящийся в пределах рабочего поля в течение операции защиты от клонирования, и 64-разрядным уникальным идентификатором, предназначенным только для чтения и программируемым в процессе производства. Этот прибор обеспечивает прием амплитудно-модулированных данных со считывателя и BPSK-модулированных данных при передаче на считыватель. Предполагается расширение этого семейства за счет новой ИС типа SRIX512, содержащей 512-битную память.
Для систем с радиочастотным доступом в радиусе до одного метра компания ST предлагает микросхему бесконтактной памяти LRI512, параметры которой полностью соответствуют стандарту ISO 15693. Данная ИС содержит ЭСПЗУ объемом 512 бит с защитой на уровне блока данных, удовлетворяющей требованиям EAS (электронная защита от кражи), работает на несущей частоте 13,56 MГц, производит импульсное кодирование с высокой или низкой скоростью передачи данных на одной или двух поднесущих. При передаче данных на считыватель используется манчестерское кодирование.
В таблице 1 также приведены предварительные данные о параметрах разрабатываемых микросхем бесконтактной памяти, обеспечивающих радиочастотный доступ в радиусе до 10 метров по стандарту ISO 18000.
В качестве примера, рассмотрим особенности системы на основе ИС связи типа CRX14 и бесконтактных элементов памяти типа SR.
Бесконтактные кристаллы памяти SR и SRIX вместе с антенной могут встраиваться (в том числе путем приклеивания) в различные объекты: этикетки, карточки, маркеры, кнопки и т.п. Вся сборка прикрепляется к элементу, который подлежит идентификации или отслеживанию. Микросхема устройства связи CRX14 встраивается в считыватель, который соединяется с антенной для передачи/приема радосигнала элементов памяти и, по последовательной шине I2C, - с мастер-процессором системы (см. рис.1). Передача энергии от считывателя к элементу и высокочастотное взаимодействие выполняются посредством индуктивной связи между двумя антеннами на частоте 13,56 МГц. Поэтому элемент памяти не требует специального источника питания (например, батареи). Считыватель имеет специальный программный драйвер обращения к элементу, который поддерживает операции чтения/записи.

Рис.1 Схема торгового автомата с бесконтактными расчетными карточками
Считыватель на базе ИС типа CRX14 взаимодействует на расстоянии до 10 см с любой микросхемой бесконтактной памяти компании ST или другого производителя, удовлетворяющей стандарту ISO14443 тип В. Для бесконтактной идентификации в диапазоне дальности до 10 см, требующей высокого уровня безопасности (напрмер, идентификация расходных материалов и защита от подделок), считыватель может быть использован для работы с защищенными элементами памяти на базе ИС семейства SRIX, реализующих защиту от клонирования.
Если же аутентификация не требуется, а минимальная стоимость является ключевым требованием, то оптимальным решением является считыватель на базе ИС типа CRX14, объединенный с бесконтактной памятью из семейства типа SR, например, типа SR176. Распространенным применением такой системы являются многоразовые дебетовые карточки (или билеты).
Одними из основных применений систем RFID, работающих на небольшом удалении, является идентификация и отслеживание срока годности и перемещения расходных материалов (продуктов, батарей, принтерных картриджей и т.п.). Эти системы массового применения нуждаются в дешевых встроенных считывателях, работающих с одним-двумя элементами памяти. Для таких применений оптимальным решением является считыватель на базе ИС типа CRX14, объединенный с элементами памяти типа SRIX4K. Для распознавания объекта может быть использован 64-разрядный идентификатор UID, а защищенная область памяти может содержать данные производителя, например, серийный номер, дату выпуска и гарантийный срок хранения. В незащищенную область памяти целесообразно записывать информацию об истории системы. Возможность защиты от клонирования, обеспечиваемая микросхемой SRIX4K, позволяет обнаруживать подделку посредством идентификации объекта, а функция предотвращения конфликтов облегчает многоэлементное распознавание.
Карты предоплаты для торговых автоматов - еще один вариант использования описываемых ИС для систем бесконтактной идентификации близкого взаимодействия. Элементы памяти SRIX4K встраиваются в каждую карточку. В один из двух 32-разрядных двоичных счетчиков заносится предоплаченная сумма денег, которая уменьшается при каждой сделке. Идентификатор карточки хранится в блоке 64-разрядного UID, а данные производителя (серийный номер или информация о местах продажи) - в защищенной зоне. Такие карточки существенно надежнее, чем магнитные или контактные носители.
Одним их целевых применений ИС недорогого семейства SR является идентификация и отслеживание сырья, комплектующих и произведенных товаров на заводах и фабриках, где данные учета и маршрутизации хранятся в ЭСПЗУ пользователя.
Таким образом, системы радиочастотного доступа с бесконтактной памятью обеспечивают автоматический, быстрый и недорогой способ сбора информации об одном или нескольких объектах, независимо от их ориентации и местоположения, и не требуют оптическое сканирование или вмешательство человека. Кроме того, при бесконтактной идентификации ослаблено влияние неблагоприятной окружающей среды, которое ограничивает возможности других методов автоматической идентификации. Системы RFID могут быть использованы для записи и обновления информации о конкретном объекте "на лету".
| Тип | Объем памяти, бит | Интерфейс | Рабочее расстояние, см | Корпус | Дополнительные возможности | Применения |
|---|---|---|---|---|---|---|
| SR176 | 176 | ISO 14443 – 2 и тип B | 0...20 | Плоский(2) Wafer | 64-бит для идентификации | Одноразовые недорогие метки |
| LRI512 | 512 | Полный ISO 15693 | 0...100 | Плоский(2) Wafer | 64 бита для идентификации, 512 бит пользовательской ЭСПЗУ с блокировкой данных | RFID, метки |
| SRIX4K | 4 К | ISO14443-2 и 3 тип B | 0...20 | Плоский(2) Wafer | 64 бита для идентификации, функция антиклонирования, пересчетное устройство с защитой записи | Многоразовые метки с защитой от клонирования |
| CRX14 | ISO 14443 | 0...10 | S016N | Протокол связи поддерживает CRC и SRC; интерфейс I2C | Недорогой считыватель для встроенных приложений | |
| M35102 | 2 К | ISO 14443-2 тип B | 0...20 | Плоский (2) Wafer | 64 бита для идентификации, 192 бита блокируемой области для однократной записи | Метки, RFID, память |
| LRI64(1) | 120 | Полный ISO 15693 | 0...100 | Плоский(2) Wafer | 64 бита для идентификации, однократная запись в область пользователя, стирание, манчестерское кодирование | RFID, метки |
| SRIX512 | 512 | ISO 14443 – 2 и тип B | 0...20 | Плоский(2) Wafer | 512 бит пользовательской ЭСПЗУ с блокировкой данных, 64 бита для идентификации, функции антиколлизии и антиклонирования | Многоразовые метки с защитой от клонирования |
| XRA00(1) | 128 | Auto-ID класс 1б UHF | 0...1000 | Диполь, Wafer | UHF, несущая частота 868/915MГц, 96 бит для записей реестра, функция стирания | Многоразовые метки с защитой и перезаписью |
(1)- предварительные данные;
(2)- специальные плоские корпуса, соединенные с антенной полосковой линией (возможна поставка только кристаллов).
Авторы: Ольга Бойкова, Анатолий Юдин
www.otkcm.ru