Фирма Philips Semiconductors анонсировала микросхему выходного коммутирующего каскада для создания усилителя мощности звуковой частоты (УМЗЧ) класса D с выходной мощностью от 2 х 15 до 2 х 25 Вт с КПД более 94%. Микросхема TDA8925 (УМЗЧ) питается от двухполярного источника с напряжением от ±7,5 до ±30 В и имеет собственный потребляемый ток около 25 мА. Благодаря ключевому режиму работы силового каскада (УМЗЧ) и, соответственно, столь высокому КПД отсутствует необходимость устанавливать микросхему на радиатор охлаждения. Микросхема (УМЗЧ) оснащена диагностическим выводом, напряжение низкого уровня на котором сигнализирует о перегреве выходного каскада или о коротком замыкании в цепи нагрузки. TDA8925 (УМЗЧ) имеет защиту выводов от статического электричества и выполнена в пластмассовом корпусе DBS17P (рис. 1) для обычного печатного монтажа.

Рис. 1. Расположение выводов TDA8925 в пластмассовом корпусе DBS17P
Микросхема имеет следующие отличительные особенности:
Области применения микросхемы:
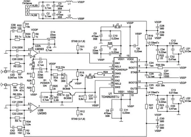
Блок-схема микросхемы приведена на рис. 2, назначение выводов - в табл. 1, а типовая схема включения - на рис. 3.

Рис. 2. Блок-схема микросхемы TDA8925
Таблица 1. Назначение выводов микросхемы TDA8925
| Номер вывода | Сигнал | Описание |
| 1 | SW1 | Цифровой вход, канал 1 |
| 2 | REL1 | Цифровой выход 1, сигнал изменяется синхронно с сигналом на входе SW1 с задержкой |
| 3 | DIAG | Диагностический выход, открытый сток, низкий уровень - активный (по превышению температуры 150°С и тока - 3 А) |
| 4 | EN1 | Вход разрешения работы канала 1 |
| 5 | VDD1 | Напряжение питания канала 1 |
| 6 | BOOT1 | Конденсатор начальной загрузки канала 1 |
| 7 | OUT1 | Выход канала 1 |
| 8 | VSS1 | Общий 1 |
| 9 | STAB | Выход внутреннего стабилизатора |
| 10 | VSS2 | Общий 2 |
| 11 | OUT2 | Выход канала 2 |
| 12 | BOOT2 | Конденсатор начальной загрузки канала 2 |
| 13 | VDD2 | Напряжение питания канала 2 |
| 14 | EN2 | Вход разрешения работы канала 2 |
| 15 | POWERUP | Вход разрешения переключения внутренних опорных источников |
| 16 | REL2 | Цифровой выход 2, сигнал изменяется синхронно с сигналом на входе SW1 с задержкой |
| 17 | SW2 | Цифровой вход, канал 2 |
Достаточно легко реализуется защита от короткого замыкания в нагрузке. Если это произошло, растет потребляемый микросхемой ток. Если он достигает значения 3 А, срабатывает внутренний детектор, и на выв. 1 (DIAG) формируется низкий потенциал. Этот сигнал можно использовать для управления входом включения микросхемы - POWERUP (выв. 15). В рабочем режиме на этом выводе должен быть уровень не менее VCC+5 В.
Электрические характеристики микросхемы по постоянному и переменному току приведены в табл. 2 и 3.
Таблица 2. Электрические характеристики микросхемы TDA8925 по постоянному току (при Vp = ±15 В, T am b = 25°C).
| Обозначение | Описание | Кондиции | Мин. | Тип. | Макс. | Ед. изм. |
| Питание | ||||||
| V P | Напряжение питания | ±7,5 | ±15 | ±30 | В | |
| I Q (tot) | Ток покоя | Нагрузка отключена | - | 25 | 45 | мA |
| Внутренний стабилизатор (выв. 9, STAB) | ||||||
| Vo(STAB) | Выходное напряжение | Относительно VSS | 11,7 | 13 | 14,3 | В |
| Импульсные входы (выв. 1 и 17, SW1 и SW2) | ||||||
| V ih | Высокий уровень входного напряжения | Относительно VSS | 10 | - | 15 | В |
| V IL | Низкий уровень входного напряжения | Относительно VSS | 0 | - | 2 | В |
| Выходы контроля (выв. 2 и 16, REL1 и REL2) | ||||||
| V OH | Высокий уровень входного напряжения | Относительно VSS | 10 | - | 15 | В |
| V OL | Низкий уровень входного напряжения | Относительно VSS | 0 | - | 2 | В |
| Диагностический выход (выв. 3, DIAG, открытый сток) | ||||||
| V OL | Низкий уровень выходного напряжения | 0 | - | 1,0 | В | |
| I lo | Ток утечки | - | - | 50 | мкА | |
| Входы разрешения (выв. 4 и 14, EN1 и EN2) | ||||||
| V ih | Высокий уровень входного напряжения | Относительно VSS | 9 | - | 15 | В |
| V il | Низкий уровень входного напряжения | Относительно VSS | 0 | 5 | - | В |
| V EN (hys) | Напряжение гистерезиса | - | 4 | - | В | |
| I I (EN) | Входной ток | - | - | 300 | мкА | |
| Вход включения микросхемы (выв. 15, POWERUP) | ||||||
| V POWERUP | Операционное напряжение | Относительно VSS | 5 | - | 12 | В |
| h(POWERUP) | Входной ток | v powerup = 12 В | - | 100 | 170 | мкА |
| Температурная защита | ||||||
| T DIAG | Температура включения | v diag – v diag (low) | 150 | - | - | °C |
| T HYS | Гистерезис | v diag – v diag (low) | - | 20 | - | °С |
| Токовая защита | ||||||
| I O (ocpl) | Уровень тока защиты | - | 3,5 | - | A | |

Рис. 3. Типовая схема включения микросхемы TDA8925
Таблица 3. Электрические характеристики микросхемы TDA8925 по переменному току
| Обозначение | Описание | Кондиции | Мин. | Тип. | Макс. | Ед. изм. |
| P O | Выходная мощность | R L = 8 Ом | ||||
| THD = 0,5% | 10 | 12 | - | Вт | ||
| THD = 10% | 14 | 15 | - | Вт | ||
| R L = 6 Ом | ||||||
| THD = 0,5% | - | 16 | - | Вт | ||
| THD = 10% | - | 20 | - | Вт | ||
| THD | Уровень гармонических искажений | P O = 1 Вт | ||||
| fi = 1 кГц | - | 0,05 | 0,1 | % | ||
| fi= 10 кГц | - | 0,2 | - | % | ||
| n | КПД | P 0 = 2 х 15 Вт; f = 1 кГц | - | 94 | - | % |
Источник: Журнал "Ремонт&Сервис"