Неожиданные отключения сетевого напряжения стали еще одной (в дополнение к двум известным) российской бедой. Главное в такой ситуации - вовремя узнать об отключении и принять меры - перейти на резервное питание (если есть возможность) или просто убрать из неработающего холодильника скоропортящиеся продукты. Это легко сделать в вечернее время, когда об отсутствии напряжения сигнализируют погасшие светильники. Днем или поздней ночью никаких явных признаков отключения нет и его можно своевременно не заметить. Описываемое в статье устройство подает звуковой сигнал продолжительностью более минуты через несколько секунд после пропадания напряжения в сети.
Предлагаемый сигнализатор (его схема показана на рис. 1) построен по тому же принципу, что и описанный в статье А. Долгого "Сторожевой пес для компьютера" ("Радио", 2000, №2, с.27).

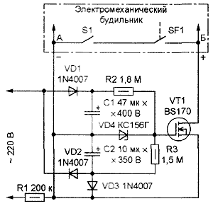
Рис.1. Принципиальная схема сигнализатора

Рис.2. Временные диаграммы
Благодаря стабилитрону VD4 напряжение на затворе транзистора ограничено безопасными для последнего значениями 0 и Uст (без стабилитрона оно могло бы достичь 100 В и более, как показано штриховой линией). В момент t2, когда конденсатор С1 почти полностью разряжен, транзистор VT1 закрывается, выключая звонок. При указанных на схеме номиналах резисторов и конденсаторов продолжительность звукового сигнала - более минуты.
Основная функция резистора R1 - ограничить ток при случайном прикосновении к проводам, идущим от сигнализатора к будильнику, или соединении их с заземленным предметом. Этот резистор убережет от тяжелых последствий и в случае пробоя одного из конденсаторов.
Задача диода VD3 - не допустить "переполюсовки" напряжения на конденсаторе С2. В отсутствие диода это может произойти в результате перераспределения заряда между конденсаторами после отключения сети.
Сигнализатор собран в корпусе зарядного устройства сотового телефона. Имеющаяся в нем печатная плата заменена показанной на рис.3 с установленными на ней деталями сигнализатора. Конденсаторы - импортные, резисторы - МЛТ-0,5 или другие с предельным рабочим напряжением не менее 350 В. Стабилитрон - любой маломощный с напряжением стабилизации 5...15 В (не более допустимого напряжения затвор-исток транзистора VT1). Диоды 1N4007 можно заменить отечественными КД105Г или другими выпрямительными с допустимым обратным напряжением не менее 600 В.

Рис.3. Печатная плата
К сожалению, найти равноценную отечественную замену полевому транзистору BS170 не удалось. Можно попробовать установить вместо полевого транзистора биполярный, как это сделано в устройстве, описанном в упомянутой выше заметке. Однако в этом случае придется либо применить транзистор с очень большим (несколько сотен) статическим коэффициентом передачи тока h21Э, либо уменьшить номиналы резисторов R2, R3, что приведет к пропорциональному сокращению длительности сигнала. Использовать составной транзистор не рекомендуется, так как слишком большое падение напряжения на нем в открытом состоянии может привести к несрабатыванию звонка будильника.
В будильнике необходимо найти показанные на рис.1 точки А и Б (S1 - выключатель звонка, SF1 - контакты часового механизма, замыкающиеся в момент срабатывания будильника). Неплохо убедиться, что соединение их отрезком провода приводит к подаче звукового сигнала. Остается вольтметром определить полярность напряжения между этими точками и, соблюдая ее, подключить сигнализатор.
Собранное устройство включают в любую свободную розетку. Будильник может продолжать выполнять свою основную функцию - звонить в установленное время. Сигналом пропадания напряжения в сети послужит срабатывание будильника в неурочный час.
Конечно, в качестве источника звукового сигнала можно использовать не только будильник, но и, например, пьезоизлучатель с встроенным генератором и автономным источником питания, электронный узел от озвученной детской игрушки и т.п.
Автор: А.СЕРГЕЕВ, г.Москва