Показана возможность синтеза сигнала треугольной формы путем сложения двух выпрямленных мостовыми схемами синусоидальных сигналов разной полярности, один из которых сдвинут по фазе относительно другого на 90°; приведены формулы, описывающие динамику процессов сложения сигналов; на основе теоретических выкладок создана схема устройства, синтезирующего сигнал треугольной формы.
Сигналы треугольной формы обычно получают в генераторах с использованием времязарядных RC-цепочек, цифроаналоговых преобразователей или синтетически программно-аппаратурным путем. При этом, как правило, трудно добиться высокой линейности и симметрии генерируемого сигнала, решить задачу удается за счет заметного повышения интеллектуально- и ресурсоемкости устройства [1-4].
Достаточно просто оказалось получить сигнал практически идеальной треугольной формы при использовании удвоителя частоты, схема которого была предложена в начале 70-х годов XX века (частное сообщение, удвоитель частоты С.И. Семенова). Принцип действия этого удвоителя основан на противофазном сложении двух выпрямленных мостовыми схемами синусоидальных сигналов, один из которых сдвинут по фазе относительно другого на 90°. Несмотря на простоту такого удвоителя частоты, до последнего времени практические его реализации и, тем более, аналитические исследования не выполнялись.
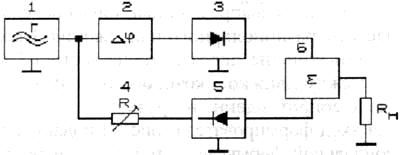
Компьютерное моделирование формы сигналов, снимаемых с выхода такого устройства, показало, что на выходе формирователя при обеспечении сдвига фазы 90° получается сигнал треугольной формы. Структурная схема аддитивного формирователя сигналов треугольной формы показана на рис. 1. Динамику электрических процессов, наблюдаемых в различных контрольных точках устройства, можно описать следующими выражениями:
| U1(t) = U0 sin(wt), U2(t) = U0 sin(wt + 90), U3(t) = U0 abs[sin(wt + 90)], U4(t) = -U0 abs(sin wt), U5(t) = U0 {abs[sin(wt + 90)] - abs(sin wt)}. В общем случае Uвых(t) = U0 {abs[sin(wt + n90)] - abs(sin wt)}, n=1,3,5... | (1) (2) (3) (4) (5) |

Рис.1. Структурная схема формирователя
Сигнал синусоидальной формы (1), снимаемый с выхода генератора 1 (рис. 1), подается на фазовращатель 2 и резистивный компенсатор напряжения 4. Сдвинутый по фазе на угол 90° синусоидальный сигнал (2) поступает на диодно-мостовую схему 3. Сигнал с компенсатора напряжения 4 подается на вторую обратно включенную диодно-мостовую схему 5. Таким образом, на выходах диодно-мостовых схем 3 и 5 формируются выпрямленные разнополярные сигналы (3) и (4). Эти сигналы суммируются в сумматоре 6, формируя при этом выходной сигнал треугольной формы (5) на сопротивлении нагрузки Rload - Диаграммы выходных сигналов при варьировании фазовых сдвигов представлены на рис.2.

Рис.2. Диаграммы выходных сигналов
Практическая схема удвоителя частоты - формирователя сигналов треугольной формы изображена на рис.3. Входной сигнал синусоидальной формы через фазосдвигающую цепочку R1C1 поступает на первый выпрямительный мост (диоды VD1-VD4). Этот же сигнал через потенциометр R2 ("Компенсация") поступает на второй выпрямительный мост (диоды VD5-VD8).

Рис.3. Принципиальная схема формирователя сигналов треугольной формы
На выходах мостов относительно общей шины формируются выпрямленные сигналы удвоенной частоты разнополярного напряжения. Выходы мостов объединены через потенциометр R3 ("Баланс"), между движком которого и общей шиной включено сопротивление нагрузки.
На вход формирователя (рис.3) подают сигнал синусоидальной формы частотой 5 кГц и напряжением 2 В. Настройку устройства производят последовательно-поочередной регулировкой подстроечных элементов (резисторов R1-R3). Потенциометром R1 регулируют сдвиг фазы; R2 - компенсируют потери (затухание) сигнала при прохождении сигнала через фазовращающую цепочку; R3 - балансируют амплитуду смешиваемых сигналов. В итоге на выходе формируется сигнал треугольной формы удвоенной частоты (10 кГц).
Работа устройства была апробирована с использованием программы схемотехнического моделирования Electronics Workbench 5.12.
К достоинствам описанной схемы получения сигналов треугольной формы следует отнести ее простоту и высокую линейность выходного сигнала. В то же время близкий к идеальному вид выходного сигнала треугольной формы обеспечивается в узкой полосе частот, что обусловлено применением фазосдвигающих цепочек простейшего типа, предназначенных лишь для демонстрации принципа действия устройства. Диапазон рабочих частот, на которых способен работать формирователь, ограничен также частотными свойствами диодов выпрямителей (верхняя граница приблизительно соответствует значению 5...10% от предельной рабочей частоты используемых диодов).
Таким образом, для обеспечения требуемой формы сигналов элементы устройства должны отвечать некоторому набору требований, обусловленных наличием полупроводниковых нелинейных элементов:
- идеальность выпрямителей (линейность и идентичность их вольт-амперных характеристик);
- минимальная и равная емкость n-р переходов (идентичность вольт-емкостных характеристик).
Эти требования отчасти удовлетворяются при использовании высокочастотных германиевых точечных диодов одной партии изготовления, отобранных по критерию идентичности вольт-амперных и вольт-емкостных характеристик, а также при работе в области относительно низких частот (до единиц килогерц), использовании синусоидального сигнала высокой амплитуды (единицы...десятки вольт) и работе на согласованную нагрузку.
Улучшить форму пиков выходного сигнала (область малых напряжений выпрямленных сигналов, где наиболее отчетливо выражены нелинейные свойства полупроводниковых выпрямителей) можно за счет смещения рабочих точек диодов на линейный участок вольт-амперной характеристики подпиткой постоянным током.
Источники
Автор: М.А. Шустов