Отличительные особенности:
- напряжение изоляции: 5000В;
- максимальное коммутируемое выходное напряжение: 350В (CPC1330) и 400В (CPC1390);
- ток нагрузки: 120мА (CPC1330) и 140мА (CPC1390);
- максимальное сопротивление открытого канала: 30Ом (CPC1330) и 22Ом (CPC1390);
- низкая мощность управления, прямая совместимость с TTL/CMOS-логикой;
- отсутствие генерации электромагнитных помех;
- температурный диапазон: -40°C...+85°C;
- корпус DIP-4.
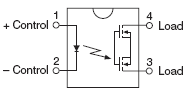
Внутренняя структура и назначение выводов CPC1330 и CPC1390. 
Области применения: электронные ключи, мультиплексоры, системы безопасности, промышленное, аэрокосмическое оборудование, медицинские приборы и оборудование.