Для того чтобы найти с помощью предлагаемого прибора проложенные под землей или в кабельных каналах бетонных и кирпичных зданий электрические провода и кабели, начало отключенной от сети или другого источника напряжения пары проводов следует соединить с генератором ЗЧ достаточной мощности, а концы проводов этой пары временно замкнуть между собой. Созданное протекающим по проводам переменным током магнитное поле будет преобразовано находящимся поблизости датчиком прибора в электрический сигнал.

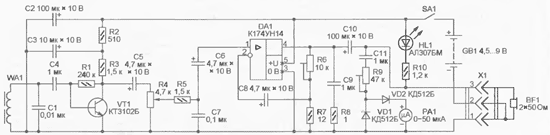
На показанной на рис. 2 печатной плате прибора размещены почти все его детали. Особых требований к ним не предъявляется. Транзистор КТ3102Б можно заменить любым маломощным кремниевым структуры п-р-п, а микросхему К174УН14 - аналогичной импортной TDA2003. Микроамперметр с током полного отклонения 50 мкА взят из индикатора уровня записи кассетного магнитофона. Резисторы - С1 -4 или МЛТ-0,125, конденсаторы - серий КМ и К53 (оксидные).
Плата помещена в металлический корпус, на крышке которого расположены розетка разъема Х1, выключатель SA1, микроамперметр РА1 и переменный резистор R4. Батарея GB1 (например, КБС) закреплена на корпусе прибора металлической скобой.

Рис. 2
Основной блок прибора крепят вблизи ручки алюминиевой трости, на удаленном конце которой в отдельном корпусе устанавливают магнитную антенну, соединив ее с прибором экранированным проводом. Это позволяет дотянуться датчиком до потолка или других удаленных мест, где могут проходить провода.
Положив датчик правильно собранного устройства на изолированный провод, по которому течет переменный ток, услышим в наушниках звуковой сигнал, а стрелка микроамперметра отклонится на некоторый угол. Установив движки переменного резистора R4 и подстроечного R6 в среднее положение, подбираем конденсатор С1 по максимальному уровню сигнала. Если наблюдается перегрузка, сигнал можно ослабить, отодвигая датчик прибора от провода. В заключение устанавливаем движок подстроечного резистора R6 в положение, при котором чувствительность максимальна, а искажения сигнала и самовозбуждение отсутствуют. Подстроечным резистором R9 добиваемся отклонения стрелки микроамперметра на всю шкалу при максимальном неискаженном сигнале на выходе усилителя DA1.
Прежде чем начинать поиск проводов под землей, потренируйтесь в поиске сетевых проводов, скрытых в стенах и потолке собственной квартиры.
Автор: В. Коновалов, г. Иркутск