Легкие отечественные мотоциклы с одноцилиндровым двигателем ("Минск", "Восход", "Сова", "Курьер") оснащены генератором переменного тока и бесконтактной электронной системой зажигания. Для упрощения конструкции угол опережения зажигания установлен постоянным, оптимизированным под средние обороты коленчатого вала (частота вращения — 2000...2500 мин"1). Это приводит к ряду негативных последствий, из которых, пожалуй, самое неприятное и даже опасное — сильная отдача (обратный удар) пускового рычага в ногу при запуске. Отдача может быть весьма болезненной и чреватой серьезными травмами.
Причина описанного явления — слишком раннее для пускового режима двигателя (500...600 мин"1) возникновение запальной искры. Установка меньшего угла опережения зажигания устранила бы обратные удары пускового рычага и облегчила запуск двигателя, но тогда он будет плохо набирать обороты, потеряет мощность, будет дымить и перегреваться.
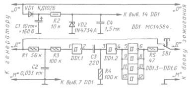
Избавиться от обратных ударов при запуске двигателя, не ухудшая его работы на больших оборотах, можно, если вводить задержку искрообразования только на время запуска. Для этой цели предлагаю использовать простое устройство, схема которого показана на рисунке. Оно не требует никаких переделок генератора и блока зажигания, но эффективно решает поставленную задачу.

Блок зажигания подключен к генератору тремя проводами с помощью разъемного соединения ножевого типа. Буквой "О" обозначен провод от обмотки генератора, "Д" — от индукционного датчика импульсов зажигания, "М" — общий. Форма импульсов датчика близка к прямоугольной. По положительному перепаду этих импульсов открывается коммутирующий тринистор блока зажигания, формирующий совместно с катушкой зажигания высоковольтные запальные импульсы.
Длительность импульсов датчика такова, что если открывать тринистор по отрицательному перепаду тех же импульсов, то это в конечном счете обеспечит необходимое запаздывание искры. Говоря иначе, произойдет уменьшение угла опережения зажигания. Получающейся задержки зажигания вполне достаточно для легкого запуска и работы двигателя на холостых оборотах.
Принцип работы описываемого узла состоит в соответствующем преобразовании импульсов, поступающих от датчика зажигания. Амплитуда импульсов датчика примерно пропорциональна частоте вращения коленчатого вала, а частота импульсов равна частоте вращения, поэтому интегрирующая цепь R1C2 обеспечивает эффективное нормирование амплитуды сигнала, подаваемого на преобразователь, собранный на микросхеме DD1. Кроме того, цепь R1C2 подавляет паразитные импульсы меньшей амплитуды, возникающие на выходе датчика в паузах между рабочими из-за особенностей конструкции генератора. Она же создает дополнительную небольшую временную задержку (около 1,7 мс).
Триггер Шмитта DD1.1 формирует на выходе прямоугольные импульсы с крутыми фронтом и спадом. Резистор R3 защищает триггер от выбросов напряжения с датчика импульсов зажигания. По положительным перепадам импульсов триггера Шмитта (т. е. по спадам импульсов датчика зажигания) дифференцирующая цепь C3R4 и триггер—инвертор DD1.2 формируют короткие (около 25 мкс) отрицательные импульсы. Столь малая длительность импульсов выбрана с целью уменьшения среднего потребляемого узлом тока.
Эти импульсы после инвертирования и умощнения четырьмя инверторами DD1.3—DD1.6, включенными параллельно, поступают на блок зажигания через токоограничительный резистор R5 и контакты нажатой кнопки SB1. При отпущенной кнопке сигнал с датчика приходит к блоку зажигания в обход узла задержки.
Узел питается от бортовой сети через однополупериодный выпрямитель на диоде VD1 и параметрический стабилизатор VD2R2. Конденсаторы С1 и С4 — сглаживающие.
Непосредственно перед запуском двигателя нажимают на кнопку SB1, а после того как двигатель заработает, кнопку отпускают.
Учитывая дефицит свободного места на мотоцикле, при выборе деталей для изготовления устройства следует отдать предпочтение наиболее миниатюрным. Конденсаторы С2, СЗ должны иметь температурную стабильность не хуже НЗО. Если предполагается использовать импортные конденсаторы С2 и СЗ, то они должны быть с диэлектриком не хуже X7R. Других требований к деталям нет. Стабилитрон 1N4734A можно заменить на КС156Г. Кнопка SB1 -КМ1-1.
Микросхему МС14584 возможно заменить на ее аналог CD4584; подойдут также микросхемы МС14106 и CD4106 — шесть триггеров Шмитта. Не исключено использование отечественных микросхем КР1564ТЛ2 и К561ТЛ1, но в этом случае перед тем, как подать импульсы на переключатель SB1, их необходимо усилить по току. Для этого придется собрать выходной эмиттерный повторитель на транзисторе КТ315Е (или КТ3102Б).
Я собрал узел в корпусе миниатюрной телефонной розетки (с одним разъемом). Монтаж — навесной, на выводах микросхемы. Провода и контакты из розетки удалил, а винты использовал для фиксации входного и выходного жгутов. После проверки на работоспособность монтаж залил эпоксидным компаундом. Готовый узел разместил вблизи разъема блока зажигания.
Кнопку удобнее всего разместить на левой рукоятке руля, под переключателем света, на Г-образном кронштейне.
Если при нажатой кнопке запущенный двигатель работает только на холостых оборотах и останавливается при попытке добавить оборотов, необходимо заменить резистор R1 на другой, меньшего сопротивления.
Опыт эксплуатации узла задержки искрообразования показал его хорошую надежность и эффективное избавление от обратных ударов. Несмотря на то что эти удары не исчезли полностью (очевидно, есть и другие обстоятельства, способствующие их возникновению, например,обедненная горючая смесь), процесс запуска двигателя стал гораздо более комфортным — вместо частых и сильных ударов изредка бывают довольно мягкие толчки. Это, кстати, дало возможность установить опережение зажигания более раннее, чем рекомендовано заводом—изготовителем машины, и получить заметный прирост ее скорости и динамики разгона.
Автор: Ф. Касаткин, г. Санкт-Петербург