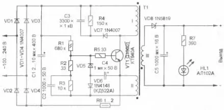
Зарядные устройства АМТ TRAVEL ADAPTER работают в широком интервале напряжения сети 100...240 В, выдают стабилизированное выходное напряжение 4,8 ...8,5 В с максимальным током нагрузки 0,6 А. Они собраны по схеме, показанной на рисунке, просты по конструкции и интересны по принципу работы. Выпрямленное диодным мостом VD1—VD4 и сглаженное конденсатором С1 напряжение сети питает однотактный обратноходовый преобразователь напряжения, основа которого — автогенератор на транзисторе VT1 и трансформаторе Т1 с тремя обмотками: I — сетевой, II — обратной связи, III — выходной. Обмотки II и III одинаковые, сетевая обмотка I содержит в 10 раз больше витков.

При включении питания в цепи базы транзистора VT1 через резистор R1 протекает ток Iб1, примерно равный 300 B/R1 =0,4 мА. Этот ток, усиленный транзистором, начинает протекать через обмотку I трансформатора. Под действием сильной положительной обратной связи напряжение обмотки II (около 30 В) прикладывается к транзистору VT1 через цепь C2R3R2R5 в открывающей полярности. Развивается регенеративный процесс, транзистор VT1 входит в насыщение, и в результате к обмотке I прикладывается полное выпрямленное напряжение сети. Ток этой обмотки нарастает, магнитопровод трансформатора накапливает энергию. В это время диоды VD6—VD8 закрыты обратным напряжением. Напряжение на обмотках II и III достигает 30 В. Конденсатор С2 быстро заряжается, после чего в базу транзистора течет ток Iб2 через резистор R3 (30 В/10 кОм = 3 мА), который складывается с Iб1. Суммарный ток базы Iб = Iб1+Iб2 примерно равен 3,4 мА.
Ток коллектора насыщенного транзистора нарастает до h21э*Iб. где h21э —коэффициент передачи тока базы, после чего транзистор выходит из насыщения, напряжение на обмотках трансформатора уменьшается. Развивается обратный регенеративный процесс, транзистор закрывается, напряжение на обмотках меняет полярность. Диоды VD6—VD8 открываются. Демпфирующая цепь VD7C3R4 уменьшает выброс ЭДС самоиндукции трансформатора Т1 и, соответственно, ограничивает напряжение на коллекторе транзистора VT1. Через диод Шотки VD8 заряжается конденсатор С5, к которому подключена нагрузка. Светодиод HL1 — индикатор выходного напряжения, резистор R7 задает ток через него. Через диод VD6 заряжается конденсатор С4 до амплитуды напряжения обратного хода, которое больше напряжения стабилизации стабилитрона VD5, в результате чего он открывается, напряжение на базе транзистора VT1 становится отрицательным и препятствует его открыванию. Это — время паузы между импульсами, оно намного превышает длительность импульса. Ток I61 через резистор R1 протекает не в базу транзистора VT1, а в открытый стабилитрон VD5 и конденсатор С4, разряжая его. Напряжение на этом конденсаторе уменьшается, на базе транзистора VT1 возрастает. Когда оно достигнет примерно 0,7 В, пауза завершится, транзистор откроется и начнется новый цикл генерации. Подбирая номиналы элементов R3, С4 и VD5, можно регулировать частоту генерации и выходное напряжение устройства. Стабилитрон VD5 — маломощный с напряжением стабилизации 3,3...8,2 В. Светодиод HL1 — любой маломощный.
Рассматриваемые зарядные устройства отличаются весьма низкой надежностью. Часто выходит из строя коммутирующий транзистор VT1 из серии Q13001, вызывая повреждения связанных с ним элементов. В процессе ремонта он был заменен транзистором КТ940А, который выбран потому, что широко распространен. Следует отметить, что он работает без запаса по напряжению, поскольку его максимально допустимое напряжение коллектор— эмиттер равно 300 В. Несмотря на это, отремонтированные устройства не выходили из строя.
Автор: В.Зорин, г. Юрга Кемеровской обл.