RadioRadar - Радиоэлектроника, даташиты, схемы

https://www.radioradar.net/radiofan/measuring_technics/indicator_scope_pressure.html

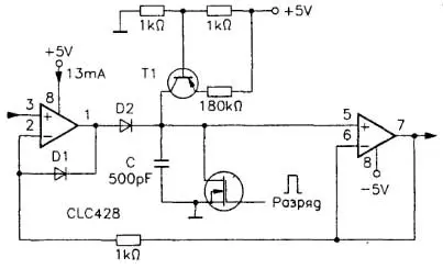
Индикатор размаха напряжения


Устройство, схема которого представлена выше, работает по следующему принципу: конденсатор С заряжается максимальным значением размаха входного сигнала в процессе измерения, которое завершается разрядом через транзистор Т2. Транзистор Т1 обеспечивает ток смещения второго операционного усилителя. Диод D1 не допускает насыщения первого операционного усилителя, что может произойти, когда входное напряжение меньше напряжения на конденсаторе С