В генераторе НЧ [1] частоту выходного сигнала устанавливают, пользуясь показаниями простого частотомера со стрелочным индикатором. Опыт работы с таким генератором подтвердил, что при этом можно получить достаточную точность установки частоты. Однако в некоторых случаях через паразитные связи частотомер сам может вносить существенные помехи в сигнал генератора. Ведь "аналоговым" его можно признать только с некоторыми допущениями, поскольку гармоники высокого порядка возникают уже во входном формирователе "меандра" и добавляются помехи от одновибрато-ра. Поэтому большую часть аналоговых частотомеров и сочетаний "аналоговый частотомер с цифровым отсчетом" или "цифровой со стрелочным прибором" вряд ли можно считать чисто аналоговыми.

Рис. 1
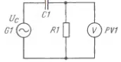
В аналоговом приборе с повышенной чувствительностью желательно вообще избегать импульсных сигналов. Одно из простейших решений - измерять вольтметром переменного напряжения сигнал, подаваемый через RC-делитель. Схема аналогового частотомера очень проста (рис. 1). Емкостное сопротивление Хс конденсатора уменьшается с ростом частоты сигнала: Хс = 1/ωС (ω= 2πF), и напряжение на входе вольтметра зависит только от частоты и напряжения сигнала Uc. Для сигнала с постоянной амплитудой показания вольтметра будут изменяться пропорционально изменению его частоты. Обычно в генераторе для стабилизации амплитуды выходного сигнала всегда принимаются меры и никаких сложностей при определении его частоты не возникает.

Рис. 2
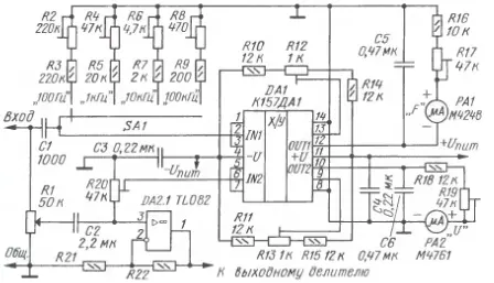
На рис. 2 показана схема простого, чисто аналогового частотомера, не добавляющего никаких помех (гармоник) к сигналу генератора [1]. Его особенность, не всегда оказывающаяся недостатком, - частотно-зависимый входной импеданс, уменьшающийся на высокочастотном поддиапазоне от 20 кОм на 10 кГц до 2 кОм на 100 кГц. Вольтметр выполнен на микросхеме двухканаль-ного детектора/выпрямителя К157ДА1. Второй канал использован как вольтметр выходного сигнала в генераторе.
Микросхема DA1 обеспечивает выходное напряжение не менее 10 В, и выбор микроамперметров не представляет сложности. Поэтому на схеме указаны разные типы - те, которые были в продаже. Переменный резистор R1 и микросхема DA2.1 с цепью ООС соответствуют R19 и DA5.1 выходного каскада генератора, показанного на схеме рис. 2 [1]. Его питание - от двуполяр-ного источника напряжения +/-17,5 В.
В самых простых случаях или малых габаритах генератора можно обойтись одним микроамперметром, подключая его с помощью переключателя к нужному выходу для установки частоты или измерения выходного напряжения генератора. Схемы вольтметров одинаковы. Подстроечные резисторы R12 и R13 используют для компенсации начально го напряжения на выходе микросхемы и для линеаризации начального участка шкалы прибора.
В микроамперметре требуется замена шкалы, для чего необходимо аккуратно вскрыть его корпус. Саму шкалу очень быстро можно изобразить с помощью программы FrontDesigner 3.0. Эту русифицированную программу используют при оформлении лицевых панелей приборов. Она принадлежит к той же серии, что и популярные Layout (для разводки печатных плат) и SPIan (для вычерчивания схем). Для некоммерческого применения она распространяется бесплатно, и ее легко найти в Интернете. Конечно, по своим возможностям она уступает программе CorelDRAW, но осваивать и работать с ней несоизмеримо легче и быстрее.

Рис. 3
Для частотомера оказалось удобнее иметь шкалу не на 100 делений, а на 110, что заметно облегчает точную настройку генератора на частоту 1 кГц при измерении коэффициента гармоник с помощью милливольтметра [2]. Для примера на рис. 3 показан эскиз лицевой панели со шкалой аналогового частотомера с автоматическим выбором предела измерений.
Но если необходимо использовать аналоговый частотомер в качестве самостоятельного устройства или встроить его, например, в вольтметр, то использовать переключатель для выбора диапазона частот генератора не удастся. И так как не всегда заранее что-то известно об измеряемом сигнале, то желательно иметь автоматический выбор предела измерений. По этому поводу удалось найти только одну статью [3]. Предложенный там частотомер не только сложен по схеме, но и может создавать заметные помехи от импульсных сигналов.

Рис. 4
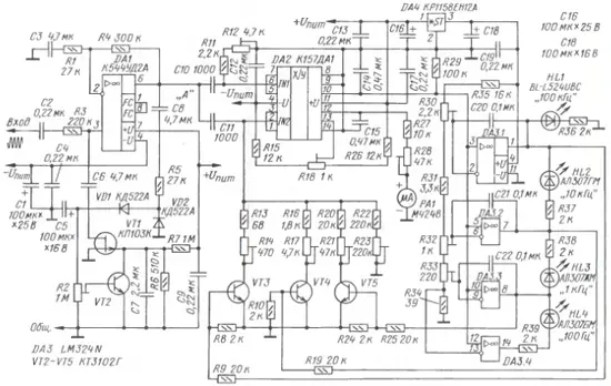
Если в автоматическом переключателе диапазонов использовать RC-дели-тель, то и здесь можно добиться значительного упрощения и исключить узел с импульсным сигналом. Схема такого частотомера показана на рис. 4. Здесь RC-цепь должна быть рассчитана для работы в более широком диапазоне частот, чтобы уверенно устанавливать границы переключения - "100 Гц", "1 кГц" и "10 кГц". С выхода RC-цепи сигнал через выпрямитель на микросхеме К157ДА1 (DA1) подается на компараторы микросхемы DA3 (LM324N). Пороги срабатывания компараторов устанавливают с помощью подстроечных резисторов R30 (поддиапазон до 100 кГц), R32 (до 10 кГц) и R33 (до 1 кГц). На очень низких частотах или при малых уровнях сигналов все компараторы выключены и све-тодиоды не светятся. При сигнале частотой ниже 100 Гц и с напряжением более 50...70 мВ зажигается светодиод HL4 красного цвета ("100 Гц"). Напряжение питания - +/-15 В.

Рис. 5
На рис. 5 приведен чертеж печатной платы для аналогового автоматического частотомера. При разводке проводников печатной платы применялась программа Sprint Layout 3.0; многие изготовители печатных плат принимают чертежи в электронном виде в этом формате.

Рис. 6
Внешний вид узла аналогового частотомера показан на фото рис. 6.
Изготовленный прибор налаживают следующим образом. Перед настройкой лучше отпаять один из проводов от микроамперметра РА1, чтобы случайно не вывести его из строя. Подстроечный резистор R28 нужно установить в положение максимального сопротивления.
При регулировке используется сигнал с генератора напряжением 1 В. На частоте 100 кГц подстроечным резистором R12 выставляют напряжение 8 В на выходе 10 детектора DA2. Затем на частоте 10 кГц точно устанавливают порог срабатывания компаратора DA3.1 резистором R30, чтобы погас светодиод HL2 и зажегся HL1("100 кГц"). Тип светодиодов не имеет значения. Целесообразно на самом низкочастотном диапазоне ("100 Гц") поставить светодиод HL4 красного цвета, на частоте до 1 кГц (HL3) - желтого, на частоте до 10 кГц (HL2) - зеленого. Для поддиапазона самых высоких частот (до 100 кГц) можно установить светодиод HL1 синего цвета.
С выхода компаратора DA3.1 сигнал управления подается на электронный ключ VT3, который подключает соответствующие поддиапазону резисторы в RC-делителе (C11R13R14). Затем на частотах 1 кГц и 100 Гц выставляют пороги срабатывания компараторов DA3.2 (резистором R32) и DA3.3 (R33). Компаратор DA3.4 выключает светодиод HL4 при очень низких уровнях входного сигнала, как это сделано и в промышленном ИНИ С6-11. Порог его срабатывания можно установить подбором резистора R34. В качестве электронных ключей вполне удовлетворительно работают КТ3102Г, но можно использовать и другие кремниевые транзисторы.
На самом низкочастотном поддиапазоне, когда все электронные ключи разомкнуты, сопротивление в RC-делителе определяется резисторами R22, R23. На частоте 90 Гц подстроеч-ным резистором R23 устанавливают напряжение на выводе 12 микросхемы DA2 равным 2,5 В. При срабатывании компаратора DA3.3 электронный ключ VT5 подключает параллельно резисторам R22, R23 дополнительную цепь из R20, R21. Затем на частоте 900 Гц выставляют такое же напряжение, как и на 90 Гц, подстроечным резистором R21. На следующем поддиапазоне (до 10 кГц) подстроечным резистором R17 добиваются того же напряжения при частоте 9 кГц и, наконец, такую же регулировку проводят резистором R14 на частоте 90 кГц. Частоты регулирования выбраны ниже максимальных, чтобы не возникало автоматическое переключение диапазонов.
Затем подключают измерительную головку и при сигнале частотой 500 Гц подстроечным резистором R28 точно устанавливают показания прибора. Проверяют их соответствие на частоте 200 Гц и при необходимости проводят коррекцию подстроечным резистором R18. Далее нужно провести проверку точности шкалы во всех диапазонах.
На вход частотомера "А" (на конденсаторы С10 и С11) необходимо подавать сигнал с постоянным напряжением, так как изменение напряжения на входе частотомера вносит пропорциональную ошибку в его показания. Без автоматической регулировки усиления здесь обойтись не удастся. В вольтметре [2] уже есть очень неплохой авторегулятор (АРУР) для автоматической калибровки измерителя нелинейных искажений, в других случаях необходимо устанавливать на входе инерционный АРУР. Нет необходимости добиваться очень малых искажений, вносимых авторегулятором, или определенных динамических характеристик [4], но характеристика стабилизации уровня должна быть во всем диапазоне измеряемых напряжений горизонтальной.
В показанной на рис. 4 схеме низкочастотного частотомера (до 100 кГц) простой авторегулятор на входе обеспечивает достаточную для радиолюбительской практики точность показаний параметра при напряжении сигнала в интервале значений 0,1...10 В.
Вносимые авторегулятором искажения не позволяют использовать его в аппаратуре записи и воспроизведения музыки, но он успешно справляется с задачей АРУ в подобных измерительных устройствах. Чтобы не занижались показания на высоких частотах (50...100 кГц), в АРУР пришлось применить более высокочастотный ОУ К544УД2А (DA1). Подстроечным резистором R2 устанавливают порог стабилизации уровня, добиваясь выходного напряжения около 1 В при входном напряжении 0,1... 10 В. Отклонение от этого значения и будет в основном определять погрешность измерений.
Очень удобно налаживать подобные приборы с помощью цифровых осциллографов, достоинства которых известны. Раньше радиолюбителей отпугивали высокие цены, но теперь в продаже появились относительно недорогие цифровые запоминающие осциллографы. Так, двухканальный осциллограф PDS 5022S (до 20 МГц) фирмы Owon с большим цветным дисплеем (7,8 дюйма) или похожий на него ' осциллограф АСК-2525 стоят дешевле известного одноканального С1-94. Конечно, и эти упомянутые приборы не всем доступны, но с помощью такого осциллографа настройка некоторых приборов, например частотомера, превращается в удовольствие, тем более что сразу видно отсчет и частоты, и амплитуды сигнала. Четыре осциллограммы можно сохранить и вызывать при необходимости на монитор или записать на компьютер.
Литература
1. Кузнецов Э. Низкочастотный измерительный генератор с аналоговым частотомером. - Радио, 2008, № 1, с. 19-21.
2. Кузнецов Э. Вольтметр - ИНИ с
автоматическим выбором предела измерений. - Радио, 2008, № 5, с. 19-22, № 6, с. 19-21.
3. Гриев Ю. Аналоговый частотомер с автоматическим выбором предела измерений.: Сб. "В помощь радиолюбителю", вып. 108, с. 40-51. - М.: Патриот, 1990.
4. Кузнецов Э. Автоматические регуляторы уровня звуковых сигналов. - Радио, 1998, №9, с. 16-19.
Автор: Э. Кузнецов, г. Москва