Приборы серии PM130 PLUS израильской фирмы SATEC предназначены для измерения и мониторинга параметров электрической энергии в трехфазных трех- и четырехпроводных системах. Выпускаются две модификации прибора. Базовая модель PM130P позволяет осуществлять трехфазные измерения напряжения, тока, частоты, мощности и cos φ. Модель PM130EH дополнительно осуществляет интегрирование мощности и энергии, а также оценивает несинусоидальность (в том числе по отдельным гармоникам до 40-й), т. е. может использоваться как анализатор качества и как трехфазный счетчик активной, реактивной и полной энергии.
PM130 PLUS имеет три входа напряжения и три полностью гальванически изолированные входа тока. С прибором используются внешние трансформаторы тока и, при необходимости, напряжения с вводом коэффициентов трансформации в прибор для пересчета результатов измерений. Метрологические характеристики прибора соответствуют классу точности 0,5S согласно ГОСТ Р 52323-2005 (МЭК 62053-22:2003).
Важным преимуществом PM130 PLUS является возможность получения сигналов в цифровой форме для последующей обработки информации или передачи на расстояние. С этой целью прибор в стандартной версии оснащен портом связи RS-485 (протоколы ASCII, Modbus и DNP3.0), что позволяет использовать его в различных системах сбора и передачи данных.
Математическую обработку сигналов обеспечивает мощный внутренний процессор с объемной оперативной памятью и внутренней энергонезависимой памятью. Имеются часы реального времени.
Для прибора PM130EH PLUS, начиная с версии N1.4В, появился журнал для записи данных и журнал событий.
Журнал данных. В данный журнал пользователь может записать до 9 выбранных им параметров (ток, напряжение, мощность, энергию или любой другой измеряемый параметр). Свободной памяти прибора хватает примерно на 1300 записей для записи всех 9 параметров. Каждой записи присваивается индивидуальная метка времени. Параметры могут записываться в память как с любым выбранным шагом, так и с применением дополнительных условий.
Журнал событий. В данный журнал записываются любые внешние и внутренние события: изменение настроек, сброс данных, отключение питания.
С учетом требуемых пользователю функций прибор PM130 PLUS может быть дополнен одним из следующих модулей:
• Дискретные входы (входы состояния) + релейные выходы (DI). Этот модуль имеет 4 оптически изолированных дискретных входа типа "сухой контакт" и 2 релейных выхода, используется для сбора дискретной информации о состоянии устройств релейной защиты и автоматики, для получения импульсов от счетчиков электрической энергии или других приборов, для внешней синхронизации времени, а также для выдачи импульсов, сигналов аварийной сигнализации и управления.
• Аналоговые выходы (AO). При помощи этого модуля прибор получает оптически изолированные аналоговые выходы с различными рабочими диапазонами (по заказу), (измерительные преобразователи тока); имеется внутренний источник питания 24 В.
• Порт Ethernet позволяет использовать в дополнение к стандартным ASCII, Modbus и DNP3.0 протоколы передачи данных Modbus TCP и DNP3 TCP.
• Порт PROFIBUS также позволяет расширить возможности передачи данных.
• Модуль "Многотарифная система учета электроэнергии" позволяет вести учет электроэнергии по различным тарифам с учетом сезона, типа дня и времени суток (в течение суток возможна установка до 8 значений времени переключения тарифа). В его состав входят часы высокой точности, дополнительная батарея (сохраняющая питание часов до 5 лет) и 4 оптически изолированных дискретных входа типа "сухой контакт", предназначенные для сбора дискретной информации.
Прибор имеет небольшие размеры (114х114х109 мм, вес 0,7 кг) и подходит для монтажа в четырехдюймовый круглый или квадратный вырез 92х92 мм (что позволяет устанавливать его на имеющихся панелях взамен устаревших или вышедших из строя приборов). Также можно заказать прибор в специальном исполнении для монтажа на DIN-рейку.
Общий вид прибора представлен на рис. 1. На трех экранах светодиодного дисплея отражаются данные измерений по выбору пользователя.


Рис. 1. Общий вид прибора.
В общей группе измерений доступны 17 различных страниц (наборов данных, отображаемых одновременно на экране), причём возможна установка режима автопрокрутки показаний с программируемым интервалом времени.
Кнопками навигации и управления, расположенными на лицевой стороне прибора, пользователь может перейти в другие режимы :
МАКС/МИН – в режим отображения максимальных и минимальных значений токов, напряжений, мощностей и др.;
ГАРМ/ВЫХОД – в группу измерения гармоник;
ЭНЕРГИЯ – в режим отображения различных видов энергии (в модели PM130EH) и к многотарифному учету (при наличии соответствующего дополнительного модуля).
Наглядную информацию о текущем уровне нагрузки дает графический светодиодный индикатор, расположенный в левом верхнем углу лицевой панели. Здесь постоянно отображается величина токовой нагрузки в процентах относительно заданного пользователем номинального тока – например, если нагрузка составляет 80 % от номинальной, то горят индикаторы от 40 до 80 % включительно. Персонал своевременно замечает превышение нагрузки и может принять необходимые меры. Если номинальная нагрузка не задана, то в расчет принимается первичный ток трансформатора тока.
Ниже на дисплее имеется индикатор импульсов энергии, который показывает импорт активной мощности из расчета 1000 импульсов на 1 кВтч. Светодиодные индикаторы RX и TX на дисплее показывают активность порта связи, загораясь при передаче или получении данных.
Все настройки прибора производятся непосредственно через панель дисплея, либо через порты связи с помощью программы PAS. Эта русскоязычная программа поставляется бесплатно со всеми приборами фирмы SATEC, устанавливается на компьютере пользователя и обеспечивает множество полезных функций: дистанционное управление прибором, накопление и обработку получаемых данных и др. Связь с прибором осуществляется через порт RS485, или через дополнительный порт (Ethernet или Profibus).
В компьютере пользователя для каждого из приборов создается отдельная база данных, в которой хранятся его настройки и параметры. Можно загрузить, изменить или прочитать настройки в режиме онлайн, а также подготовить настройки в режиме оффлайн, а затем загрузить их в прибор, локально и дистанционно. Имеется возможность защиты настроек паролем.
Программа PAS осуществляет ряд операций дистанционно, через каналы связи, что очень удобно для пользователя. Так, измеряемые данные могут читаться с прибора в режиме реального времени, обновляясь на экране с заданной частотой, а также одновременно сохраняться в базе данных в компьютере. PAS поддерживает 33 программируемых набора данных для чтения из приборов в реальном времени. Удобны функции просмотра получаемых данных в виде таблицы или в графической форме (рис. 2).

Рис. 2. Мониторинг данных измерений
Все это предоставляет широкие возможности для мониторинга параметров, статистической обработки результатов измерений, осуществления энергетического аудита и др.
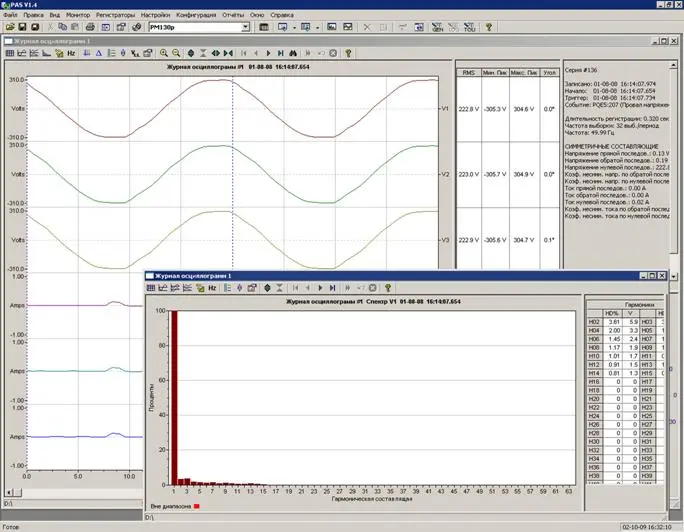
Модель PM130ЕН PLUS позволяет также получать и просматривать в реальном времени формы кривых токов и напряжений, т. е. работать в режиме осциллографа. Они могут быть показаны как по отдельности, так и по разным фазам одновременно (рис. 3), а также как граф действующих значений, период за периодом, или как спектр гармоник (рис. 3).

Рис. 3. Представление форм кривых токов и напряжений
Это позволяет использовать прибор не только для измерений и постоянного мониторинга, но и для исследований качества электроэнергии.
С помощью Диспетчера сохранения файлов программы PAS файлы событий, данных и осциллограмм могут сохраняться в компьютере в формате таблиц Microsoft Excel или баз данных Мicrosoft Access, что удобно для последующей обработки. Файлы загружаются в компьютер по требованию пользователя или автоматически по заданному расписанию – например, ежедневно, еженедельно или помесячно. Это позволяет получать долговременные профили данных.
Отметим, что базы данных имеют тенденцию к быстрому росту, а при размере свыше 0,5 Гбайт операции с ними значительно замедляются. Во избежание чрезмерного роста файлов можно периодически менять имя базы данных или воспользоваться Диспетчером сохранения, который будет архивировать базы данных по заданному пользователем расписанию. Архивная база данных получает то же имя, к которому добавляется дата наиболее старой записи в архиве, что даёт возможность легко идентифицировать их.
Если прибор оснащен релейными выходами, программа PAS позволяет послать команду на любое реле или освободить включенное реле, работающее в режиме удержания. Такая функция позволяет не только контролировать заданные параметры, но и предпринимать необходимые действия.
К полезным функциям прибора следует отнести также возможность его самодиагностики. Информация о состоянии прибора сохраняется в регистре диагностики, который находится в энергонезависимой памяти и может быть прочитан через каналы связи или с помощью программы PAS.
Приборы серии PM130 PLUS имеют сертификат об утверждении типа измерения IL.C.34.004.A № 27898 от 31.05.07 г. и соответствуют требованиям российских и международных стандартов IEC 61010B-1:2004 (ГОСТ Р МЭК 61010-2005), ГОСТ Р 52323-2005 (МЭК 62053-22), ГОСТ Р 52320-2005 (МЭК 62052-11:2003), ГОСТ Р МЭК 61010-2005, ГОСТ Р 51317.4.2-99 (МЭК 61000-4-2-95), ГОСТ Р 51317.4.4-99 (МЭК 61000-4-4-95), ГОСТ Р 51317.4.5-99 (МЭК 61000-4-5-95), ГОСТ Р 51317.4.6-99 (МЭК 61000-4-6-96), ГОСТ Р 50648-94 (МЭК 61000-4-8-93), ГОСТ Р 51317.6.4-99 (МЭК 61000-6-4-97), ГОСТ Р 51318.22-99.
Система менеджмента качества SATEC LTD сертифицирована по международным стандартам ISO 9001:2000 и имеет сертификат соответствия директивам Евросоюза СЕ.