Широкополосные фазовращатели (ШФ) предназначены для линейного преобразования - "расщепления" - низкочастотного сигнала с целью получения двух сигналов с постоянными амплитудой и фазовым сдвигом (чаще всего 90 град.) в широком частотном интервале. В радиолюбительской практике такие фазовращатели применяют в музыкальной акустике для получения синтетических унисонов и стереофонии, в системах звукофикации для подавления паразитной акустической обратной связи.
В технической литературе широкополосные фазовращатели встречаются под названиями широкополосный квадратурный фильтр и широкополосные разностные цепи [1, 2]. В этих же изданиях изложены методики расчета такого рода устройств. Исходные параметры для расчета: коэффициент перекрытия по частоте, требуемый постоянный фазовый сдвиг между сигналами (фазо-разностная характеристика) и максимально допустимое отклонение (погрешность) этого сдвига. Чем жестче указанные требования, тем сложнее схема фазовращателя.
Можно отыскать описания различных широкополосных фазовращателей, содержащих активные элементы (микросхемы). Однако на практике чаще всего применяют фазовращатели на резисторах и конденсаторах. Ниже рассмотрены подобные устройства, собранные только на пассивных элементах, как обеспечивающих максимальную надежность. Исключением служит входной фазорас-щепитель на одном транзисторе, обеспечивающий питание устройства двумя одинаковыми по амплитуде противофазными сигналами. При необходимости и этот активный элемент может быть заменен низкочастотным трансформатором с малым выходным импедансом.

Рис. 1
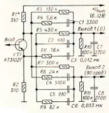
Фазовращатель, схема которого показана на рис. 1, обеспечивает фазовый сдвиг между выходными сигналами 90 град в частотной полосе 50... 10000 Гц с погрешностью не более 3 град. Коэффициент передачи фазовращателя по напряжению - приблизительно 0,4.
Последующие входные цепи должны быть высокоомными - не менее нескольких мегаом После установки линейного режима работы транзистора VT1 добиваются равенства значений амплитуды переменного напряжения на эмиттере и коллекторе подборкой резистора R1 (базовые цепи на схеме не показаны)
На схеме указаны стандартные номиналы элементов фазовращателя, а в табл. 1 - точные значения сопротивления резисторов и емкости конденсаторов Эти элементы необходимо подобрать с точностью не хуже 1 %. ТКЕ конденсаторов должен быть не хуже М150. Желательно предусмотреть возможность подборки в небольших пределах резисторов R10, R11 и конденсаторов С7, С8.
Постоянное напряжение на резисторах R10, R11, поступающее с эмиттера и коллектора транзистора VT1, может быть использовано для установки режима последующих ступеней. Постоянные и переменные составляющие напряжения при этом должны быть, разумеется, разделены.
Необходимость применения и характеристики фильтров, подавляющих частотные составляющие ниже и выше полосы фазовращателя, определяют для каждого конкретного случая отдельно.
Описанный широкополосный фазовращатель (см. рис. 1) применен в устройстве сдвига частотного спектра, реализующем пространственное унисонное вибрато, известное также под названием "двуточечный унисон" [3]. В этом же издании даны рекомендации по применению такого рода устройств в музыкальной акустике.
В табл. 2 представлены точные значения сопротивления резисторов и емкости конденсаторов более совершенного фазовращателя, собранного по схеме на рис 1. Этот фазовращатель обеспечивает сдвиг фазы 90 град, в частотной полосе 200... 10000 Гц с точностью около 1 град. Элементы должны быть подобраны с точностью не хуже ±1 %. а конденсаторы - иметь ТКЕ не хуже М150.

Рис. 2
В некоторых случаях возникает необходимость применения широкополосного фазовращателя с фазовым сдвигом 120 град. На рис. 2 изображена схема фазовращателя, обеспечивающего такой сдвиг фаз в частотной полосе 200...6800 Гц с погрешностью около 3 град. Стандартные номиналы элементов указаны на схеме, а точные значения сопротивления резисторов и емкости конденсаторов - в табл. 3. Требования к радиоэлементам аналогичны указанным выше.

Рис. 3

Третья фаза со сдвигом 240 град, получается суммированием двух равных по амплитуде сигналов, сдвинутых по фазе на 120 град., и инвертированием суммарного напряжения. Принцип получения напряжения со сдвигом фазы 240 град, иллюстрирует векторная диаграмма на рис. 3
Литература
1Авраменко А. А., Галямичев Ю. П., Ланнэ А. А. Электрические линии задержки и фазовращатели. - М.- Связь. 1973
2. Верзунов М. В. Однополосная модуляция в радиосвязи. - М.: Воениздат. 1972.
3. Королев Л. Д. Устройства сдвига частоты на электромеханических преобразователях. - Сб. "В помощь радиолюбителю", вып 90. 1985.
Автор: Л. Королев, г. Москва