Листая в поисках нужной мне статьи журнал "QST" за 1999 г., в разделе "Письма читателей на технические темы" ("Technical Correspondence") октябрьского номера я увидел заметку американского коротковолновика Майкла Ли (KB6FPW) "Концентратор свободной энергии". В ней шла речь об использовании энергии радиоволн мощных радиовещательных передатчиков для питания радиоаппаратуры. Сама по себе эта идея не нова, ей примерно столько же лет, что и самому радиовещанию. Заметки на эту тему можно найти и в отечественных журналах, издававшихся на заре нашего радиолюбительства. Понятно, что много "свободной энергии" от такого источника не получишь, да и вообще заниматься этим имеет смысл только тем, кто живет на относительно небольшом удалении от передатчиков. Автор упомянутой заметки сообщил, что в его городе (Сан-Хосе, штат Калифорния) работают пять радиовещательных средневолновых радиостанций с суммарной излучаемой мощностью около 50 кВт. Чтобы проверить возможность использования энергии их радиоволн для питания своего маломощного трансивера (точнее, для подзарядки питающей его аккумуляторной батареи), он собрал экспериментальное устройство, схема которого показана на рисунке.

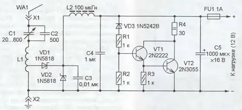
Для приема "свободной энергии" автор использовал антенну (WA1) и систему заземления любительской радиостанции. Антенна - луч длиной 43 метра. Это в несколько раз меньше длины волны средневолновых радиостанций, поэтому входной импеданс такой антенны имеет заметную емкостную составляющую. Соединенные параллельно конденсатор переменной емкости С1 и постоянный конденсатор С2 включены с ней последовательно, что позволяет регулировать приведенное значение емкостной составляющей в точке подключения верхнего (по схеме) вывода катушки L1 (иными словами, изменять резонансную частоту последовательного контура, образованного этой катушкой и емкостью антенны).
При резонансе контура на катушке L1 может возникать значительное ВЧ напряжение от несущей радиостанции, на которую настроен колебательный контур. В экспериментах автора при индуктивности катушки L1 39 мкГн резонанс на частоте 1370 кГц (на ней работала самая мощная местная радиостанция) наступал при суммарной емкости конденсаторов С1 и С2. равной 950 пФ (интервал перестройки ограничен частотами 1100 и 1600 кГц).
Поскольку ВЧ напряжение в данном случае надо снимать с высокоомной цепи, диод выпрямителя VD1 подключен к отводу катушки. Его место подбирают при налаживании устройства по максимальной выходной мощности. Как отмечает автор, место отвода было не критично: примерно одинаковые результаты получались, когда он находился в интервале от 1/4 до 1/6 числа витков катушки, считая от ее нижнего (по схеме) вывода.
Для того чтобы избежать перезарядки аккумулятора или выхода из строя диодов выпрямителя при отключении аккумулятора (из-за возможного их пробоя обратным напряжением), в устройство введен узел защиты на транзисторах VT1 и VT2. При напряжении на нагрузке менее 12 В ток через стабилитрон VD3 не протекает, поэтому транзисторы закрыты. При увеличении напряжения сверх этого значения они открываются и резистор R4 шунтирует выход выпрямителя.
По измерениям автора, устройство, настроенное на частоту указанной выше радиостанции, обеспечивало ток зарядки аккумуляторной батареи до 200 мА. (К сожалению, сведений о мощности передатчика в заметке нет, сказано лишь, что расстояние до него около 1,6 км). По оценкам, концентратор за год "выдал" около 1700 А-ч для зарядки батареи... Причем, в отличие, например, от солнечных батарей, его можно использовать практически круглосуточно (точнее, в течение всего времени работы радиостанции).
Для настройки контура автор применил конденсатор переменной емкости с большим зазором между пластинами ротора и статора, но если напряжение, развиваемое в системе при резонансе, не слишком велико, можно использовать и конденсатор с воздушным диэлектриком от радиовещательного приемника.
Катушка индуктивности L1 намотана на каркасе диаметром 50 мм и содержит 60 витков провода диаметром 1,6 мм, длина намотки - 250 мм (шаг - примерно 4 мм). Магнитопровод дросселя L2 - кольцевой Т-106-2 (27x14,5x11,1 мм) из карбонильного железа, обмотка состоит из 88 витков провода диаметром 0,4 мм. Диоды VD1 и VD2 рассчитаны на прямой ток до 1 А и обратное напряжение 40 В. Стабилитрон VD3 - с напряжением стабилизации 12 В
Разумеется, при повторении устройства параметры элементов колебательного контура (индуктивность катушки L1 и емкость конденсаторов С1 и С2) должны быть скорректированы под имеющуюся антенну и частоту местной радиостанции.
Автор: Б. Степанов (RU3AX), г. Москва