Как работает ЭСУД "Bosch EDC 15M-4". Электрическая схема, состав и расположение компонентов
Конструкция дизельного двигателя имеет все атрибуты двигателя внутреннего сгорания (ДВС). Главное отличие дизеля от бензинового мотора заключено в гениальном изобретении Рудольфа Дизеля - так называемое "внутреннее смесеобразование и самовоспламенение горючей смеси от сжатия".
Приведем основные характеристики дизельного двигателя (далее - дизеля):
- 4-тактный рабочий цикл: впуск, сжатие, рабочий ход и выпуск;
- степень сжатия дизеля составляет 20...24 единицы (у бензинового ДВС - 8.12 единиц);

Рис. 1. Конструкция ТНВД серии VP44
1 - шиберный насос с клапаном регулировки давления; 2 - датчик углового положения приводного вала; 3 - электронный блок управления ТНВД; 4 - плунжеры, вал-распределитель и нагнетательный клапаны; 5 - устройство опережения впрыска и электромагнитный клапан установки момента впрыска; 6 - электромагнитный клапан высокого давления

Рис. 2. Принципиальная схема ЭСУД "Bosch EDC 15М+4" двигателя Audi A4 2,5D TDI "AFB" до 1998 г.
- забираемая впускной системой рабочая смесь и впрыснутая под высоким давлением (1500...2000 бар
у современных дизелей) в результате сжатия нагревается до 800...900°С и самовоспламеняется;
- для облегчения холодного пуска имеется система предпускового подогрева воздуха в камерах сгорания;
- сердце дизеля - топливный насос высокого давления(ТНВД) -имеет электронное управление количеством подачи топлива, моментом начала впрыска и остановкой работы мотора;
- как средство увеличения мощности и крутящего момента в дизеле часто применяется наддув воздуха, электронное управление которым, как и все вышеперечисленные функции, обеспечивается соответствующей ЭСУД;
- в качестве основного средства улучшения экологических показателей в дизеле применяется система рециркуляции отработанных газов (ОГ).
Организованный таким образом рабочий процесс позволяет использовать дешевое топливо и работать на обедненных смесях, что обеспечивает высокую экономичность дизеля. Его экологические показатели также на высоте, так как выбросы окиси углерода в атмосферу сравнительно малы.
Рассмотрим диагностику компонентов ЭСУД "Bosch EDC 15М-4" на примере автомобиля Audi A4 2,5D TDI 1997-2001 гг. выпуска (этим двигателем оснащался также кузов Audi A6). Двигатель этой конструкции оснащен распределительным ТНВД серии VP44 с радиальным движением плунжеров и управлением с помощью электромагнитного клапана высокого давления (см. рис. 1).
ТНВД этой конструкции имеет встроенный подкачивающий топливный насос и регулятор давления (внутри корпуса ТНВД), обеспечивающие в системе, в зависимости от режима работы дизеля, необходимое давление (18.24 бар). В контуре высокого давления при помощи радиальных плунжеров и электромагнитного клапана высокого давления топливо сжимается до 1500.2000 бар.

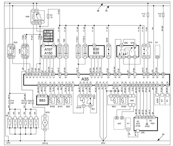
Рис. 3. Принципиальная схема ЭСУД "Bosch EDC 15М-4" двигателя Audi A4 2,5D TDI "AFB" с 1999 г. 15 Ignition switch - шина "15" бортовой сети; 30 Battery + - шина "30" бортовой сети; 31 Battery - шина "31" бортовой сети; 50 Ignition switch - шина "50" бортовой сети; A102 Intake manifold air control solenoid (IMACS) - клапан управления впускным коллектором; A107 Fuel injection pump control module - блок управления ТНВД (ЕСМ ТНВД); A130 Diagnostic module - блок управления диагностикой; A150 Fuel injection pump - топливный насос высокого давления (ТНВД); A162 Immobilizer control module - блок управления иммобилайзером; A35 Engine control module (ECM) - блок управления впрыском топлива; A5 Instrument panel - панель приборов; A57 Transmission control module (TCM) - блок управления трансмиссией; A75 Instrumentation control module - блок управления панелью приборов; B138 Accelerator pedal position (APP) sensor - датчик позиции педали акселератора; B141 Injector needle lift sensor (INLS) - датчик хода иглы распылителя форсунки (датчик момента начала впрыска топлива); B156 Engine oil temperature sensor (EOT) - датчик температуры масла двигателя; B178 Injection pump position sensor (IPPS) - датчик угла поворота приводного вала ТНВД; B180 Fuel low level sensor (FLLS) - датчик низкого уровня топлива; B24 Engine coolant temperature (ECT) sensor - датчик температуры системы охлаждения; B25 Intake air temperature (IAT) sensor - датчик температуры воздуха; B31 Fuel temperature sensor (FTS) - датчик температуры топлива; B33 Vehicle speed sensor (VSS) - датчик скорости; B54 Crankshaft position (CKP) sensor - датчик положения коленвала; B83 Manifold absolute pressure (MAP) sensor - датчик разряжения во впускном коллекторе; F Fuse - предохранители; G1 Alternator - генератор; H25 Glow plug warning lamp - контрольная лампа свечей накаливания; K206 Engine coolant blower motor run-on relay - реле вентилятора системы охлаждения; K22 Glow plug relay - реле свечей накаливания; K266 Fuel transfer pump relay - реле насоса подачи топлива из бака; K3 Alternator relay - реле генератора; K46 Engine control relay - главное реле питания; M32 Fuel transfer pump (FTP) - насос подачи топлива из бака; R5 Glow plug - свечи накаливания; S13 Brake pedal position (BPP) switch - концевой выключатель педали тормоза; S258 Clutch pedal position (CPP) switch - концевой выключатель педали сцепления; S337 Accelerator pedal position (APPS) switch - концевой выключатель датчика позиции педали акселератора; S61 Transmission kick-down switch - концевой выключатель режима "kick-down" автоматической трансмиссии; S79 Cruise control master switch - главный выключатель системы круиз-контроля; S80 Cruise control selector switch - переключатель режимов системы круиз-контроля; X1 Data link connector (DLC) - диагностический разъем; Y132 Fuel injection timing solenoid (FITS) - электронный регулятор момента начала впрыска топлива; Y133-I Engine mounting control solenoid LH - соленоид левой электрогидравлической опоры двигателя; Y133-II Engine mounting control solenoid RH - соленоид правой электрогидравлической опоры двигателя; Y159 Fuel quantity adjuster (FQA) - электронный регулятор цикловой подачи топлива; Y28 Exhaust gas recirculation (EGR) solenoid - клапан системы рециркуляции ОГ; Y68 Turbocharger (TC) wastegate regulating valve - регулятор давления наддува

Рис. 4. Размещение компонентов ЭСУД "Bosch EDC 15M-4" на кузове 1 - датчик APP (над педалью акселератора)*; 2 - концевой выключатель APPS (встроен APP датчик); 3 - концевой выключатель BPP I/II (над педалью тормоза); 4 - концевой выключатель CPP (над педалью сцепления); 5 - датчик CKP; 6 - разъем DLC (на кузове A4 - около задней пепельницы); 7 - разъем DLC (на кузове A6 - под рулевой колонкой); 8 - блок управления впрыском топлива ECM; 9 - главное реле питания; 10 - датчик ECT; 11 - датчик EOT; 12 - клапан EGR (кузов A4); 13 - клапан EGR (кузов A6); 14 - ТНВД; 15 - ECM ТНВД; 16 - FITS регулятор (встроен в ТНВД); 17 - насос FTP (в топливном баке); 18 - реле насоса FTP (в релейном блоке справа под приборной панелью); 19 - датчик FLLS (в топливном баке); 20 - регулятор FQA (встроен в ТНВД); 21 - датчик FTS (встроен в ТНВД); 22 - предохранители F13/F28/F31 (в блоке предохранителей справа под приборной панелью); 23 - предохранители F39/F102/F125/F189; 24 - реле свечей накаливания (в релейном блоке справа под приборной панелью, позиция 4); 25 - свечи накаливания; 26 - датчик IPPS (встроен в ТНВД); 27 датчик INLS; 28 - форсунки впрыска; 29 - датчик IAT (встроен в MAF-датчик); 30 - клапан IMACS (кузов A4 1998 г.в.); 31 - клапан IMACS (кузов A6); 32 - датчик MAP; 33 - датчик MAF; 34 - клапан TC; * - в скобках описано размещение компонентов системы впрыска вне моторного отсека автомобиля
ЭСУД "Bosch EDC 15М-4", используя данные датчиков, выбирает оптимальные значения величины цикловой подачи и момента впрыска топлива, управляет системой рециркуляции отработанных газов (клапан EGR), давлением наддува во впускном коллекторе (клапан ТС) и временем включения пусковых свечей накаливания.
Кроме того, ЭСУД "Bosch EDC 15М-4" имеет интегрированную систему самодиагностики, поддерживающую протоколы OBD II и VAG.
Принципиальная схема ЭСУД "Bosch EDC 15М-4" двигателя Audi A4 2,5D TDI "AFB" приведена на рис. 2 (до 1998 г.) и 3 (с 1999 г.). Назначение элементов к рис. 3 справедливы и для рис. 2.
На рисунках приведена следующая цветовая маркировка электропроводки, принятая в автомобилях Audi:
• bl-blue - синий
• gn-green - зеленый
• rs-pink - розовый
• ws-white - белый
• x-braided cable - экранированный кабель
• br-brown - коричневый
• gr-grey - серый
• rt-red - красный
• hbl-light blue - голубой
• y-high tension - высоковольтный (свечной) провод
• el-cream - сливочный (кремовый)
• nf-neutral - нейтральный (бесцветный)
• sw-black - черный
• hgn-light green - светло-зеленый
• ge-yellow - желтый
• og-orange - апельсин (оранжевый)
• vi-violet - фиолетовый
• rbr-maroon - бордовый
На рис. 4 приведено размещение компонентов системы впрыска на кузове Audi A4 2,5D TDI 1997-2001 гг. выпуска.
На рис. 5 показано расположение реле и предохранителей электрических цепей системы впрыска в монтажных блоках моторного отсека (рис. 5а - у правого крыла) и в салоне (рис. 5б и 5в - до 1997 года, рис. 5г - с 1998 года, размещен справа под торпедой). Компоненты системы впрыска выделены на рисунках красным цветом.

Рис. 5. Монтажные блоки Audi A4 2,5D TDI
Проверка параметров блока управления впрыском
Данные для проверки блока ECM "Bosch EDC 15М-4" приведены в табл. 1. Они объединены в группы по функциональному назначению сигналов.

Рис. 6. Контрольные осциллограммы
На рис. 6 приведены контрольные осциллограммы ECM "Bosch EDC 15М-4".
Таблица 1. Назначение внешних контактов и проверка ECM "Bosch EDC 15M-4"




![]()

Рис. 7. Разъем ECM "Bosch EDC 15М+4"
На рис. 7 приведен внешний вид разъема
ECM "Bosch EDC 15М+4".
Автор: Александр Белов
Источник: Журнал Ремонт и сервис