Аннотация. Светодинамические устройства (СДУ) с программируемыми алгоритмами позволяют создавать большое многообразие светодинамических эффектов и управлять по программе большим числом световых элементов. СДУ с линейным (плавным) управлением яркостью, в отличие от СДУ с дискретным управлением яркостью, требуют применения отдельного аппаратного ШИМ-контроллера на каждый канал. Поэтому сложность такого устройства возрастает пропорционально числу световых элементов. В данной статье рассматривается 16-канальный вариант СДУ с плавным управлением яркостью, сочетающий в себе простоту схемотехнических решений и программно реализованную эмуляцию 16-ти аппаратных ШИМ-контроллеров.
Общие сведения. Одновременное синхронное управление яркостью большого числа световых элементов по линейному закону требует не только применения отдельного аппаратного ШИМ-контроллера на каждый канал, но и синхронизации работы таких контроллеров с определенным фазовым сдвигом между каналами. Предлагаемое устройство базируется на архитектуре программируемого 16-канального контроллера с последовательным интерфейсом, рассмотренной в [1]. Отличия заключаются в алгоритме чтения и прошивке ИМС ЭСППЗУ, а также применении более сложных выходных регистров типа 74AC595. Данный регистр состоит из 16-ти триггерных ячеек, первые восемь из которых входят в состав буферного регистра, а остальные восемь - в состав выходного. Применение последовательного интерфейса позволяет наращивать число световых элементов с минимальными аппаратными затратами без существенного усложнения схемотехнической части основного контроллера, а также управлять одновременно и синхронно несколькими наборами световых элементов по линиям последовательного интерфейса, длина которых может достигать 100 м. В простейшем случае СДУ реализует два световых эффекта типа "бегущая волна" с длиной слова ШИМ-последовательности равной 16 бит. Эффекты сменяются в автоматическом режиме после четырехкратного повторения или выбираются вручную нажатием кнопки. С увеличением объёма памяти используемой ИМС ЭСППЗУ возможно увеличение числа каналов, количества эффектов, а также длины слова ШИМ-последовательности.

Для плавного управления яркостью в данном устройстве использован принцип Широтно-Импульсной Модуляции (ШИМ). ШИМ - это способ кодирования цифрового сигнала путём изменения длительности (ширины) прямоугольных импульсов несущей частоты. На рис. 1 представлены типичные графики ШИМ сигнала. Поскольку при широтно-импульсной модуляции частота импульсов, а значит, и период (T), остаются неизменными, то при уменьшении длительности импульса (t) увеличивается пауза между импульсами (эпюра "Б" на рис. 1) и, наоборот, при увеличении длительности импульса пауза уменьшается (эпюра "В" на рис. 1). В нашем случае включению светодиода соответствует появление на выходе регистра уровня логического нуля, поэтому яркость возрастает с увеличением скважности импульсов (эпюра "Б" на рис. 1), и, наоборот, яркость уменьшается с уменьшением скважности (эпюра "В" на рис. 1). Напомним, что скважностью импульсов называется отношение периода следования импульсов к их длительности. Скважность - безразмерная величина и не имеет единиц измерения, но может быть выражена в процентах.
В данном устройстве используется 16-битная длина слова ШИМ-последовательности, что соответствует 16-ти градациям яркости световых элементов. Такого числа градаций яркости вполне достаточно для визуально плавного изменения яркости при периоде нарастания и спада "бегущей волны" не превышающем одной секунды. С увеличением периода изменения яркости до двух-трёх секунд переходы между уровнями яркости (градации) становятся визуально заметными, что потребует увеличения длины слова ШИМ-последовательности. Но для большинства применений, если не требуется очень медленного воспроизведения эффекта, вполне достаточно и 16-ти градаций яркости.
Для управления удалённым набором световых элементов используются три сигнальные линии последовательного интерфейса: "Data", "Clk1" и "Clk2". Первая линия "Data" - это информационный сигнал, а две другие линии - "Clk1" и "Clk2" - это сигналы стробирования буферных и выходных регистров, соответственно, входящих в состав ИМС 74AC595.
При работе на длинные несогласованные линии связи возникают проблемы передачи данных, связанные с хорошо известными отражениями сигналов и перекрестными помехами, наводимыми смежными проводниками, входящими в один жгут. Подобные отражения и помехи, возникающие в светодинамической системе, означают нарушение эстетического эффекта. Это накладывает ограничения на длину соединительной линии и предъявляет жёсткие требования к помехоустойчивости системы, использующей последовательный интерфейс.
Помехоустойчивость такой системы зависит от многих факторов: частоты и формы импульсов транслируемого сигнала, времени между изменениями уровней (скважности) импульсов, удельной ёмкости проводников линии, входящих в жгут, эквивалентного сопротивления линии, а также входного сопротивления приемников сигнала и выходного сопротивления драйверов.
Эффекты влияния длинных несогласованных линий начинают проявляться, когда времена задержек распространения сигнала вдоль линии и обратно начинают превосходить длительность фронтов нарастания и спада сигнала. Любые несоответствия между эквивалентным сопротивлением линии и входным сопротивлением логического элемента на приемной стороне линии или выходного сопротивления драйвера на передающей стороне приводят к многократному отражению сигнала. Типовое значение времён нарастания и спада фронтов сигнала для микросхем серии КР1554 составляет менее 5 нс, поэтому эффекты влияния длинных несогласованных линий начинают проявляться при её длине всего пятьдесят-шестьдесят сантиметров.
Зная характеристики линии передачи, такие как полная входная ёмкость и удельная ёмкость на единицу длины, можно вычислить время задержки распространения сигнала по всей длине линии. Типовое значение времени задержки распространения сигнала обычно составляет 5-10 нс/м. Если длина соединительной линии достаточно велика и длительность фронтов нарастания и спада сигнала достаточно мала, несоответствие эквивалентного сопротивления линии и входного сопротивления логического КМОП элемента на приёмной стороне создает отражение сигнала, амплитуда которого зависит от мгновенного значения напряжения, приложенного ко входу элемента, и коэффициента отражения, который, в свою очередь, зависит от эквивалентного сопротивления линии и входного сопротивления входного логического элемента.
Поскольку входное сопротивление элементов ИМС серии КР1554 многократно превосходит эквивалентное сопротивление линии, выполненной витой парой или экранированным проводником, отраженное напряжение на входе приемника удваивается. Этот отраженный сигнал распространяется вдоль линии обратно к передатчику, где он вновь отражается, и процесс повторяется до полного затухания сигнала.
Особо подчеркнём, что отражения никак не связаны с частотой импульсов транслируемого сигнала, а вызваны только большой крутизной фронтов транслируемых синхроимпульсов. Для борьбы с отражениями в профессиональной схемотехнике, при работе на линии большой длины (100 м и более), используют специальные драйверы, уменьшающие крутизну фронтов транслируемых синхроимпульсов, и, тем самым, исключающие ошибки передачи данных.
Для работы на линии относительно небольшой длины (от 10 до 100 м) вполне подходят ИМС стандартной логики серии КР1554 (74ACxx). Благодаря их высокой нагрузочной способности возможно непосредственное управление нагрузкой, имеющей емкостной характер. Сбалансированные (симметричные) вольтамперные выходные (передаточные) характеристики элементов этих микросхем позволяют получить практически одинаковые времена фронтов нарастания и спада сигнала. Кроме того, для трансляции сигналов в линию и приёма можно использовать мощные буферные элементы на основе триггеров Шмитта, обладающие гистерезисом, минимальное значение которого составляет около 0,9 В при напряжении питания 4,5 В, что создает дополнительный запас помехоустойчивости.
Для компенсации отражённого сигнала в данном устройстве используются так называемые интеграторы или интегрирующие RC-цепочки. Необходимость в них возникает только при работе на линии длиной более 10 м в условиях повышенного уровня помех. В авторском варианте устройства на линиях длиной до 10 м конденсаторы, показанные на схемах выходных регистров штриховыми линиями, не использовались. Линия связи при длине до 10 м выполняется жгутом из 5 проводников, включая "Питание "+12В"" и "Общий провод". При этом никаких сбоев не наблюдается, даже без интегрирующих конденсаторов. При длине сигнальной линии от 10 до 100 м возрастают перекрёстные помехи, наводимые смежными проводниками. В таком случае каждую сигнальную линию: "Data", "Clk1" и "Clk2" необходимо выполнить отдельной витой парой, а на платах выходных регистров установить конденсаторы, показанные на схеме штриховыми линиями. В таком случае, удалённые регистры и гирлянды запитываются от отдельного источника питания напряжением "+12В".
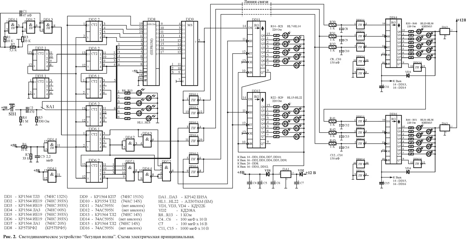
Схема электрическая принципиальная. Светодинамическое устройство (рис.2) состоит из основной платы контроллера и двух плат удалённых регистров, которые подключаются к основной плате с помощью трёх линий последовательного интерфейса. Общий проводник (на схеме не показан) также входит в состав соединительной линии и выполняется многожильным проводом сечением не менее 1 мм2. Соединительная линия заканчивается 9-контактной вилкой типа DB-9. На печатной плате установлен ответный разъём XN1 (на схеме также не показан).
Основная плата контроллера содержит: схему сброса в исходное состояние на триггере Шмитта DD1.4 и элементах C3-R6-R7; задающий генератор на элементах DD1.1…DD1.3; схему формирования импульсов синхронизации DD6.1, DD4.2…DD4.4, DD7.1, DD7.2; адресный счётчик DD6.2 выборки мультиплексора DD9 и счётчики DD2.2, DD3.2, DD5.1, DD5.2 адресации ИМС ЭСППЗУ DD8; светодиодную линейку индикации номера страницы памяти (HL1…HL4, зелёного цвета), индикатор возрастания-убывания яркости (HL5, жёлтого цвета), а также индикатор номера светодинамического эффекта (HL6, красного цвета). Для контроля работоспособности устройства на основной плате установлены регистры DD11, DD12 и светодиодная линейка HL7…HL22. Для трансляции сигналов в качестве драйверов использованы мощные буферные элементы на основе триггеров Шмитта типа КР1554ТЛ2 (74AC14). В качестве ИМС памяти можно использовать не только ЭСППЗУ типа AT28C16, но и РПЗУ типа КР573РФ2(РФ5).
Для разработки управляющей программы использован контроллер с интегрированным программатором, рассмотренный в [2] и [3]. Возможен и альтернативный вариант написания управляющей прошивки с помощью "Виртуального программатора" ("Light Effects Dumper"), но, в таком случае, необходимо переназначение адресных линий ИМС ЭСППЗУ (РПЗУ) при её программировании средствами стандартного программатора. Такую функцию поддерживают все промышленные программаторы профессионального уровня и большинство программаторов среднего уровня. Необходимость переназначения адресных линий при программировании ЭСППЗУ связана с тем, что при разработке программатора, рассмотренного в [2] и [3], изначально был выбран другой (обратный) порядок адресных линий для удобства трассировки печатной платы. Для конкретного контроллера [2] и [3] переназначение адресных линий на работе никак не отражается, поскольку данные считываются в той же последовательности, в которой и были записаны. При разработке СДУ “бегущая волна” порядок нумерации адресных линий был сохранён, чтобы обеспечить совместимость данного устройства с программатором [2] и [3].
Но в таблице приведён вариант прошивки светодинамических эффектов, сформированный с помощью программы "Виртуального программатора" ("Light Effects Dumper"), чтобы читатели смогли просмотреть прошивку с помощью программы "Виртуального симулятора" ("Light Effects Reader"), доступной по ссылке [4], и лучше ознакомиться с принципами работы устройства и разработки управляющей программы.
Принцип работы. При включении питания интегрирующая цепочка C3-R6 совместно с триггером Шмитта DD1.4 формирует короткий положительный импульс, который обнуляет счётчики DD2.1…DD6.2 (кроме DD3.1, который не используется), и, тем самым, переводит контроллер в исходное состояние. Импульсы задающего генератора DD1.1…DD1.3 с частотой около 130 КГц (точнее 131072 Гц) синхронизируют счётчик DD6.1, а вслед за ним и DD6.2 и остальные адресные счётчики. Забегая вперёд, скажем, что одному полному циклу нарастания-спада яркости "бегущей волны" по длительности равному две секунды соответствует частота задающего генератора именно 131072 Гц. Это значение получается исходя из частоты обновления данных в выходных регистрах равной 128 Гц, что намного превосходит эргономичное значение 85 Гц. Такая частота обновления данных необходима, чтобы исключить мерцание световых элементов и создать иллюзию плавного изменения яркости.

Временная диаграмма формирования импульсов синхронизации показана на рис.3. Из неё видно, что на каждый импульс синхронизации выходных регистров ("Clk2"), формирующийся на выходе элемента DD7.2 (вывод 6), приходится 16 импульсов синхронизации буферных регистров ("Clk1"), входящих в состав ИМС 74AC595. Причём, положительный перепад синхроимпульса (“Clk1”), формирующийся на выходе элемента DD4.3 (вывод 6), приходится на середину знакоместа передачи бита данных. Синхронизация буферного регистра в моменты, приходящиеся на середину знакоместа, как установлено опытным путём, по результатам испытаний базовой версии контроллера [1], соответствует максимальной помехоустойчивости при работе на несогласованные линии большой длины. При этом в применении интеграторов на входах удалённых регистров нет необходимости.
Первый же отрицательный импульс, считая с момента включения питания, формирующийся на выходе элемента DD4.3 (вывод 6), своим задним фронтом (положительным перепадом) производит запись бита данных, считанного из первой ячейки ЭСППЗУ по нулевому (0000h) адресу, в первые триггеры буферных регистров, входящие в состав ИМС DD11 и DD14 с одновременным сдвигом информации в направлении возрастания разрядов. Содержимое выходных регистров, входящих в состав ИМС DD11, DD12, DD14, DD16 при этом не изменяется, и светодиодные линейки отображают текущую светодинамическую комбинацию. Как отмечено выше, длина слова ШИМ-последовательности составляет 16 бит, поэтому для отображения одного уровня (градации) яркости на линейке из 16-ти светодиодов необходимо передать в регистры пакет данных из 16 x 16 = 256 бит информации, что условно соответствует одной странице адресного пространства ЭСППЗУ. Таким образом, полный цикл возрастания-убывания яркости занимает 32 страницы адресного пространства или 8К, из которых первые 16 страниц (4К) - это полуцикл возрастания яркости, а вторая половина, также 16 страниц (также объёмом 4К) - это полуцикл убывания яркости, считая относительно первого канала.
Отрицательный перепад каждого положительного импульса с выхода 2 (вывод 4) счётчика DD6.1 увеличивает состояние счётчика DD6.2 на единицу, и, следовательно, подключает к выходу мультиплексора DD9 его десятичный вход, соответствующий двоичному эквиваленту кода, который, в свою очередь, подключен к выходу соответствующего разряда данных ИМС ЭСППЗУ DD8. После записи 16 бит данных в буферные регистры ИМС DD11, DD12, DD14, DD16 задним фронтом (положительным перепадом) отрицательного импульса, формирующегося на выходе элемента DD7.2, производится перезапись содержимого буферных регистров ИМС DD11, DD12, DD14, DD16 в их соответствующие выходные регистры. На светодиодных линейках HL7…HL22 и HL23…HL38 при этом фиксируется новая комбинация. Но суммарному (интегральному) значению яркости соответствует именно шестнадцать 16-битных пакетов, т.е. 16 x 16 = 256 бит данных, переданных в регистры по линиям последовательного интерфейса, как отмечено выше.
Изменение уровней (градаций) яркости индицирует линейка светодиодов HL1…HL4, отображающая в двоичном коде состояния счётчика DD3.2. Как видно из схемы электрической (рис.2), счётные импульсы на вход DD3.2 приходят с выхода DD2.2 после деления на восемь с помощью счётчика DD2.1. Такое деление частоты выходных импульсов DD2.2 необходимо для более медленного нарастания яркости, чем можно было бы получить без деления частоты с помощью счётчика DD2.1.
Счётчики DD3.2 и DD5.1 адресуют первую половину пространства ИМС ЭСППЗУ DD8 в нулевом состоянии счётчика DD5.2 и вторую половину адресного пространства ИМС ЭСППЗУ DD8 в единичном состоянии данного счётчика. Режим выбора световых эффектов - ручной или автоматический - устанавливается переключателем SA1. В показанном на схеме положении происходит автоматическое чередование эффектов после четырех повторений. Это достигается благодаря подаче счётных импульсов с выхода третьего разряда DD5.1 (вывод 5) на вход счётчика DD5.2. В нижнем, по схеме, положении переключателя SA1 короткие положительные импульсы на вход счётчика DD5.2 поступают при нажатии кнопки SB1. Состояния счётчиков DD5.1 и DD5.2 индицируют, соответственно, жёлтый (HL5) и красный (HL6) светодиоды.
Конструкция и детали. Основной контроллер собран на печатной плате из двухстороннего стеклотекстолита размерами 140 x 90 мм и толщиной 1,5 мм (рис. 4), а выходные регистры (рис.5) - 90 x 30 мм (рис. 6). В устройстве применены постоянные резисторы типа МЛТ-0,125, подстроечный - СП3-38б, конденсаторы неполярные (С1…С3, С8…С10, С12…С14) типа К10-17, оксидные (С4…С7, С11, С15) - К50-35 или импортные. На основной плате контроллера установлены сверхъяркие светодиоды диаметром 3 мм (HL1…HL6) и диаметром 5 мм (HL7…HL22), а в удалённой гирлянде - сверхъяркие четырех цветов КИПМ-15 диаметром 10 мм, размещенные в чередующейся последовательности.

Учитывая различие в падении напряжения на прямо смещенных светодиодах (для красного и жёлтого это значение составляет 2,1 В, а для синего и зеленого - 3,0 В), необходимо последовательно со светодиодами включать соответствующие ограничительные резисторы: 220 и 150 Ом. Для управления мощной нагрузкой выходные регистры нужно дополнить транзисторными или симисторными ключами. Возможно применение непосредственно на месте ЭСППЗУ типа AT28C16-15PI микросхемы памяти типа РПЗУ типа КР573РФ2 или КР573РФ5 без изменения рисунка печатной платы. Счетчики типа КР1564 ИЕ23 (74HC 4520N) можно заменить К561 ИЕ10 (CD4520AN), кроме ИМС DD3, DD5, к выходам которых подключены индикаторные светодиоды. Мультиплексор DD9 типа КР1564 КП7 (74HC 151) заменим КР1564 КП15 (74HC 251). Соединительная линия при длине до 10 м выполняется жгутом из 4 многожильных проводников сечением 0,35 мм2 (для сигнальных линий) и 1 мм2 (“общий” провод) в изоляции, а при длине от 10 до 100 м сигнальные линии необходимо выполнить отдельными витыми парами, а на платах выходных регистров установить интегрирующие конденсаторы, ёмкостью не более 150 пФ.

Подготовка к работе устройства собранного из исправных деталей и без ошибок заключается в записи прошивки в ИМС ЭСППЗУ (РПЗУ) средствами стандартного программатора. При этом необходимо программно переназначить порядок адресных линий ИМС ЭСППЗУ, выбрав в программе соответствующую опцию. Прежде чем запрограммировать микросхему ЭСППЗУ, текстовый файл программы (см. таблицу) необходимо конвертировать в двоичный формат с помощью одной из бесплатно распространяемых программ-конверторов, к примеру, [5]. Выбрать желаемую скорость воспроизведения светодинамических эффектов можно с помощью подстроечного резистора R3 на основной плате контроллера.
Литература и ссылки на ресурсы Интернет.
1. Одинец А. Л. "Программируемое 16-канальное СДУ и виртуальный симулятор." - "Электрик", 2008 г., №4, с. 72-75, №5, с. 76-79.
2. Одинец А. Л. "Автономное 32-канальное программируемое светодинамическое устройство с последовательным интерфейсом." - "Радиоаматор", 2005 г., №6, с.20-23., №7, с.22-23.
3. Одинец А. Л. "Автономное 32-канальное программируемое светодинамическое устройство с последовательным интерфейсом." (Модернизированная версия.) - "Электрик", 2008 г., №11-12, с.76-79., 2009 г., №1-2, с.44-48.
4. http://www.dynamic-lights.narod.ru/LightEffectsReader.rar
5. http://www.winhex.com
Одинец Александр Леонидович, г.Минск, Беларусь
http://dynamic-lights.narod.ru
http://art-of-light.narod.ru
E-mail: A_Odinets@tut.by