Общие сведения
Микросхема ADP3408 представляет собой многофункциональный контроллер системы питания, оптимизированный для телефонов стандартов GSM, особенно базирующихся на чипсете AD20msp430 фирмы ANALOG DEVICES. Микросхема содержит шесть линейных стабилизаторов, выполненных по технологии LDO (Low Drop Out -малое падение напряжения на регулируемом элементе) для питания основных блоков телефона. Усовершенствованные механизмы контроля доступны для управления включением питания во время заряда батареи, интерфейсом клавиатуры и RTC-сигналами (Real Time Clock - часы реального времени).

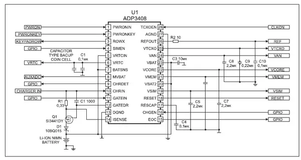
Рис. 1. Цоколевка микросхемы ADP3408 в корпусе TSSOP

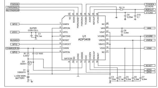
Рис. 2. Цоколевка микросхемы ADP3408 в корпусе LFCSP
Зарядная цепь поддерживает малый ток заряда во время начальной фазы зарядки и выдает сигнал окончания зарядки, когда Li-Ion батарея полностью заряжается. Температурный диапазон устойчивой работы данного чипа находится в пределах -20°C..+85°C Микросхема выпускается в двух вариантах исполнения: TSSOP-корпус с 28 выводами или LFCSP-корпус с 32 выводами (рис. 1, рис. 2).
Основные особенности микросхемы ADP3408:
- шесть линейных стабилизаторов, выполненных по технологии LDO, оптимизированных для специализированных GSM-подсистем;
- функция зарядки литий-ионных (Li-Ion) и никель-металл-гид-ридных (Ni-MH) аккумуляторных батарей;
- оптимизирована для чипсета AD20msp430;
- применяется в качестве системы управления питанием телефонов стандартов GSM/DCS/PCS/CDMA.
Функциональная схема микросхемы ADP3408

Рис. 3. Функциональная схема ADP3408 (корпус TSSOP)
Функциональная схема ADP3408 приведена на рис. 3. Основными блоками данной микросхемы являются:
- шесть линейных LDO-стабили-заторов для основных узлов GSM- телефона (SIM-карты процессорного ядра, аналогового интерфейса, кварцевого генератора, памяти, часов реального времени);
- генератор сигнала начального сброса;
- прецизионный генератор опорного сигнала;
- контроллер заряда Li-Ion батареи и интерфейс процессора;
- логика управления включением/выключением питания;
- узел блокировки от пониженного напряжения;
- узел блокировки от пониженного разряда батареи.
Обычно данные функции выполняются либо отдельными модулями, либо одной проблемно-ориентированной (специализированной) заказной микросхемой ASIC. ADP3408 является устройством, объединяющим в себе преимущества каждого из подходов, являясь интегральным продуктом, в котором каждый блок оптимизирован для работы в стандарте GSM, с одной стороны, и, сохраняя при этом хорошее соотношение цена/качество, - с другой.
Рабочее напряжение
Диапазон рабочего входного напряжения ADP3408 находится в пределах 3...5,5 В, что является оптимальным для заряда односекци-онных Li-Ion или трехсекционных NiMH батарей. В зависимости от вида батареи, типа корпуса и выходного напряжения меняется уровень рассеиваемой мощности. В случае заряда NiMH-батарей высокой энергоемкости конечное напряжение заряда может составлять до 5,5 В при максимальной рассеиваемой мощности 1,07 Вт. При заряде Li-Ion батарей зарядное напряжение не превышает 4,25 В при максимальной рассеиваемой мощности 0,56 Вт (для обоих типов корпусов).
LDO-стабилизаторы
ADP3408 имеет эффективные линейные LDO-стабилизаторы, работа которых основана на балансе тока покоя, низком уровне шумов и подавлении пульсаций.

Рис. 4. Типовая схема включения ADP3408 (корпус TSSOP)

Рис. 5. Типовая схема включения ADP3408 (корпус LSCFP)
Во внешних фильтрующих цепях стабилизаторов рекомендуется применять танталовые или многослойные метал-локерамические конденсаторы емкостью 2,2 мкФ - для работы LDO-стабилизаторов процессорного ядра (Core), памяти (Memory), аналогового интерфейса (Analog) и SIM-карты (SIM), (см. типовые схемы включения на рис. 4, рис. 5) и емкостью 0,22 мкФ - для LDO-ста-билизатора кварцевого генератора (Crystal Oscillator).
Назначение выводов микросхемы ADP3408 приведено в таблице.
| Номер вывода | Название сигнала | Назначение | |
| TSSOP | LFCSP | ||
| 1 | 29 | PWRONIN | Сигнал включения/выключения питания с микропроцессора |
| 2 | 30 | PWRONKEY | Кнопка включения/выключения питания |
| 3 | 31 | ROWX | Выход интерфейса кнопки включения/выключения питания |
| 4 | 1 | SIMEN | Выход VSIM активен |
| 5 | 2 | VRTCIN | Вход стабилизатора напряжения VRTC |
| 6 | 3 | VRTC | Выход стабилизатора напряжения VRTC |
| 7 | 4 | BATSNS | Вход датчика напряжения батареи |
| 8 | 5 | MVBAT | Выход делителя напряжения батареи |
| 9 | 6 | CHRDET | Выход детектора заряда |
| 10 | 7 | CHRIN | Входное напряжение зарядного устройства |
| 11 | 8 | GATEIN | Входной сигнал управляющей логики микропроцессора |
| 12 | 9 | GATEDR | Выход управляющей логики микропроцессора |
| 13 | 11 | DGND | Цифровая "земля" |
| 14 | 12 | ISENSE | Вход датчика тока заряда |
| 14 | 13 | EOC | Сигнал окончания зарядки |
| 16 | 14 | CHGEN | Зарядное устройство активно для GATEIN, импульсная зарядка NiMH |
| 17 | 15 | RESCAP | Время задержки сигнала сброса |
| 18 | 16 | RESET | Основной сигнал сброса |
| 19 | 18 | VSIM | Выход стабилизатора напряжения VSIM |
| 20 | 19 | VBAT2 | Входное напряжение 2 батареи |
| 21 | 20 | VMEM | Выход стабилизатора напряжения VMEM |
| 22 | 21 | VCORE | Выход стабилизатора напряжения VCORE |
| 23 | 22 | VBAT | Входное напряжение 1 батареи |
| 24 | 23 | VAN | Выход стабилизатора напряжения VAN |
| 25 | 25 | VTCXO | Выход стабилизатора напряжения VTCXO |
| 26 | 26 | REFOUT | Выход опорного сигнала |
| 27 | 28 | AGND | Аналоговая "земля" |
| 28 | 28 | TCXOEN | Стабилизаторы VTCXO и MVBAT активны |
| 10, 17, 24, 32 | NC | Не подключены | |
Далее рассмотрим назначение основных блоков, входящих в функциональную схему.
Стабилизатор VCORE питает все цепи телефона, работающие в основной полосе частот (baseband). Данный блок оптимизирован для крайне низкого тока покоя при малых нагрузках, так как этот стабилизатор включен постоянно.
Стабилизатор напряжения для питания памяти (VMEM)
Стабилизатор VMEM питает периферийные устройства, включая систему ввода-вывода общего назначения, экран, интерфейс SIM-карты и непосредственно саму память телефона. Этот блок также оптимизирован для крайне низкого тока покоя. Включение осуществляется одновременно с включением стабилизатора VCORE.
Стабилизатор напряжения для питания аналогового интерфейса (VAN)
Данный стабилизатор имеет те же самые особенности, что и стабилизатор VCORE. К тому же, он оптимизирован для подавления низкоуровневых пульсаций частоты, возникающих в тракте УВЧ. Это делает возможным его совместную работу с baseband-конвертором. Стабилизатор VAN рассчитан на выходной ток 130 мА, что является достаточным для питания аналогового интерфейса микросхемы AD6521.
Стабилизатор напряжения для питания кварцевого генератора (VTCXO)
Основное назначение этого стабилизатора - питание термостаби-лизированного кварцевого генератора TCXO (temperature-compensated voltage-controlled crystal oscillator), требующего источника питания с ультранизким уровнем шума. Стабилизатор VTCXO рассчитан на выходной ток 5 мА. Он включается при установке сигнала TCXOEN вместе с стабилизатором VAN (см. рис. 3). Следует отметить, что у микросхемы типа ADP3408-2.5 стабилизатор VTCXO оптимизирован для питания микросхемы AD6524 (Othello), а у микросхемы типа ADP3408-1.8 - для питания микросхемы AD6534 (Othello One).
Стабилизатор напряжения для питания часов реального времени (VRTC)
Стабилизатор VRTC подзаряжает резервный элемент питания конденсаторного типа ("таблетку") для запуска модуля часов реального времени. Он специально проектировался для заряда двухслойных конденсаторных элементов питания, таких как, например, PAS621. Этот элемент имеет малый размер (6,8 мм в диаметре), обладая при этом номинальной емкостью 0,3 Ф, что обеспечивает долгое время бесперебойной работы. ADP3408 питает одновременно как резервный элемент питания, так и часы реального времени. Этот стабилизатор обладает сверхнизким током покоя, поскольку работает все время, даже тогда, когда телефон выключен. Также предусмотрена защита от обратного тока (с малыми утечками), которая необходима при отключении основной батареи, когда часы реального времени питаются от резервного элемента.
Стабилизатор напряжения для питания SIM-карты (VSIM)
Этот стабилизатор формирует напряжение, необходимое для работы SIM-карты с рабочим напряжением 3 В. Он рассчитан на выходной ток 20 мА и может управляться независимо от остальных LDO-стабилизаторов.
Выходной опорный сигнал (REFOUT)
Выходной опорный сигнал обладает малым уровнем шумов и высокой точностью, с гарантированным температурным разбросом параметров 1,5%. Данный сигнал может также использоваться для повышения качества опорного сигнала baseband-конвертера, так как опорный сигнал AD6521 обладает разбросом 10%.
Включение/выключение питания
Микросхема ADP3408 обслуживает все события, касающиеся включения и выключения питания телефона. Существует три различных способа включения питания:
- удержание низкого уровня PWRONKEY;
- удержание высокого уровня PWRONIN;
- превышение CHRIN порогового значения CHRDET.
Первый способ является обычным способом включения питания аппарата. Он влечет за собой включение всех LDO-стабилизаторов (за исключением VSIM) до тех пор, пока удерживается низкий уровень PWRONKEY. Когда стабилизатор VCORE входит в стабильный режим, стартует таймер сброса (RESET-таймер). После синхронизации на выводе RESET устанавливается высокий уровень, и производится запуск baseband-процессора. После запуска baseband-процессор опрашивает вывод ROWX ADP3408, определяя, была ли отжата PWRONKEY, и удерживать ли высокий уровень PWRONIN. Как только устанавливается высокий уровень PWRONIN, текущий статус PWRONKEY сбрасывается. Отметим, что, наблюдая за ROWX, base-band-процессор может детектировать повторное нажатие PWRON-KEY и выключить все стабилизаторы согласно алгоритму работы. Таким образом, вход PWRONKEY может использоваться как для контроля включения, так и выключения питания.
Удержание высокого уровня PWRONIN является сигналом к включению телефона для часов реального времени. Подтверждение наличия высокого уровня включает стабилизаторы напряжений ядра и памяти, также запуская baseband-процессор.
Зарядка от внешнего адаптера также может включать телефон. При этом включаются все стабилизаторы, кроме VSIM, и запускается baseband-процессор. Отметим, что если напряжение батареи ниже установленного порога, в процессе зарядки ни один из стабилизаторов не включается.
Узел блокировки от пониженного разряда батареи (DDLO)
Этот узел AD3408 выполняет две функции. Во-первых, он изолирует стабилизатор VRTC в случае, если основная батарея разряжается ниже уровня выходного сигнала стабилизатора RTC. Это приводит к вынужденному включению часами реального времени резервного элемента питания или двухслойного конденсатора.
Во-вторых, блок DDLO выключает телефон в случае, если происходит программный сбой и телефон не выключается, даже когда напряжение батареи находится в пределах 2,9...3 В. Механизм блокировки в этом случае выключит аппарат, как только напряжение батареи упадет до 2,4 В. Тем самым предотвращается ее дальнейший разряд, и батарея защищается от повреждения.
Узел блокировки от пониженного напряжения (UVLO)
Основное назначение этого узла - предотвращение запуска в случае, когда напряжение батареи не превышает порог в 3,2 В. В случае, если напряжение батареи ниже порога, емкости батареи не будет хватать для запуска телефона. Когда напряжение батареи значительно больше чем 3,2 В, например, при установке "свежей" батареи, срабатывает компаратор механизпитания.
Удержание высокого уровня PWRONIN является сигналом к включению телефона для часов реального времени. Подтверждение наличия высокого уровня включает стабилизаторы напряжений ядра и памяти, также запуская baseband-процессор.
Зарядка от внешнего адаптера также может включать телефон. При этом включаются все стабилизаторы, кроме VSIM, и запускается baseband-процессор. Отметим, что если напряжение батареи ниже установленного порога, в процессе зарядки ни один из стабилизаторов не включается.
Узел блокировки от пониженного разряда батареи (DDLO)
Этот узел AD3408 выполняет две функции. Во-первых, он изолирует стабилизатор VRTC в случае, если основная батарея разряжается ниже уровня выходного сигнала стабилизатора RTC. Это приводит к вынужденному включению часами реального времени резервного элемента питания или двухслойного конденсатора.
Во-вторых, блок DDLO выключает телефон в случае, если происходит программный сбой и телефон не выключается, даже когда напряжение батареи находится в пределах 2,9...3 В. Механизм блокировки в этом случае выключит аппарат, как только напряжение батареи упадет до 2,4 В. Тем самым предотвращается ее дальнейший разряд, и батарея защищается от повреждения.
Узел блокировки от пониженного напряжения (UVLO)
Основное назначение этого узла - предотвращение запуска в случае, когда напряжение батареи не превышает порог в 3,2 В. В случае, если напряжение батареи ниже порога, емкости батареи не будет хватать для запуска телефона. Когда напряжение батареи значительно больше чем 3,2 В, например, при установке "свежей" батареи, срабатывает компаратор механиз-
ма блокировки от пониженного напряжения, и порог снижается до 3 В. Это позволяет телефону включаться без особых проблем до тех пор, пока напряжение не упадет ниже 3 В. Отметим, что узел DDLO при этих условиях активирует стабилизатор VRTC. Как только запускается система, а также стабилизаторы VCORE и VMEM, узел блокировки от пониженного напряжения выключается.
Микросхема ADP3408 запускается в случае, если напряжение батареи достигает порога DDLO -обычно это 2,4 В. В нормальном режиме работы напряжение батареи находится под наблюдением baseband-процессора, и обычно отключение телефона наступает при разряде батареи до 3 В.

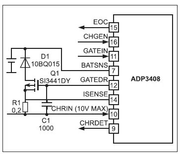
Рис. 6. Зарядное устройство Li-Ion аккумуляторов на микросхеме ADP3408
Если аппарат выключен, и напряжение батареи падает ниже 3 В, узел блокировки от пониженного напряжения блокирует запуск и вводит ADP3408 в режим останова (UVLO shutdown mode). В этом режиме микросхема потребляет предельно низкий ток, порядка 30 мкА. Стабилизатор VRTC все еще работает до тех пор, пока механизм блокировки от пониженного разряда батареи не отключит его. В таком режиме потребление снижается до 5 мкА.
На рис. 6 приведена типовая схема зарядного устройства Li-Ion аккумуляторов на основе микросхемы ADP3408.