Описание работы ТА
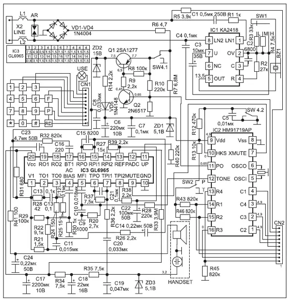
Принципиальная электрическая схема телефонного аппарата "LG GS-472L" построена на основе трех микросхем:
• тонального вызывного устройства
(КА2418);
• электронного номеронабирателя
(НМ91710АР);
• разговорного тракта (GL6965).
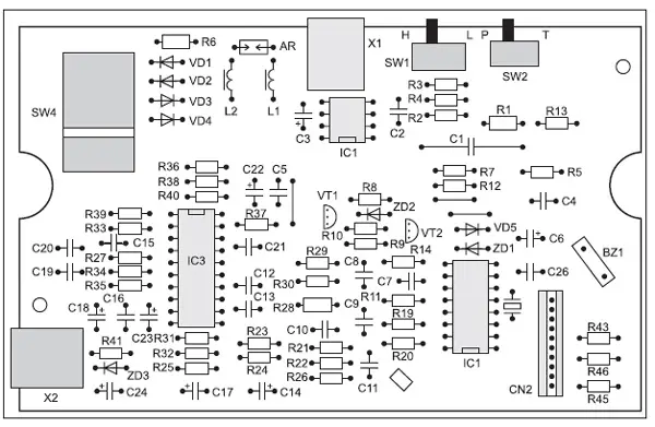
Обозначение и нумерация элементов на принципиальной схеме (рис. 1) соответствуют маркировке фирменной печатной платы (рис. 2) телефонного аппарата.
В режиме вызова сигнал АТС через дроссели L1, L2 поступает на включенный параллельно линии разрядник AR, который защищает вход телефонного аппарата от перенапряжений. Далее через цепь C1R1 сигнал проходит на микросхему тонального вызывного устройства IC1 типа КА2418. С ее выхода сигнал вызова подается через переключатель уровня громкости SW1 на пьезоэлектрический преобразователь BZ1, излучающий звуковой сигнал. Одновременно вызов с АТС через конденсатор С4 и резистор R5 поступает на индикатор USE, который дублирует звуковой сигнал.
Конденсатор С3 - фильтр питания микросхемы. Конденсатор С2, резистор R2 предназначены для коррекции частоты задающего генератора микросхемы КА2418.
В режиме ответа АТС сигнал через дроссели L1, L2 (предназначенные для сглаживания высокочастотных помех) проходит на диодный мост VD1-VD4, резистор R6, переключатель SW4.1, транзистор Q1 и затем - на разговорный узел, выполненный на микросхеме IC3 типа GL6965. Назначение выводов микросхемы IC3 приведено в таблице.
Стабилитрон ZD2 ограничивает напряжение питания микросхемы IC3, а ZD3 - предохраняет конденсаторный микрофон трубки от перегрузок по постоянному току. Резистором R34 устанавливается
Рис. 1. Принципиальная электрическая схема телефонного аппарата "LG GS-472L"

Рис. 2. Электрическая схема платы телефонного аппарата "LG GS-472L"
Назначение выводов микросхемы GL 6965
| Номер вывода | Символ | Назначение |
| 1 | V1 | Вход напряжения линии ( + ) |
| 2 | TO1 | Выход передаваемого сигнала 1 |
| 3 | TO0 | Выход передаваемого сигнала 0 |
| 4 | AC BIAS | Опорное напряжение схемы питания |
| 5 | MFI | Вход сигнала частотного набора номера |
| 6 | TPO | Выход усилителя передаваемого сигнала |
| 7 | TPI1 | Инвертирующий вход усилителя тока передаваемого сигнала |
| 8 | TPI2 | Неинвертирующий вход усилителя тока передаваемого сигнала |
| 9 | MUTE | Выход блокировки |
| 10 | GND | Общий |
| 11 | UP | Контроль по постоянному току |
| 12 | PADC | Вход сигнала регулировки усиления |
| 13 | REF | Внутренний источник опорного напряжения |
| 14 | RPI2 | Неинвертирующий вход усилителя принимаемого сигнала |
| 15 | RPI1 | Инвертирующий вход усилителя принимаемого сигнала |
| 16 | RPO | Выход для усилителя принимаемого сигнала |
| 17 | BTI | Вход тонально-модулированного сигнала |
| 18 | RO2 | Инвертирующий выход усилителя принимаемого сигнала |
| 19 | RO1 | Неинвертирующий выход усилителя принимаемого сигнала |
| 20 | Vss | Питание ( + ) |
необходимое напряжение питания микрофона.
Электронный номеронабиратель выполнен на микросхемеIC2 HM91710AP. Способ набора номера устанавливается переключателем SW2: в положении P - импульсный, Т - тональный.
При поднятии трубки на выв. 11 микросхемы IC2 формируется высокий уровень, открывающий импульсный ключ на транзисторах Q1 и Q2. При импульсном наборе номера на выв. 11 формируется низкий уровень. Ключ Q1 Q2 закрывается, сопротивление линии телефонного аппарата увеличивается, что воспринимается АТС как набор номера. Питание микросхемы во время набора обеспечивается за счет потенциала на конденсаторе C6. С выв. 7 IC2 на разговорный узел (выв. 9 IC3) поступает сигнал блокировки, устраняющий коммутационные помехи при импульсном наборе и блокирующий работу микрофона при частотном наборе номера.
Питание микросхемы номеронабирателя в разговорном режиме осуществляется с диодного моста VD1-VD4 по цепи R6, SW4.1, Q1, R14, D5, выв. 9 IC2 и поддерживается на уровне не выше 5 В стабилитроном ZD1. При положенной на рычаг трубке питание на микросхему (для сохранения последнего набранного номера) поступает с диодного моста по цепи R6R7.
Диод VD5 препятствует проникновению питания на разговорный узел при положенной трубке.
Переключатель SW4.2 реализует функцию "отбой" при опускании трубки.
Клавиатура телефонного аппарата состоит из стандартного наборного поля и следующих дополнительных кнопок:
• F (FLASH) - нажатие кнопки эквивалентно опусканию трубки;
• P (PAUSE) - нажатие кнопки вводит паузу в последовательности набора номера около 3,5 секунд (например после набора кода выхода на междугородную связь);
• RD (REDIAL) - повторный набор последнего набранного номера.
Возможные неисправности аппарата и методы их устранения
Нет сигнала вызова
Контролируют напряжение питания микросхемы на выв. 7 IC1. Следует иметь в виду, что значение напряжений на выводах микросхемы вызывного устройства указаны относительно выв. 2 КА2418.
• Контролируют напряжение питания микросхемы на выв. 5 IC1 (относительно выв. 5 КА2418). При отсутствии питания проверяют C1, R1.
• Проверяют исправность переключателя SW1, а также пьезоизлуча-тель.
• Проверяют исправность микросхемы КА2418 (заменой).
Нет сигнала АТС при поднятии трубки
Проверяют наличие контактов в соединителе Х2 LINE.
• Проверяют исправность переключателя SW4.
• Проверяют исправность транзисторов импульсного ключа Q1, Q2.
• Возможно, неисправна микросхема IC2. Перед ее заменой необходимо убедиться в наличии напряжения питания на ее выв. 9.
При отсутствии питания проверяют элементы R14, VD5, C6, C7, ZD1.
Нет набора номера, слышен непрерывный сигнал АТС
Необходимо проверить, установлен ли переключатель режима набора номера SW2 в положение Р (импульсный).
• Убеждаются в исправности транзисторов импульсного ключа Q1, Q2.
• Проверяют исправность цепи питания микросхемы IC2.
• Проверяют наличие импульсов набора на выв. 11 микросхемы IC2 при нажатии цифровых кнопок клавиатуры. Если импульсы имеются, то микросхема исправна. При отсутствии импульсов микросхему необходимо заменить.
Вас не слышит абонент
Возможно, неисправен микрофон, его заменяют на заведомо исправный.
• Нарушена цепь питания микрофона. Проверяют исправность элементов С17-С19, R34, R35, ZD3.
• Контролируют напряжение на выв. 9 IC3 (высокий уровень соответствует включенной блокировке MUTE). При несоответствии проверяют цепь питания микросхемы IC3. Также проверяют R28, R31 на обрыв.
• Возможно, неисправна микросхема IC3.
Неисправности клавиатуры
При невозможности набора одной или нескольких цифр необходимо прочистить контактные площадки печатной платы клавиатуры. Затем очищают площадки из токоп-роводящей резины. При необходимости наклеивают на них силиконовым клеем новые площадки -для этого используют ремкомплект для пультов дистанционного управления.
Автор: Виктор Балакин
Источник: Журнал Ремонт и сервис