В журнале "Радио" № 8 за 2005 год на с. 30, 31 было опубликовано описание аналогичного устройства -"Микроконтроллерный определитель выводов транзисторов" (автор В. Краснов). Этому устройству присущи некоторые недостатки - относительная сложность схемы и неудобство пользования, поскольку для определения цоколёвки транзистора приходится пользоваться специальной таблицей, а не прямой индикацией. Поэтому было разработано устройство, свободное от указанных недостатков, схема которого показана на рис. 1. Оно гораздо проще и снабжено прямой индикацией выводов проверяемого транзистора и его структуры.

Рис. 1
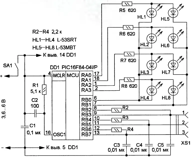
Основа устройства - микроконтроллер DD1, он сконфигурирован для работы с RC-генератором, частота которого задана цепью R1C2. В определённой последовательности, заданной программой, на линиях порта RB2, RB4, RB6 формируются импульсы с амплитудой, близкой к напряжению питания. Через интегрирующие цепи R2C5, R3C4 и R4C3 к этим линиям подключают проверяемый транзистор. Напряжения с конденсаторов СЗ, С4, С5 поступают на линии порта RB7, RB5, RB3, где осуществляется их измерение. Информация о цоколёвке и структуре транзистора выводится с линий порта RAO-RA3, RB0, RB1 с помощью светодиодов HL1-HL8, которые расположены на плате в соответствии с контактами гнезда XS1. Светодиоды HL2-HL4 (красного цвета свечения) указывают вывод базы, HL6-HL8 (синего цвета) - вывод эмиттера, а светодиоды HL1 и HL5 - структуру транзистора. Для управления светодиодами использован принцип динамической индикации.

Рис. 2
Принцип работы устройства поясняет рис. 2, а осциллограммы напряжений показаны на рис. 3. Сначала проводится проверка в предположении, что вывод базы подключён ко входу (рис. 2). На базу транзистора поступает плавно нарастающее от нуля напряжение (Uвых2 с интегрирующей цепи R2C1 (рис. 2). За счёт этого ток коллектора появляется с задержкой и напряжение на нём (Uвых1) уменьшается также плавно. Пороговое напряжение (рис. 3) низкого уровня (Uпорог будет достигнуто через временной интервал At, который измеряет микроконтроллер. Далее транзистор подвергается проверке в другой комбинации выводов, где предположительные эмиттер и коллектор меняются местами, а предыдущие процедуры повторяются. Микроконтроллер сравнивает измеренные интервалы времени At в первом и втором случаях.

Рис. 3
Поскольку транзистор в инверсном включении имеет меньший статический коэффициент передачи тока базы, скорость изменения напряжения на коллекторе будет меньше, a дельта t больше, что и используется для определения вывода коллектора. После успешного определения цоколёвки программа включает соответствующие светодиоды для индикации выводов и структуры транзистора, а затем переходит в начало и весь цикл повторяется. Продолжительность цикла проверки и индикации составляет несколько миллисекунд, поэтому кажется, что светодиоды горят постоянно.
Если в процессе измерения пороговое напряжение не будет достигнуто за некоторый заданный временной интервал - около 1 мс, можно сделать вывод, что положение базы транзистора в проверяемой конфигурации выводов неправильно и программа переходит к проверке другой конфигурации. Таких конфигураций существует по три для транзисторов разной структуры. После безуспешной проверки всех шести вариантов принимается решение о том, что транзистор неисправен или он не подключён к прибору. В этом случае устройство переходит к индикации включённого состояния, при этом мигает один из светодиодов (HL1) и весь цикл проверки транзистора повторяется.
Все элементы смонтированы на плате из фольгированного с одной стороны стеклотекстолита, чертёж которой показан на рис. 4. Применены резисторы МЛТ мощностью 0,125 или 0,25 Вт, конденсатор С2 - К10-17, остальные - для поверхностного монтажа типоразмера 1206. Микроконтроллер установлен в панель. Все светодиоды повышенной яркости свечения с диаметром корпуса 5 мм, HL1-HL4 - красного цвета, a HL5-HL8 - синего цвета. Но следует учесть, что при напряжении питания 3,6 В яркость светодиодов синего цвета может быть недостаточной. В этом случае можно применить светодиоды зелёного цвета свечения или повысить напряжение. Выключатель SA1 - любой малогабаритный. Моделирование работы прибора проведено в программе Proteus Release 7.5 SP3.
Внешний вид смонтированной платы показан на рис. 5, а всего устройства - на рис. 6. Взамен проволочных перемычек между конденсаторами СЗ-С5 и выводами 9, 11 и 13 микроконтроллера установлены резисторы сопротивлением не более 10 Ом. Для повышения надёжности определения цоколёвки желательно увеличить тактовую частоту. Для этого конденсатор С2 можно исключить, генератор микроконтроллера будет работать на паразитной ёмкости микросхемы и монтажа, а его частота составит около 3 МГц. Испытания с тремя экземплярами микро-
схем показали надёжную работу устройства в таком режиме.
Напряжение питания может быть в интервале 3,6...6 В, поэтому питать устройство можно от стабилизированного зарядного устройства (5 В), аккумулятора сотового телефона или батареи из трёх-четырёх гальванических элементов типоразмеров АА, AAA. В режиме ожидания потребляемый ток - около 2,5 мА, в режиме измерения и индикации выводов - 8 мА.
Для проверки прибора было проведено тестирование транзисторов разтремя экземплярами микро-
схем показали надёжную работу устройства в таком режиме.
Напряжение питания может быть в интервале 3,6...6 В, поэтому питать устройство можно от стабилизированного зарядного устройства (5 В), аккумулятора сотового телефона или батареи из трёх-четырёх гальванических элементов типоразмеров АА, AAA. В режиме ожидания потребляемый ток - около 2,5 мА, в режиме измерения и индикации выводов - 8 мА.
Для проверки прибора было проведено тестирование транзисторов раз-
личных серий: КТ801-КТ803, КТ805, КТ807-КТ809, КТ812-КТ819, КТ903, 1Т904, 1Т907, КТ908, КТ920, КТ972, КТ973, П401, П411, П416, П420, П601, П701, П702, МП101-МП106, МП9, МП 16, МП36-МП42. Во всех случаях цоколёвка исправных транзисторов определялась верно.
Программу для микроконтроллера можно скачать здесь .
Автор: В. Станайтис, г. Каунас, Литва