В статье [1] был предложен способ ремонта узла подсветки экрана TFT мониторов путём подключения параллельно неисправной лампе подсветки конденсатора. Конденсатор служит для контроллера блока питания монитора дополнительной нагрузкой, которая обеспечивает перевод всего устройства в рабочий режим. Этот способ можно рекомендовать только как временное средство восстановления и как возможность включения монитора для непродолжительной работы, так как причина отказа этим не устраняется, и работать на таком мониторе с затемнённой нижней или верхней частью экрана не совсем удобно.

Рис. 1
Первым делом следует проверить целостность вторичных обмоток трансформаторов узла питания ламп подсветки - их, как правило, два. Сопротивление исправной обмотки - около 1000 Ом. Если оба трансформатора исправны, то требуется замена отказавшей лампы подсветки экрана монитора. Если выявлен обрыв вторичной обмотки трансформатора подсветки, то его можно отремонтировать.
Рассмотрим ниже на примере монитора "Prestigio Р190Т" технологию ремонта отказавшего трансформатора с заводским обозначением BIT3105.
Вначале необходимо аккуратно снять липкую ленту с трансформатора, закрывающую каркас с обмотками, и провести анализ возможности восстановления. Вторичная обмотка размещена в восьми секциях каркаса трансформатора и содержит (7 х 300) + 150 витков обмоточного провода 0,04...0,05 мм. Все части обмоток пропитаны изолирующим составом, а каркас и части ферри-тового магнитопровода (ближайший аналог EFD20 [2]) скреплены компаундом. При разборке можно сохранить или магнитопровод, или каркас. Лучше сохранить каркас - он ценнее,на рынке предлагаются только несекционирован-ные. Но как быть, если нет ни того, ни другого?
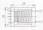
Необходимо расположить трансформатор на раздвинутых губках тисков так, чтобы склеенные торцы половинок ферритового магнитопровода находились на губках, а каркас трансформатора между ними. Резким ударом небольшого молотка по лезвию ножа, остриём установленного на стыке торцов этих половинок, разделяют их внешние части с одной стороны трансформатора, а также и с противоположной стороны (рис. 1). Затем необходимо внимательно осмотреть все секции вторичной обмотки. Потемнение одной из секций по сравнению с соседними, вероятнее всего, указывает на обрыв в ней. Удостовериться в этом можно следующим образом: острым скальпелем зачистите изоляцию на последнем витке этой секции - только изоляцию, не перерезая провод. С помощью омметра определите, с каким выводом каркаса есть контакт цепи: если с началом обмотки, то повторите процедуру со следующей за ней секцией, пока не обнаружится обрыв. Эту секцию и последующие до конца обмотки необходимо освободить от провода. С последней секции оставшейся части обмотки отматывают виток провода. Конец этого провода и провода подготовленного для намотки зачищают от изоляции и облуживают с помощью хорошо разогретого паяльника методом протягивания провода под его жалом, прижатым к полихлорвиниловой изоляции монтажного провода. Как правило, достаточно 3...5 протягиваний. Облуженные концы проводов спаивают вместе, с помощью липкой ленты изолируют место пайки и закрепляют на каркасе трансформатора. Далее на простейшем "намоточным станке" - ручной дрели, закреплённой в тисках, и с установленным с помощью приспособления (рис. 2) каркасом трансформатора, производят намотку недостающих секций его вторичной обмотки. Конец провода обмотки таким же образом зачищают от изоляции, облуживают и припаивают к соответствующему выводу на каркасе трансформатора. После проверки омметром целостности всей вторичной обмотки устанавливают на место удалённые ранее части магнитопровода и закрепляют их с помощью полоски липкой ленты по внешнему контуру трансформатора, а затем места разломов покрывают клеем "Супер-Момент". Через 10... 15 мин сушки обматывают ранее снятой липкой лентой трансформатор, впаивают его на место и проверяют работу подсветки монитора.
В случае возникновения затруднений в поиске дефицитного тонкого обмоточного провода можно использовать провод от реле PC-13 (паспорт РС4.523.023...029); РЭС6 (РФ0.452.100, РФО.452.110, РФ0.452.120, РФ0.452.130, РФ0.452.140); РЭС9 (РС4.524.205).

Рис. 2
Литература
1. Сытник М. Способ ремонта узла подсветки экрана некоторых TFT мониторов и панелей ноутбуков. - Радио, 2009, № 10, с. 28.
2. Ферриты фирмы EPCOS и изделия из них. - Радио, 2001, № 11, с. 47, 48.
Автор: Е. Кондратьев, г. Москва