На просторах Интернета можно встретить много описаний усилителей мощности. Некоторые из них на одной или на двух микросхемах (включённых, например, по мостовой схеме) собраны из нескольких деталей и обеспечивают выходную мощность до 100 Вт и более. Принудительное охлаждение для таких конструкций применяют редко, если они предназначены только для домашнего оборудования. Но иногда возникает соблазн использовать эти усилители для озвучивания небольших репетиционных студий, дискотечных или даже концертных площадок.
Однако, работая в тех же репетиционных студиях, музыканты не всегда используют полную мощность усилителя. А если таких усилителей оказывается не один и не два, а существенно больше (часто по одному каналу на инструмент), то все работающие вентиляторы создают только лишний шум. В этих обстоятельствах автоматическое управление скоростью работы вентиляторов принудительного обдува оказывается чрезвычайно привлекательным.

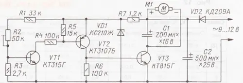
Рис. 1
Схема такого управляющего устройства для вентилятора, питающегося постоянным напряжением, приведена на рис. 1. Функцию датчика температуры здесь выполняет транзистор VT1. Когда температура его эмиттерного перехода повышается до некоторого порогового значения, при котором напряжение с выхода делителя R1-R3 оказывается достаточным для открывания этого транзистора, тогда открываются транзисторы VT2, VT3, последний из них управляет нагрузкой - электродвигателем М1 вентилятора.
Регулировкой сопротивления под-строечного резистора R2 можно изменять пороговое значение температуры в довольно широких пределах - до 100 °С и выше.
Узел управления питается от источника (диод VD2 и конденсатор С2), подключённого к маломощной обмотке сетевого трансформатора. Стабилитрон VD1 и резистор R7 образуют параметрический стабилизатор, устраняющий зависимость порогового значения температуры от скачков сетевого напряжения. Напряжение питания самого вентилятора здесь не стабилизировано: транзистор VT3 с обмоткой электродвигателя подключены параллельно конденсатору С2, сглаживающему пульсации, поэтому небольшое влияние изменения напряжения питания остаётся.
Налаживание устройства заключается в следующем. Нагрев термодатчик до необходимой температуры, соответствующей порогу срабатывания, включают питание устройства. Если лопасти вентилятора пришли в движение, следует плавно увеличивать сопротивление резистора R2 до тех пор, пока не снизятся обороты. Если после включения вентилятор не начал вращаться, сопротивление R2 следует уменьшать, пока вентилятор не запустится. При большем нагреве термодатчика скорость вращения вентилятора должна возрастать, а при остывании вентилятор должен выключаться. Следует помнить, что датчик обладает некоторой инерционностью: он не сразу нагревается и не сразу остывает.
Все используемые резисторы в регуляторе - МЛТ, ВС или аналогичные. Подстроечный резистор - многооборотный из серии СП5-2 или импортный аналог. Транзисторы можно использовать с любым буквенным индексом и заменять аналогами. Конденсаторы - любые оксидные. Стабилитрон можно заменить другим, например, Д814Г, Д811 или импортным с напряжением стабилизации 9...11 В. Диод VD2 - любой с током выпрямления, достаточным для обеспечения питания вентилятора с запасом не менее 100 мА.
Выпрямитель подключается к вторичной обмотке сетевого трансформатора, питающего усилитель. Мощность этой обмотки должна с запасом превышать мощность электродвигателя. В радиолюбительской практике сетевые трансформаторы, удовлетворяющие этим требованиям, встречаются достаточно часто: подойдут ТС-80-7, ТС-100-10 или более мощные ТТП120, ТТП150 и др.
Следует заметить, что напряжение на электродвигателе зависит от температуры не только термодатчика, но и от остальных транзисторов. Если сильно нагреть транзистор VT2 или VT3, может оказаться, что пороговая температура включения снизилась. Поэтому монтаж устройства лучше выполнить на отдельной плате и устанавливать её на обдуваемый теплоотвод вместе с транзистором-термодатчиком, но не со стороны воздушного потока, идущего от вентилятора (или к нему). Причём транзистор VT3 нужно также установить на этот теплоотвод.

Рис. 2

Рис. 3
Чертёж предлагаемого автором варианта печатной платы изображён на рис. 2, а на фото рис. 3 показано готовое устройство. Монтаж выполнен на плате из фольгированного стеклотекстолита размерами 56x23 мм. Плату следует закрепить на теплоотводе для мощных транзисторов или микросхем УМЗЧ, это можно сделать посредством впаянного в плату транзистора VT3 без использования дополнительного крепления. Транзистор VT1 следует плотно прижать к теплоотводу. Для лучшего теплового контакта обоих транзисторов рекомендуется использовать термопасту. Следует также учесть, что в зависимости от особенностей конструкции УМЗЧ, возможно, потребуется изолировать транзистор VT3 от теплоотвода.
Можно расположить устройство и на другой плате (к примеру, блока питания), но тогда нужно позаботиться об охлаждении транзистора VT3; при работе вентилятора он будет нагреваться.
Напряжение питания устройства можно увеличить, если вентилятору нужно большее напряжение. В этом случае сопротивление резистора R7 (и, возможно, его мощность), а также номинальные значения напряжений всех оксидных конденсаторов следует соответственно увеличить. Автором было сконструировано несколько вариантов устройства, одно из которых работает с вентилятором на напряжение 24 В, которое получается после выпрямления переменного напряжения, подводимого от обмотки трансформатора напряжением 18...20 В, и единственное отличие от описываемого в том, что сопротивление резистора R7 увеличено вдвое. Кроме того, питать устройство можно и от источника постоянного напряжения, в том числе стабилизированного. Тогда следует удалить диод VD2 и конденсатор С2. В случае наличия стабилизатора его ток должен быть достаточным для питания двигателя.
На страницах журнала можно встретить описания и других устройств, решающих подобную задачу [1,2]. Первое из них управляется выходным сигналом УМЗЧ, а не температурой, и в обозначенных выше условиях оказывается неприменимым: инструментальные усилители в репетиционных студиях и на концертных площадках работают от одного инструмента (или небольшого их числа) с интервалами, что в данном случае связано с ритмическим рисунком исполняемых музыкантами партий и пауз. В сравнении со вторым упомянутым устройством представленный здесь вариант использует более распространённую элементную базу, обычно имеющуюся в радиолюбительской лаборатории.
Один из вариантов предлагаемого устройства используется для охлаждения бас-гитарного усилителя, выполненного на двух микросхемах TDA7294. Его мощность, измеренная в процессе тестирования, составляет чуть более 100 Вт на нагрузке сопротивлением 8 Ом. Устройство управления кулером питается от маломощной вторичной обмотки напряжением -13 В сетевого трансформатора. Используемый вентилятор рассчитан на 12 В и установлен вблизи теплоотвода на выдув. Другой вариант сконструирован для охлаждения двухканального УМЗЧ на микросхемах TDA7293. Микросхемы обоих каналов в нём установлены на общий тепло-отвод, который охлаждается вентилятором (на 24 В). Эффективность и работоспособность устройства подтверждена в процессе длительной эксплуатации усилителей на репетиционной студии при различных температурных условиях и уровнях громкости.
Некоторые вентиляторы импортного производства (кулеры), которые встречаются в магазинах электроники, обладают одной особенностью: при напряжении питания, несколько меньшем напряжения включения, они издают характерный негромкий звук, похожий на писк. Высота этого писка зависит от поданного напряжения. Решить эту проблему можно, например, включив такой вентилятор через реле с замыкающими контактами. Конечно, в этом случае плавной регулировки скорости вращения не будет.
Понятно, что в качестве нагрузки можно использовать не только вентилятор. Реле - простейший альтернативный пример. Можно аналогичным образом организовать индикацию перегрева, ограничение громкости или отключение усилителя и т. д. И вообще, такое устройство - элемент контроля системы охлаждения.
Литература
1. Журба А. Устройство управления вентилятором охлаждения усилителя мощности. - Радио, 2008, № 2, с. 13.
2. Рогов И. Устройство управления вентилятором. - Радио, 2009, № 6, с. 13-15.
Автор: М. Карпушин, г. Новосибирск