HFD3023-500 – оптические приемники для передачи сигнала на коротких дистанциях 850 нм в оптоволоконных системах связи. Устройство состоит из микросхемы с интегрированным фотодиодом и схемой усилителя, а также выхода открытого коллектора. Наличие подобного выхода позволяет подключать устройство непосредственно к TTL-схемам. Таким образом, излучатели серии HFD3023-500 конвертируют оптический сигнал и передают его на TTL-выход.

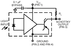
Излучатели выпускаются в стандартном металлическом корпусе ТО-46. Для максимально эффективной работы устройства требуется достаточная электрическая изоляция. Это этого между напряжением питания Vcc и землей должен быть подключен развязывающий конденсатор 0,1 мкФ. Он минимизирует шумы источника питания и улучшает качество сигнала. Дополнительное экранирование корпуса и выводов оптоприемника также поможет сократить помехи
HFD3023-500 предназначена для замены оптоприемников предыдущего поколения HFD3023-002.
Принцип работы
Оптическое излучение воздействует на фотодиод и преобразуется в электрический ток, который поступает в схему DC усилителя и передается на открытый коллектор транзистора. Выход через резистор может быть соединен напрямую с TTL нагрузкой. Электрический сигнал обратно пропорционален входному световому сигналу.

При попадании пучка света на фотодиод выход находится в низком логическом состоянии. При отсутствии светового воздействия на фотодиод выход, соответственно находится в высоком логическом уровне.
При разработке схемы важное значение уделяется параметру искажения формы импульса, т.е. увеличению ширины импульса на выходе (для оптических входов высокого уровня) за счет генерации неравновесных НЗ. Время спада импульса приводится в технической документации и зависит от мощности падающего излучения температуры и частоты следования световых импульсов. Для данной схемы это время не превышает 6 нс. При необходимости в схему вводятся корректирующие элементы.
Характеристики
-конвертация оптического сигнала в цифровой сигнал TTL уровня
-типичная чувствительность 2 мкВ (-27 дБм)
-высокая надежность
-герметичный корпус ТО-46
-встроенные микролинзы для эффективной оптической передачи сигнала
Область применения
-системы передачи данных
-система скрытого видеонаблюдения машиностроение
-оборудование в пищевой и упаковочной промышленностях
Источник:Платан