Импульсный сигнал, прошедший по каналу связи или поступающий с движущегося объекта, всегда нестабилен по амплитуде и зачастую поражён импульсными помехами. Если скорость изменения параметров канала связи сравнительно невелика и от импульса к импульсу они не успевают существенно измениться, амплитуда каждого последующего поступившего импульса лишь незначительно отличается от амплитуды предыдущего, хотя за длительный отрезок времени она может измениться в несколько раз. Такой сигнал можно назвать инерционным. Использование его особенностей может повысить надёжность приёма и помехоустойчивость.
Чтобы повысить вероятность подавления ложных и выделения полезных импульсов, было предложено различать их по критерию инерционности изменения амплитуды [1-5]. Для этого в амплитудном селекторе следует предусмотреть принудительную перезарядку запоминающего порог обнаружения конденсатора каждым выделенным импульсом полезного сигнала до напряжения, равного определённой доле его амплитуды. Пороговое напряжение должно оставаться неизменным до выделения следующего импульса. В отсутствие такой перезарядки порог в паузах между импульсами полезного сигнала обычно постепенно снижается, чтобы не оказались подавленными те из них, амплитуда которых окажется меньше ранее установленного порога.
Однако использование постепенно снижающегося порога приводит к тому, что максимальная амплитуда подавляемого ложного импульса зависит от его задержки относительно импульса полезного сигнала. Чем позже приходит помеха, тем меньшую амплитуду она должна иметь, чтобы быть подавленной. При длительном отсутствии полезных импульсов порог самопроизвольно снизится почти до нуля и помехи даже самой малой амплитуды не будут подавлены. Чтобы подавить помехи большей амплитуды, спад порога должен быть по возможности медленным. В то же время скорость спада должна быть больше максимально возможной скорости уменьшения амплитуды полезного сигнала, чтобы он не имел возможности опуститься ниже порога.

Рис. 1
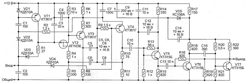
На рисунке изображена схема селектора, выделяющего импульсы полезного сигнала по другому критерию, учитывающему инерционность изменения их амплитуды. Поступающие на вход импульсы длительностью около 0,5 мкс (номиналы элементов рассчитаны на эту длительность импульсов) имеют отрицательную полярность при нулевом уровне+10 В. Далее, говоря об амплитуде импульсов и пороге, будем сравнивать их по абсолютному значению относительно этого уровня. Частота следования импульсов при выбранных типах транзисторов и номиналах конденсаторов может находиться в пределах приблизительно от 50 Гц до 1 МГц.
Селектор запоминает амплитуду каждого превысившего порог импульса и на уровне 80 % этой амплитуды устанавливает новый порог. Импульсы, не превышающие его, считаются помехами и не проходят на выход. С каждым новым импульсом, прошедшим селектор, корректировка порога повторяется.
Запоминающий конденсатор СЗ всегда заряжен до напряжения, равного амплитуде последнего обнаруженного полезного импульса. Приблизительно на 20 % меньшее напряжения на конденсаторе СЗ пороговое напряжение формируется на резисторе R6. Оно подано на эмиттер транзистора VT4, который импульсом, поступающим на его базу через диод VD4, открывается только в том случае, если пиковое значение этого импульса превышает напряжение на эмиттере.
Пороговое напряжение поступает также через резистор R2 на анод диода VD2. Часть полезного импульса, превысившая порог, проходит через диод VD2 на дифференцирующий конденсатор С1, который формирует из неё короткий импульс, открывающий транзистор VT1. Конденсатор СЗ частично разряжается через открытый транзистор, а затем заряжается через диод VD3 и резистор R1 до амплитуды входного импульса. Таким образом, каждый полезный импульс корректирует пороговое напряжение пропорционально своей амплитуде. Помехи, не превышающие порог, не проходят через диод VD2 и не изменяют напряжение на конденсаторе СЗ.
Постоянная времени разрядки конденсатора СЗ током затвора транзистора VT2, обратным током коллектора транзистора VT1 и диода VD3 превышает 0,02 с. Поэтому до прихода очередного импульса полезного сигнала напряжение на конденсаторе остаётся практически неизменным. Это обеспечивает повышенную помехозащищённость в паузах между полезными импульсами. Амплитуда этих импульсов может изменяться от 2 до 10 В, соответственно её порог изменяется от 1,6 до 8 В.
Превысившие порог импульсы с коллектора транзистора VT4, пройдя эмит-терный повторитель на транзисторе VT5, запускают одновибратор на транзисторах VT6 и VT7. Он формирует выходные импульсы селектора, имеющие ТТЛ-уровни и длительность 0,5 мкс.
Литература
1. Солонин В. Ю. Устройство для подавления импульсных помех. Описание изобретения к авторскому свидетельству СССР №653754 МКИ Н04В15/00, заявлено 26.04.77 г., опубликовано 25.03.79 г. Бюл. 11.
2. Солонин В. Ю. Магнитострикционная линия задержки. Описание изобретения к авторскому свидетельству СССР № 1205283 МКИ Н03К5/159, заявлено 14.07.82 г., опубликовано 15.01.86 г. Бюл. 2.
3. Солонин В. Ю. Устройство для подавления импульсных помех. Заявки на изобретения 2678010, 2678011, 2687721 от 18.10.78 г.
4. Солонин В. Ю. Приёмник двоичных сигналов. - Радио, 1989, № 11, с. 32-34.
5. Солонин В. Ю. Микропроцессорный селектор - Управляющие системы и машины, 1989, № 5, с. 39-41.
Автор: В. Солонин, г. Конотоп, Украина