стройство предназначено для компактных и экономичных изделий бытовой автоматики. Оно независимо подключает и отключает одну или несколько нагрузок к сети переменного тока напряжением 220 В в зависимости от внешнего логического сигнала. При этом импульс, управляющий симисто-ром, формируется минимальной длительности, достаточной для его открывания [1]. Кроме того, обеспечена привязка моментов включения нагрузки к моментам перехода напряжения сети через ноль, причём в нагрузку поступает всегда целое число периодов сетевого напряжения. Это снижает уровень коммутационных помех, что особенно важно для мощных нагрузок, а также гарантирует отсутствие постоянной составляющей тока нагрузки.

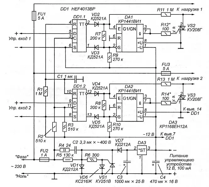
Рис. 1
На рис. 1 показана схема устройства для независимого управления двумя нагрузками. Нагрузку 1 коммутирует симистор VS2. Им управляют элементы DD1.1, DA1, VD2, VD3, R7, R9, R11, R12. Аналогично нагрузку 2 коммутирует симистор VS3, которым управляют элементы DD1.2, DA2, VD4, VD5, R8, R10, R13, R14. Так можно управлять любым числом нагрузок, при этом С1, R1-R3 - общие для всех. Элементы R4-R6, С2- С4, VD1, VD6, VD7, VS1, DA3 образуют блок питания, напряжение которого подаётся также на внешнее управляющее устройство. Он обеспечивает выходное напряжение 12 В при токе нагрузки до 100 мА. Блок работает по принципу описанного в статье [2] блока питания с балластным конденсатором и узлом ограничения выходного напряжения на стабилитроне и транзисторном аналоге тринистора. Но вместо аналога тринистора применён реальный прибор VS1, как показано на рис. 1.
В моей предыдущей статье [3] описан узел управления симистором на таймере КР1441ВИ1 с фиксированной длительностью управляющих импульсов, а потому его применение в случае управления нагрузкой с индуктивной составляющей затруднительно. В предлагаемой статье это ограничение устранено. Нагрузками могут быть компактные люминесцентные ("энергосберегающие") лампы с электронным балластом. Если выяснилось, что подключённая к устройству энергосберегающая лампа в выключенном состоянии периодически вспыхивает, нужно попытаться подобрать симистор с меньшим током утечки, а если это не удалось, зашунти-ровать лампу резистором или конденсатором, как рекомендовано в статье [4].
Триггеры микросхемы DD1 служат для синхронизации моментов включения симисторов с переходами напряжения сети через ноль. Вход D каждого триггера управляющий - на него подаётся сигнал, который определяет включение или выключение соответствующей нагрузки.
Делитель R2R3 обеспечивает поступление тактовых импульсов на входы С триггеров в моменты, когда мгновенное напряжение в сети проходит через нулевое значение и растёт (на верхнем по схеме сетевом проводе относительно нижнего). Таким образом, тактовые импульсы следуют с частотой 50 Гц синхронно с сетью. В момент включения устройства в сеть импульс через цепь R1C1 устанавливает устройство так, чтобы все нагрузки были отключены.
Рассмотрим работу устройства на примере коммутации нагрузки 1. После включения питания триггер DD1.1 устанавливается в состояние высокого уровня на инверсном выходе и низкого уровня на прямом выходе. Здесь и далее логические уровни указаны относительно линии питания -12 В. В такое же состояние устанавливается этот триггер при соединении его входа D (вывод 5) с минусовым проводом питания после поступления на вход С (вывод 3) тактового импульса. Диоды VD2 и VD3 открываются. Высокий уровень через диод VD2 поступает на вход Е (сигнал разрешения запуска - вывод 4) таймера DA1, а на его входе S устанавливается низкий уровень. В результате на выходе таймера DA1 (соединённые выводы 3 и 7) устанавливается высокий уровень. Через управляющий электрод симистора VS2 ток не идёт, симистор закрыт, нагрузка 1 отключена.
При соединении входа D триггера DD1.1 с плюсовым проводом питания после поступления на вход С тактового импульса триггер устанавливается в состояние высокого уровня на прямом выходе и низкого уровня на инверсном выходе. Диоды VD2 и VD3 закрываются. Состояние таймера DA1 определяется значениями напряжения на выходах делителя R11R7R9, которые подключены к входам Е и S таймера. Сопротивления резисторов этого делителя подобраны так, что через управляющий электрод симистора VS2 протекает ток, когда абсолютное значение напряжения U2-i между его электродами 2 и 1 превышает 9,8 В.
Вход Е таймера имеет больший приоритет, чем S, a S - больший, чем R. Вход R таймера соединён с плюсом его питания. Поэтому таймер находится в состоянии низкого уровня на выходе, если этому не препятствуют сигналы на входах Е и S. Пока абсолютное значение напряжения U2-1 меньше 9,8 В, высокий уровень на входе Е разрешает установку по входу S. Напряжение низкого уровня на входе S устанавливает таймер в состояние высокого уровня на выходе. Через управляющий электродсимистора VS2 ток не идёт, нагрузка 1 отключена.
Если напряжение U2-i больше +9,8 В, то напряжение на входе S превышает порог переключения, поэтому сигналом с входа R таймер переходит в состояние низкого уровня на выходе. Из управляющего электрода симистора VS2 через токоограничительный резистор R12 на выход таймера втекает ток. Симистор VS2 открывается и подключает нагрузку 1 к сети.
Если напряжение U2-1 меньше -9,8 В, устанавливается напряжение низкого уровня на обоих входах Е и S. Низкий уровень на входе Е переключает таймер
в состояние низкого уровня на выходе. Из управляющего электрода симистора VS2 через токоограничительный резистор R12 на выход таймера втекает ток. Симистор VS2 открывается и подключает нагрузку 1 к сети.
После открывания симистора VS2 напряжение на нём падает почти до нуля, в результате чего таймер DA1, как описано выше, переходит в состояние высокого уровня на выходе, ток через управляющий электрод симистора VS2 прекращается, в результате чего достигается экономичное управление симистором.
Если необходимо, чтобы нагрузка 1 включалась после соединения входа D триггера DD1.1 с минусовым проводом питания, а отключалась - с плюсовым, меняют местами подключение входов S и R, а также выходов этого триггера.
Резисторы R12 и R14 задают ток управляющих электродов симисторов, который достигает 100 мА для указанного на схеме сопротивления 100 Ом. Такой ток достаточен для открывания большинства симисторов КУ208Г и всех ТС106-10-4. Если используемые симисторы отобраны так, что они открываются током 50 мА или установлены зарубежные симисторы MAC16D или ВТА216-500В, которые гарантированно открываются током 50 мА, то сопротивление резисторов R12 и R14 можно увеличить до 200 Ом.
Так как симистор управляется напряжением минусовой полярности на управляющем электроде относительно его электрода 1, соединённого с общим проводом, то для питания устройства необходимо напряжение минусовой полярности.
Предлагаемое устройство можно питать и от блока питания управляющего устройства, выход которого подключают к конденсатору С4, соблюдая полярность. В этом случае элементы R4-R6, С2, СЗ, VD1, VD6, VD7, VS1, DA3 не устанавливают. При отсутствии заметной индуктивной составляющей в нагрузке устройство потребляет ток около 200...300 мкА на одну нагрузку. Тем не менее для надёжного запуска источник питания должен обеспечивать выходной ток не менее 6 мА на нагрузку.
Следует помнить о гальванической связи с сетью и соблюдать меры предосторожности. Устройство должно быть помещено в изолированный корпус и не соединяться непосредственно с другими устройствами, кроме тех, которыеоно коммутирует. Для повышения электробезопасности сетевой провод, являющийся общим, рекомендуется соединять с "нулём", другой сетевой провод - с "фазой", как показано на схеме.

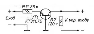
Рис. 2
Если управляющее устройство вырабатывает логические сигналы плюсовой полярности относительно общего провода, их подают через согласующее устройство, схема которого показана на рис. 2. Сопротивление резистора R1 (в килоомах) рассчитывают по формуле R1 = (Uвx1-0,7 В) /0,1 мА, где UBX1 - напряжение сигнала высокого уровня плюсовой полярности (в вольтах). В знаменателе формулы - максимальный расчётный ток через этот резистор 0,1 мА. Указанное на рис. 2 его сопротивление соответствует высокому уровню сигнала ТТЛ.

Рис. 3
Если управляющее устройство не имеет собственного блока питания, то его можно питать от двухполярного блока питания с балластным конденсатором, схема которого показана на рис. 3. Он рассчитан на выходной ток до 100 мА по каждому напряжению. От плюсового напряжения питается управляющее устройство, а от минусового - предлагаемое.
Микросхему HEF4013BP нежелательно заменять аналогами, поскольку её счётные входы оснащены триггерами Шмитта. Тем не менее возможно применение других зарубежных микросхем серии 4013В. В крайнем случае можно использовать и К561ТМ2, но тогда между выводами 3, 11 и выводом 7 следует включить диод Шотки КД923А, КД922А, КД922Б или 1N17-1N19 (анодом к выводу 7), который предотвращает протекание тока через внутренние защитные диоды. Хотя этот ток не превышает допустимого для серии К561 значения 10 мА, он приводит к некорректной работе микросхемы.
Таймеры КР1441ВИ1 можно заменить аналогичными импортными ICM7555IPA, ILC555N, GLC555. Возможно применение и сдвоенных таймеров, таких как GLC556, ICM7556IPD.
Интегральный стабилизатор с выходным напряжением -12 В (DA3 на рис. 1 и DA2 на рис. 3) может быть из серий КР1168ЕН12, КР1199ЕН12 или импортный типа 79L12. Микросхема КР1170ЕН5 (DA1 на рис. 3) заменима аналогом 2931AZ-5.
Транзистор VT1 (см. рис. 2) - любой из серии КТ3107. Симистор МАС97А4 (VS1 на рис. 3) можно заменить на МАС97А6, МАС97А8, а также любым из серии ВТ131. Тринистор VS1 (см. рис. 1) - любой из серий КУ251, MCR100, ВТ149.
Диоды VD1, VD7 на рис .1 и VD3, VD4 на рис.3 - из серий КД105, 2Д212, КД212 (кроме КД212Б и КД212Г), Д237 (кроме Д237В, Д237Г и Д237Л), КД243, 1N4001 - 1 N4007. Диоды КД521А можно заменить другими маломощными кремниевыми. Стабилитрон
КС216Ж (VD6 на рис. 1) можно заменить на 2С216Ж, КС508В, 1 N4703, BZX55-C16. Напряжение стабилизации используемого стабилитрона должно находиться в пределах 15,5... 16,5 В при токе 2 мА.
Конденсаторы ёмкостью 3,3 мкФ с номинальным напряжением 400 В (С2 на рис. 1 и С1 на рис. 3) - импортные с маркировкой "АС", предназначенные для включения в цепь переменного тока.
Литература
1. Володин В. Экономичное управление симистором. - Радио, 2003, № 6, с. 27, 28.
2. Цесарук Н. Импульсный стабилизатор конденсаторного блока питания. - Радио, 1999, № 11, с. 39.
3. Гаврилов К. Применение микросхемы КР1441ВИ1. - Радио, 2011, № 6, с. 34-36.
4. Мороз К. Устранение мигания люминесцентной энергосберегающей лампы. - Радио, 2012, №4, с. 41.
Автор: К. Гаврилов, г. Новосибирск