Одна из причин перерасхода электроэнергии - бесцельное горение светильников в утреннее и дневное время, когда естественного света достаточно. Причина этого в том, что при медленном нарастании освещённости человек не может своевременно определить момент, когда пришла пора выключить искусственный свет. Особенно часто такая ситуация встречается в учреждениях. Авторы предлагают фотореле, выключающее освещение автоматически и лишённое, по их мнению, многих недостатков предыдущих разработок.
Перерасход электроэнергии трудно оценить количественно. Если предположить, что искусственный свет выключают на 30 мин позже момента наступления достаточной естественной освещённости, а система освещения состоит из 20 ламп ЛБ-40, что примерно соответствует обычному рабочему или учебному помещению, то за год будет перерасходовано около 144 кВт ч электроэнергии. На самом деле свет зачастую не выключают до самого вечера, поэтому такую оценку можно считать оптимистичной, перерасход гораздо больше.
Чтобы предотвратить перерасход, обычно применяют автоматические системы управления освещением. Сложные централизованные системы такого рода часто оказываются недоступными из-за их высокой цены и трудоёмкости установки. Те, что включают и выключают освещение в заданное время суток независимо от реальной освещённости, требуют, как правило, систематического обслуживания - корректировки моментов срабатывания. Устройства на базе датчиков присутствия чувствительны к помехам, кроме того, они работают только при условии постоянного перемещения людей по помещению или создания ими достаточно громкого акустического шума. Традиционные фотореле с наступлением сумерек включают освещение повторно, когда в нём в большинстве случаев уже нет необходимости.
Предлагаемое фотореле автоматически выключает электрический свет, когда естественного света стало достаточно, и не включает вечером, даже если выключатель оставлен во включённом состоянии. При всём этом устройство позволяет включить свет вручную, если в этом есть необходимость. Фотореле не требует установки дополнительных органов управления, довольно легко встраивается в существующую электропроводку, может, в принципе, управлять лампами любой мощности. Пороговый уровень освещённости, на которую оно реагирует, регулируют при его установке.

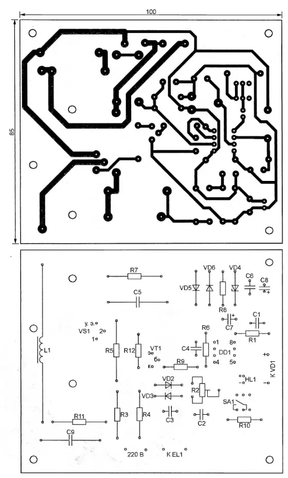
Рис. 1
Схема фотореле показана на рис. 1. Переменное напряжение сети 220 В подают на него через не показанный на схеме имеющийся в электропроводке штатный выключатель освещения. Узел питания выполнен по классической схеме с балластным конденсатором С5. Резистор R5 ограничивает амплитуду импульса тока зарядки конденсатора С5 в момент включения. После выключения сетевого напряжения этот конденсатор разряжается через резистор R7.
На диоде VD6 собран однополупе-риодный выпрямитель, а диод VD5 пропускает. через себя полупериоды обратной для VD6 полярности. Это предотвращает зарядку конденсатора С5 постоянной составляющей выпрямленного тока. После сглаживания пульсаций конденсатором С7 выпрямленное напряжение поступает на стабилизатор индуктивностью 100...200 мкГн, он должен быть рассчитан на суммарный ток ламп, коммутируемых фотореле.
Так как включение и выключение симистора происходят при нулевых значениях напряжения сети, дроссель в большинстве случаев можно заменить перемычкой. Он нужен только в том случае, если поступают жалобы на создаваемые фотореле помехи. При суммарной мощности ламп более 150 Вт следует установить симистор VS1 на тепло-отвод достаточной площади. Светодиод АЛ307БМ можно заменить любым другим, желательно повышенной яркости.

Рис. 2
Применённый авторами фотодиод не имел маркировки. В этом устройстве может работать практически любой из них, требуется лишь подобрать номинал резистора R1. Следует отметить, что правильная работа фотореле во многом зависит от места и способа установки фотодиода. Какие-либо чёткие критерии выбора этого места указать трудно из-за большого разнообразия геометрии помещений, характера их естественного освещения, конфигурации, размещения и мощности искусственных источников света. Поэтому место установки придётся подбирать опытным путём по наиболее уверенному срабатыванию фотореле в нужные моменты времени. Чтобы исключить влияние помех, светодиод следует соединять с платой свитыми вместе проводами минимальной длины. Следует учесть, что он гальванически соединён с сетью.
Программа микроконтроллера фотореле написана на языке PIC Basic Pro. Для загрузки программы в микроконтроллер использовалась компьютерная программа IC-Prog. Поскольку информация о необходимой конфигурации микроконтроллера имеется в НЕХ-файле программы (это одно из отличий микроконтроллеров РІС от AVR), программатор устанавливает её автоматически.
Фотореле, собранное из исправных деталей, как правило, начинает работать сразу после включения. Для того чтобы установить порог освещённости, выше которого электрическое освещение должно быть выключено, необходимо добиться, чтобы освещённость в помещении стала равной этому значению (например, дождаться соответствующего времени суток). Замкнув контакты выключателя SA1, следует установить движок подстроечного резистора R2 в положение, максимально близкое к тому, при переходе через которое включается и выключается светодиод HL1.
Если при эксплуатации устройства потребуется включить освещение, которое выключило фотореле, достаточно кратковременно разомкнуть и тут же замкнуть выключатель, имеющийся в цепи его сетевого питания.
Программу микроконтроллера можно скачать здесь.
Литература
1. Айзенберг Ю. Б. (ред.) Энергосбережение в освещении. - М.: Знак, 1999.
2. Вернер В. Интеллектуальная система управления внутренним освещением. - Светотехника, 1993, № 4, с. 15-19.
Автор: Б. Поезжалов, г. Костанай, Казахстан; Ю. МАРТЫНЮК, с. Затобольск, Казахстан