При электромонтажных работах зачастую требуется индикатор фазы. Ранее в таких устройствах применялись газоразрядные индикаторные лампы, сегодня вместо них можно использовать светодиоды повышенной яркости свечения, которые заметно светятся при токе в несколько десятков микроампер. Обеспечить гальваническую развязку может ёмкостная связь индикатора с рукой пользователя.

Рис. 1
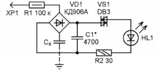
Схема предлагаемого индикатора фазы показана на рис. 1. Фазное напряжение
поступает на диодный мост VD1 через токоограничивающий резистор R1 и конструктивный конденсатор CR. Выпрямленное напряжение подаётся на светодиод HL1, и он светится, показывая тем самым, что проверяемый провод действительно фазный. Индикатор смонтирован в пластмассовом корпусе авторучки подходящего размера. Конденсатор Ск образован свёрнутым в цилиндр и приклеенным к внутренней поверхности корпуса куском алюминиевой фольги и рукой пользователя. Диэлектрической прокладкой конденсатора служит стенка корпуса.

Рис. 2
Вариант конструкции индикатора показан на рис. 2. В наконечник 2 корпуса авторучки вставляют штырь (щуп) 1 - металлический стержень диаметром 1,5...2 и длиной 20...25 мм, к которому припаян токоограничиваю-щий резистор 4 (R1). Стержень закрепляют в наконечнике эпоксидным клеем 3. Взамен кнопки (или внутри неё) в колпачке корпуса 8 устанавливают све-тодиод 9, к выводам которого припаян диодный мост 7.
Один из свободных выводов диодного моста соединяют тонким изолироно в три раза больше внутреннего диаметра корпуса 5, а длина - на 10.15 мм короче длины его внутренней цилиндрической части. Для обеспечения надёжного контакта конец провода зачищают на длине 30.40 мм, несколько раз обёртывают краем фольги и плотно зажимают плоскогубцами. Затем фольгу сворачивают в цилиндр и приклеивают к внутренней поверхности корпуса.
При подборе корпуса следует выбрать тот, у которого диаметр больше, а стенки тоньше - это обеспечит большую ёмкость конструктивного конденсатора. Для увеличения его ёмкости корпус индикатора следует держать в руке возможно плотнее, от этого будет зависеть яркость свечения светодиода.

Рис. 3
Ток, протекающий через конденсатор Ск в этой конструкции, очень мал (всего несколько микроампер), поэтому далеко не всякий светодиод будет заметно светиться. Чтобы сделать индикацию более заметной без увеличения тока через устройство, в него можно ввести релаксационный генератор на основе симметричного динисто-ра DB3 или аналогичного (рис. 3). В этом случае при касании фазного провода щупом сначала заряжается конденсатор С1, а когда напряжение на нём достигает примерно 35 В, динистор открывается и через светодиод протекает импульс тока, вызывая вспышку света, которая хорошо заметна. Частота вспышек зависит от ёмкости конденсаторов Ск и С1: с увеличением ёмкости первого из них она увеличивается, а второго - снижается. Детали генератора монтируют непосредственно на выводах диодного моста.

Рис. 4
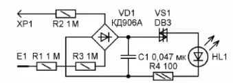
Дальнейшее увеличение яркости светового сигнала возможно за счёт увеличения тока через светодиод. Для этого конденсатор Ск заменяют резисторами R1, R3 (рис. 4) и устанавливают на внешней поверхности корпуса индикатора электрически соединённый с первым из них контакт E1 (желательно из металла с нержавеющим покрытием). Фольга в этом случае не понадобится, релаксационный генератор на динисторе VS1 можно оставить или исключить (т. е. подключить светодиод непосредственно к выводам диодного моста). Внешний вид индикатора показан на рис. 5.

Рис. 5
В устройстве применены резисторы МЛТ, С2-23, конденсаторы - керамические К10-17в. Симметричный динис-тор DB3 можно найти в вышедшей из строя компактной люминесцентной лампе (КЛЛ), из неё же можно извлечь диоды 1N4007 для сборки выпрямительного моста взамен указанного на схеме. Светодиод - любой повышенной яркости свечения в корпусе диаметром 3.5 мм. Его следует подобрать по яркости свечения при малом токе. Для этого имеющиеся светодио-ды поочерёдно подключают к источнику питания напряжением 12 В через резистор сопротивлением 100 кОм и выбирают экземпляр с максимальной яркостью.
Автор: И. Александров, г. Москва