Сегодня, наверное, уже нет радиолюбителя, не знающего, хотя бы в общих чертах, что такое SDR (Software-Defined Radio). На эту тему написано уже много, и в рамках этой статьи нет необходимости подробно рассказывать, что это такое и как это работает. Будем считать, что некоторое представление и некоторый опыт в данной области у читателя имеются.
Такая сравнительно новая технология обработки сигнала всё сильнее проникает в нашу радиолюбительскую жизнь, и в эфире уже работают много радиостанций с использованием SDR-тран-сиверов. Некоторые радиолюбители слушают эфир и визуально наблюдают обстановку на SDR-приёмниках, но свой сигнал передают в эфир по-прежнему с помощью обычного "классического" трансивера. Ведь помимо отличного качества приёма сигнала радиолюбителей в технике SDR привлекает наличие красивой и информативной панорамы эфира на экране компьютера. А вот работа на передачу с обычного трансивера предполагает и свои преимущества. Например, большинство импортных трансиверов, как правило, имеют на выходе "стандартные" 100 Вт, а многие модели ещё и встроенный автоматический тюнер. Большинство же предлагаемых для покупки или повторения SDR-трансиверов обеспечивают небольшую выходную мощность передатчика (не более 20 Вт) и не имеют встроенного антенного тюнера. Следовательно, в дальнейшем придётся позаботиться ещё и о дополнительном линейном усилителе мощности, и о выходных ФНЧ. В целом SDR-транси-вер может обойтись совсем не дёшево.
Для многих любителей существует ещё и некоторый психологический барьер - виртуальный. Трансивер на экране компьютера не всех устраивает, и человек предпочитает иметь на столе не невзрачную коробку с парой свето-диодов и разъёмов, а реальный трансивер с красивыми кнопками и ручками, которые можно потрогать и покрутить. Иметь и то и другое также могут далеко не все желающие, и при выборе большинство предпочитают всё-таки "классику". Так что же делать в случае, если имеется неплохой обычный трансивер, денег на приобретение отдельного SDR-трансивера нет, а пользоваться "благами" SDR и модно, и хочется?
Существуют два основных пути со своими достоинствами и недостатками. Рассмотрим их отдельно.
Путь первый - приобрести или изготовить отдельный полноценный SDR-приёмник, а на передачу работать по старинке, с обычного трансивера. В этом случае необходимо позаботиться как минимум о двух вещах - коммутации антенны, которая должна подключаться к SDR-приёмнику в режиме приёма и к выходу трансивера при передаче, и о синхронизации частоты настройки и режимов работы трансивера и отдельного SDR-приёмника. Если вмешательство в трансивер не планируется и не приемлемо для его владельца, то это очень удобный вариант реализации SDR-приёма. Правда, не самый дешёвый и простой.
Как удачный пример, можно привести приёмник "Hanter" (цена около 200 долл. США), имеющий встроенный блок коммутации антенны. Схема этого приёмника доступна на сайте производителя [1]. Там можно почерпнуть для себя многие интересные схемотехнические решения (блок коммутации в частности) в случае, если вы имеете желание сделать подобную систему SDR-приёма самостоятельно.
Что касается синхронизации настройки SDR-приёмника и трансивера, то не всё так просто при самостоятельном изготовлении. Приёмник должен уметь обмениваться информацией о частоте и режимах работы с SDR-про-граммой, которая, в свою очередь, также должна уметь общаться с другими программами. И выбор тут, в принципе, невелик. В основном для управления приёмником все используют USB-интерфейс компьютера и пользуются синтезатором частоты на основе микросхемы Si570 (по причине доступности программного обеспечения для микроконтроллера управления синтезатором и приёмником). Этот синтезатор применяется во многих SDR-приёмниках и трансиверах серии "SoftRock", а также его можно приобрести как отдельное от приёмника устройство [2].
Информации по изготовлению, а также о возможностях приобретения различных SDR-наборов в Интернете очень много, и при желании не составит никакого труда найти её в любой поисковой системе. Достаточно ввести ключевые слова "sdr softrock" или подобные. Для примера, можно начать обзор с очень информативного и интересного сайта RV3APM [3]. Как раз на одной из страниц этого сайта [4] вкратце рассказывается о синхронизации отдельного приёмника и трансивера.
Второй путь реализации SDR-при-ёма - подключение простейшего SDR-приёмника (панорамной приставки) на одну фиксированную частоту к тракту ПЧ трансивера. Этот способ подробно описан на сайте WU2X - автора специальной программы POWERSDR/IF STAGE [5]. В качестве примера там же приводится описание подключения такого SDR-приёмника к выходу ПЧ трансивера TS-940S.
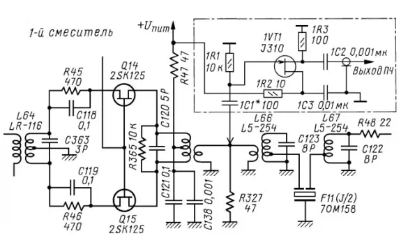
Единственный недостаток такой схемы подключения в том, что не каждый трансивер имеет буферизированный выход ПЧ, да ещё и широкополосный, т. е. отведённый от тракта приёма до фильтра основной селекции. И если такого выхода ПЧ нет, его придётся делать самому или же отказаться от этого способа и вернуться к первому - отдельному приёмнику. Если же вы достаточно квалифицированный радиолюбитель, то без труда сможете найти на схеме своего трансивера первый смеситель приёмника и подключить к нему буферный каскад, с выхода которого можно вывести сигнал ПЧ приёмника на заднюю панель трансивера. Для примера, на рис. 1 приведён фрагмент схемы трансивера IC-735 с встроенным буферным усилителем.

Рис. 1
Итак, предположим, что выход ПЧ у нас есть. Теперь необходимо выбрать приёмник. На этом этапе также произойдёт некоторое разделение вариантов, в зависимости от частоты ПЧ трансивера.
Если частота ПЧ "низкая" - меньше 40 МГц, да ещё и "круглая", например, 9 МГц, то вам повезло. Самый простой вариант - купить, например, здесь [6], недорогой (21 долл. США) набор одно-диапазонного SDR-приёмника "Softrock 6.2" или подобный, рассчитанный на приём диапазона 40 или 30 метров, и кварцевый резонатор на 12 МГц. Схема гетеродина приёмника позволяет возбудить этот резонатор на третьей гармонике, т. е. на частоте 36 МГц. Атак как сигнал гетеродина в приёмнике делится на четыре перед подачей на смеситель, то получим частоту SDR-приёма около 9 МГц. Это самый дешёвый и, можно сказать, идеальный вариант.
Но можно собрать подобный приёмник с фиксированной ПЧ и самостоятельно. В сети Интернет предложено немало вариантов простых приёмников на различных комплектующих. И здесь нельзя не упомянуть известного и уважаемого радиолюбителя Таsа (YU1LM), который разработал и опубликовал множество разновидностей SDR-при-ёмников и трансиверов. Очень полезно посетить его сайт [7], где можно найти схемы и подробные описания работы его конструкций, рисунки печатных плат (правда, всё это на английском языке).
Всё хорошо и понятно, если есть в наличии кварцевый резонатор на необходимую частоту. А если его нет? Что делать? Выбор невелик. Или отказаться от этой затеи, или сделать синтезатор частоты, о котором пойдёт речь чуть ниже.
Теперь рассмотрим самый сложный (и, к сожалению, самый распространённый) вариант - трансивер с "высокой" ПЧ и, соответственно, преобразованием "вверх". По этой структуре выполнено подавляющее большинство фирменных трансиверов, но далеко не все цифровые микросхемы, обычно применяемые в SDR-приёмниках, способны работать на частотах порядка 80 МГц. Также необходимо иметь кварцевый резонатор на нужную частоту. Есть и другие сложности.
В этом случае авторы некоторых конструкций применяют двойное преобразование частоты. Сигнал первой ПЧ трансивера (45...80 МГц в большинстве случаев) переносится на вторую ПЧ, на частоту, на которой способен работать SDR-приёмник. Это не самый лучший путь, так как двойное преобразование снижает достижимые динамические параметры приёмника и может создать дополнительные внутренние помехи приёму при неудачном выборе частот преобразования.
К динамическому диапазону панорамной приставки нужно относиться серьёзно, даже если вы продолжаете вести приём на трансивере, а на панораму просто смотрите. Любые перегрузки, как первого смесителя трансивера, так и смесителя SDR-приёмника, а также входа звуковой карты компьютера, приведут к появлению на картине панорамы ложных, несуществующих реально сигналов. Любые продукты ограничения по амплитуде и интермодуляционные составляющие будут прекрасно видны на панораме.
Поэтому нужно хорошо согласовывать весь тракт SDR-приёма по уровням сигналов. Не допускать перегрузок. Простой критерий - на самом "тихом" диапазоне шумовая дорожка панорамы должна лишь немного приподниматься вверх при подключении антенны к трансиверу, т. е. необходим небольшой запас по чувствительности, но не более. Не следует допускать ситуаций, когда шум эфира при подключении антенны поднимает шумовую дорожку панорамы на полэкрана, т. е. на десятки децибелл. Вы просто потеряете сигнал в шумах, ограничив при этом динамический диапазон всей системы. Пользуйтесь аттенюаторами трансивера или отдельным аттенюатором на входе панорамной приставки.
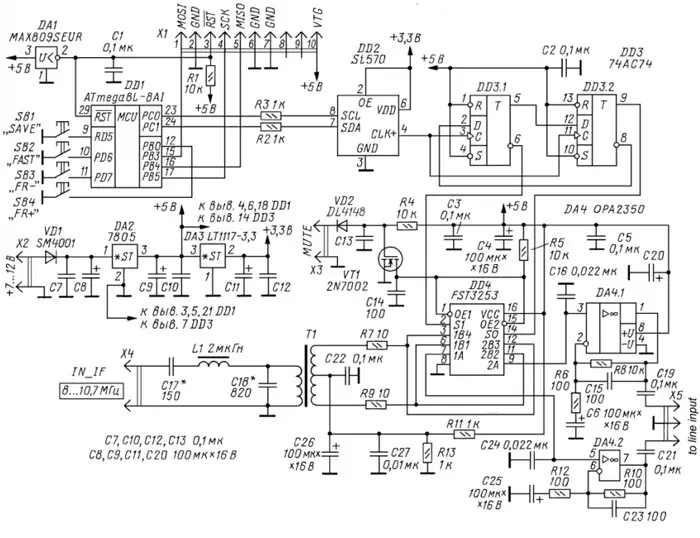
Также не пренебрегайте хорошим полосовым фильтром на частоту принимаемой ПЧ на входе вашего SDR-при-ёмника. На выходе первого смесителя трансивера присутствует широкий спектр всевозможных комбинационных частот, а SDR-приёмник имеет и побочные каналы приёма (на гармониках гетеродина, например), и возможна ситуация появления помех приёму по этой причине. И если в обычном трансивере мы слышим помехи, только когда они попадают в полосу пропускания фильтра основной селекции, то при SDR-приёме мы видим на панораме всё. Это общие рекомендации. Далее перейдём к рассмотрению предлагаемой для повторения панорамной приставки, схема которой показана на рис. 2.

Рис. 2
Устройство представляет собой приёмник прямого преобразования на фиксированную частоту и очень близко по схемотехническим решениям ^'SoftRock 6.2". Этот вариант имеет отличные динамические параметры и очень хорошее соотношение простота/цена/качество.
Основное отличие от оригинального "SoftRock" - это применение вместо кварцевого генератора синтезатора частоты на микросхеме Si570 CAC000141G (DD2). Такое решение позволяет настроить панорамную приставку на частоту приёма сигнала первой ПЧ любого трансивера, и необходимость в поиске нужного кварцевого резонатора отпадает. Это не дешёвое решение (микросхема Si570 стоит примерно 30...40 долл. США), но наиболее качественное и простое схемотехнически. С таким синтезатором можно принимать сигналы от 1 до 80 МГц и даже выше. Микросхема Si570 (КМОП версии) способна генерировать сигнал с максимальной частотой до 160 МГц, но максимальная частота приёма будет ограничена быстродействием применённых в смесителе аналоговых ключей - микросхемы FST3253 (DD4). Реально проверена работа приставки на частоте ПЧ трансивера ICOM - 70,4515 МГц.
Схему приёмника можно выбрать в одном из двух вариантов. Приёмная часть и синтезатор одинаковы для обеих версий панорамной приставки, отличие только в фазовращателях. Какой вариант выбрать - решать вам. Печатная плата также разработана для двух вариантов.
Первый вариант - с применением фазовращателя на делителе на четыре, т. е. самый распространённый, обеспечивающий в нашем случае максимальную частоту приёма 40 МГц (160 МГц/4) и не требующий настройки фазовращателя. Этот вариант удобен для трансиверов с низкой ПЧ.

Рис. 3
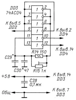
Второй вариант - применение в качестве фазовращателя интегрирующей RC-цепи, задерживающей сигнал одного из каналов фазовращателя относительно другого канала на 90о по фазе (рис. 3). Этот вариант требует подбора ёмкости конденсаторов фазовращателя и точной настройки подстроечным резистором.
Такой фазовращатель вместо делителя частоты на четыре позволяет сформировать два сигнала непосредственно на рабочей частоте синтезатора, без её деления. В случае с синтезатором на Si570 возможно получение выходной частоты фазовращателя вплоть до 160 МГц. Эта максимальная частота будет определяться быстродействием применённых инверторов и влиянием на высоких частотах ёмкости монтажа.
Аналогичный вариант применён в приёмнике YU1LM "Monoband SDR HF receiver DR2C". На его сайте можно найти полную схему приёмника с подробным описанием работы этого фазовращателя. Также на схеме YU1LM приведены ориентировочные значения ёмкости конденсатора фазовращателя, в зависимости от принимаемой частоты (частоты первой ПЧ вашего трансивера).
Входной полосовой фильтр 2-го порядка - C17L1C18 - достаточно широкополосный. На схеме указаны номиналы для частоты ПЧ в полосе 8.10,7 МГц. Для другого значения ПЧ необходимо пересчитать номиналы элементов фильтра. Это очень просто и удобно делать с помощью программы RFSim99 [8].
Для управления синтезатором частоты Si570 применён популярный и дешёвый микроконтроллер Atmega8 (DD1) с записанными в его EEPROM-па-мять кодами программы из файла SOFT_UNIPAN.hex.
Катушка L1 содержит 24 витка, намотанных проводом ПЭВ-2 0,35 на кольцевом магнитопроводе Т30-6 фирмы Amidon. Трансформатор T1 смесителя намотан на аналогичном магнитопроводе и таким же проводом. Число витков первичной обмотки - 9, вторичной - 2x3.
Микросхему 0PA2350 (DA4) можно заменить другим малошумящим сдвоенным ОУ. Усиление корректируют подбором резисторов R8 и R10.

Рис. 4
Всё устройство собрано на печатной плате размерами 60x65 мм (рис. 4) из двустороннего фольгированного стеклотекстолита, а на рис. 5 показано расположение на ней деталей (всё для варианта приёмника с делителем на четыре). Практически все резисторы и конденсаторы типоразмера 0805.

Рис. 5
Для программирования контроллера удобно использовать программатор USBasp. Он относительно недорог и удобен тем, что используется USB подключение к компьютеру. Информации по этим программаторам и программам для него в Интернете множество. К панорамной приставке программатор подключают стандартным (идущим в комплекте с большинством продаваемых программаторов) ISP-кабелем для программирования.

Рис. 6
Конфигурацию микроконтроллера задают в соответствии с рис. 6 в окне программы, обслуживающей программатор, т. е. программируют только разряды конфигурации, необходимые для работы с внутренним генератором 8 МГц (CKSEL=0100 и SUT=10). Также нужно установить разряды EESAVE=0, BODEN=0, BODLEVEL=1 (2,7 В).
Управление синтезатором предельно простое. После записи программы, по умолчанию, устанавливается частота генерации 35,32 МГц, что в случае применения делителя на четыре даёт частоту 8,83 МГц, соответствующую частоте ПЧ трансивера TS-940S.
Частоту генерации можно изменять в широких пределах кнопками "FR-" (SB3) и "FR+" (SB4). Скорость перестройки увеличивают, нажав и удерживая кнопку "FAST" (SB2). Установив нужную частоту, следует нажать на кнопку "SAVE" (SB1), и новое значение запишется в энергонезависимую память микроконтроллера - EEPROM. Эта частота будет устанавливаться при каждом включении панорамной приставки. Частоту генерации синтезатора можно контролировать измерительными приборами или прослушивать на трансивере или другом приёмнике.
Разъём Х3 "MUTЕ" может быть полезен для блокировки SDR-приёма в момент передачи, для чего следует замкнуть контакты этого разъёма. Микросхема DA1 - детектор понижения напряжения (супервизор). При его отсутствии бывали случаи потери данных в энергонезависимой памяти в других конструкциях.
Приёмник практически не нуждается в настройке и при правильном монтаже начинает работать сразу.

Рис. 7
На фотографии рис. 7 представлен вид готовой панорамной приставки. Она несколько отличается от предлагаемых вариантов, так как на ней отрабатывались и ис-пытывались оба варианта - с делителем на четыре и RC-фа-зовращателем. Малые габариты во многих случаях позволяют разместить эту приставку непосредственно внутри трансивера, а уже с трансивера выводить готовый I/Q сигнал для подключения к линейному входу звуковой карты компьютера. Ну а далее на компьютере нужно установить программу POWERSDR IF STAGE и внимательно изучить всю информацию на сайте WU2X [5].
В заключение хотелось бы отметить некоторые преимущества использования панорамной приставки перед применением отдельного SDR-приём-ника. Это и относительная простота, и дешевизна самой приставки, и простота подключения к трансиверу. Если нет необходимости управления трансивером со стороны SDR-программы, т. е. вас устраивает управление и перестройка частоты трансивером, то можно применять для просмотра панорамы и SDR-приёма практически любую SDR-программу (нет необходимости в синхронизации частот отдельного приёмника и трансивера). Недостаток - нужен выход ПЧ в трансивере.
В настоящее время панорамная приставка эксплуатируется с трансивером Kenwood TS-940S.
Программу микроконтроллера и чертежи второго варианта печатной платы приёмника можно скачать здесь.
Литература
1. Hunter - SDR Receiver/Panadapter. - http://www.radio-kits.co.uk/hunter/.
2. QRP2000 USB-Controlled Synthesizer. - http://www.sdr-kits.net/QRP2000_ Description.html.
3. SDR-SOFTWARE DEFINE RADIO - программа определяет функции радио. - http://www.rv3apm.com/rxdx.html.
4. Как использовать SDR-панораму с любым трансивером-приёмником. - http://www.rv3apm.com/sdrtrx.html.
5. POWERSDR/IF STAGE. - http://www. wu2x.com/sdr.html.
6. Five Dash Inc/Your Source for SoftRock. - http://fivedash.com/.
7. Amateur Radio Site Devoted to Homebrew, QRP and Low Power Contesting. - http://yu1lm.qrpradio.com/.
8. RFSim99 на русском. - http://dl2kq.de/soft/6-1.
Автор: Сергей Столяров , г. Хайфа, Израиль