радиовещательные станции УКВ - одни из основных источников деловой, музыкальной, развлекательной и другой информации. Число радиостанций постоянно растёт, в Москве, например, их несколько десятков. Качество сигнала, передаваемого в этом диапазоне, сравнимо с качеством звука CD-проигрывателя. Появление специализированных синтезаторов частоты существенно упростило проектирование и изготовление цифровых тюнеров. Микроконтроллерное управление позволяет существенно расширить потребительские качества тюнера при сравнительно небольших аппаратных затратах. Изменение функций сводится к написанию соответствующей управляющей программы для микроконтроллера.
При разработке устройств был применён блочный принцип проектирования, позволяющий изготавливать и налаживать отдельные узлы независимо друг от друга. Наличие разъёмов даёт возможность комбинировать различные узлы в единую систему с желаемыми параметрами и существенно облегчает отладку конечного устройства. В состав тюнера входят блок управления, радиоприёмная часть и тембро-блок. Рассмотрим работу каждого блока более подробно.

Рис. 1
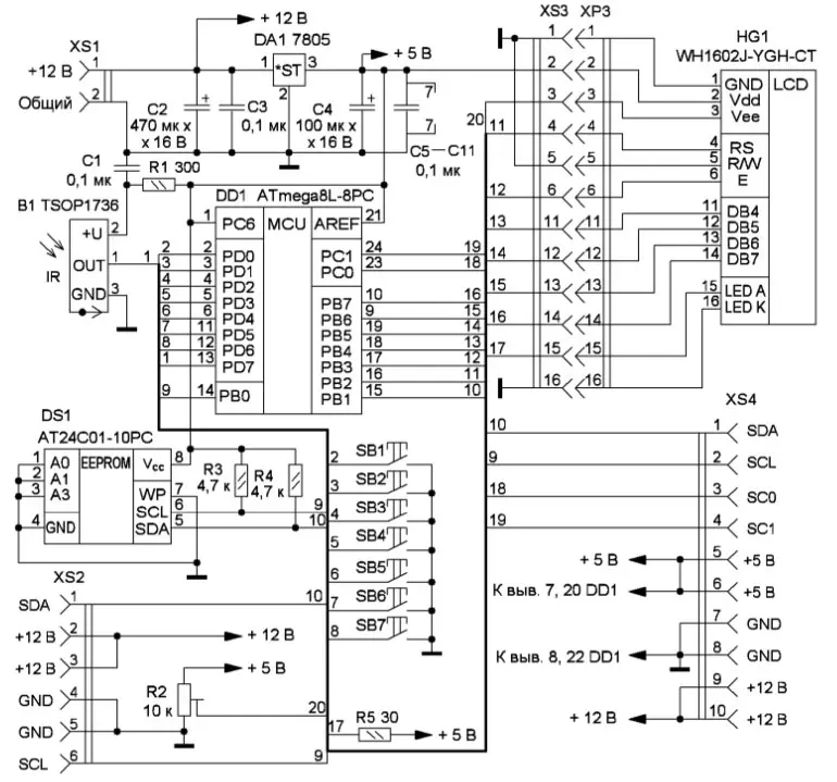
Схема блока управления показана на рис. 1. Его основа - микроконтроллер DD2, благодаря его применению реализована возможность управления по шине I2C четырьмя устройствами одновременно. Режимы работы отображаются на двустрочном буквенно-цифровом ЖКИ HG1. Возможно кнопочное и дистанционное управление по ИК каналу с использованием пульта стандарта RC5, а также по последовательному асинхроннному интерфейсу.
Все линии порта D выделены для управления тюнером. Линии PD0-PD6 подключены к кнопкам SB1 - SB7, а PD7 - к выходу ИК приёмника для дистанционного управления тюнером. Программно все линии этого порта настроены на вход, кроме того, внутренние резисторы микроконтроллера подключены к линиям PD0-PD6. Управление ЖКИ осуществляют по линиям РВ2-РВ7. Для экономии ресурсов микроконтроллера применена четырёхразрядная схема управления индикатором, что позволило использовать оставшиеся разряды порта для других целей. Линии РВ0 и РВ1 управляют шиной I2C, с помощью которой реализовано управление синтезатором частоты, тем-броблоком и микросхемой DS1 - энергонезависимой памятью, в которой хранятся настройки тюнера. Выбор режима управления - кратковременное нажатие на кнопку SB3. Кнопкой SB1 уменьшают, а SB2 увеличивают значение регулируемого параметра, например громкости.

Рис. 2
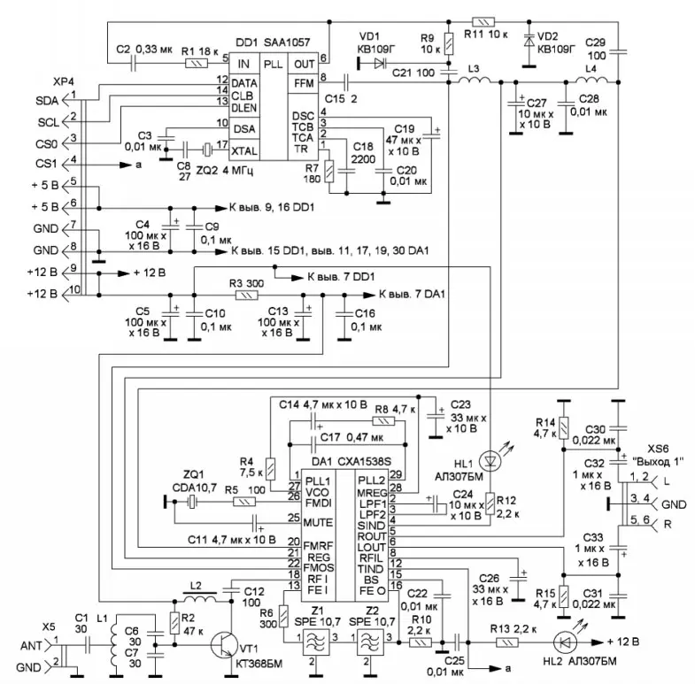
Схема радиоприёмной части показана на рис. 2. Она собрана на микросхеме синтезатора частоты DD1 и микросхеме УКВ ЧМ приёмника DA1. Обе микросхемы включены по типовым схемам. Микросхема SAA1057 - один из первых цифровых синтезаторов, разработанный фирмой Philips для бытовой радиоприёмной аппаратуры. Его отличительная особенность - управление по трёхпроводной шине. Это один из ранних вариантов шины I2C. Поэтому для управления синтезатором пришлось задействовать дополнительный сигнал CS0, который формируется на линии РС0 микроконтроллера в блоке управления. В состав синтезатора входят программируемый счётчик (преска-лер), элементы системы ФАПЧ и генератор с внешним кварцевым резонатором, точность установки и стабильность частоты которого определяют точность и стабильность частоты синтезатора. Приёмник собран по схеме супергетеродина и работает при частоте гетеродина ниже частоты сигнала. Программируют синтезатор двумя 16-разрядными словами. Первое содержит данные о частоте настройки, второе - служебную информацию. Передача информации ничем не отличается от типового протокола I2C, за исключением наличия дополнительного сигнала CS0 (DLEN).
Все режимы работы и установки тюнера сохраняются в микросхеме DS1 (см. рис. 1) с тем же последовательным интерфейсом I2C. Запись значений параметров происходит автоматически при любом обращении к меню (так же, как это сделано в телевизорах и музыкальных центрах). При первоначальном включении микроконтроллер считывает содержимое памяти. По умолчанию выбирается первый канал. При отсутствии данных, соответствующих параметрам подключённого темброблока, автоматически устанавливаются усреднённые значения всех основных параметров: громкости, тембра, баланса. В режиме приёмника кнопками SB4 и SB6 переключают ячейки памяти (на 100 станций). Если нажать на кнопку SB5, включается режим настройки по частоте (она отображается на индикаторе), и кнопками SB4, SB6 производят перестройку от 88 до 108 МГц и обратно. При повторном нажатии на кнопку SB5 выбранная частота заносится в память для текущей станции. В каждой ячейке памяти по умолчанию заложена частота 88 МГц. В режиме настройки на станции доступна только регулировка громкости.

Рис. 3
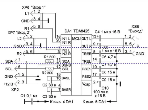
Темброблок (рис. 3) собран на микросхеме TDA8425 (DA1), включённой по типовой схеме. В него входят коммутатор двух стереовходов и регуляторы громкости, баланса, тембра НЧ и ВЧ. Всё управление программное, по шине I2C. Основные функции темброблока:
- возможность выбора для каждого канала в качестве источника сигнала одного из двух входов;
- режимы псевдостерео, пространственного стерео, линейного стерео и принудительного моно;
- регулировка громкости в каждом канале и баланса;
- регулировка тембра;
- режим отключения звука (MUTE) и его включения (для этого использована кнопка SB7).
Управление микросхемой по шине I2C заключается в записи в её внутренние регистры определённой информации. Формат управляющего слова имеет вид
S_SLAVE ADDRESS_A_SUBADDRESS_ A_DATA_A_P, где S - стартовая комбинация, SLAVE ADDRESS - адрес (код) устройства (для процессора TDA8425 - 1000010);
А - разделитель полей управляющего слова (высокий уровень, выдаваемый устройством как ответ на правильно принятый байт данных); SUBADDRESS - адрес регистра управления параметром; DATA - данные установки значения параметра;
Р - стоповая комбинация, сигнализирующая об окончании передачи управляющего слова.
Управляющее слово передаётся блоком управления каждый раз, когда необходимо изменить тот или иной параметр. Но сначала нужно адресовать саму микросхему. Для этого в микропроцессор отправляется первый байт с адресом устройства.
Для дистанционного управления тюнером можно применить любой телевизионный пульт с протоколом RC5 (Philips, LG и др., работающие по этому протоколу). В пульте задействованы всего пять кнопок: TV, MUTE, SLEEP, VOL, CH. Назначение кнопок следующее:
MUTE - выключение звука (соответствует кнопке SB7);
SLEEP - выбор режима (соответствует кнопке SB3);
VOL - регулировка параметра "больше-меньше" (соответствует кнопкам SB1 и SB2);
CH - выбор станции (соответствует кнопкам SB4 и SB6).

Рис. 4
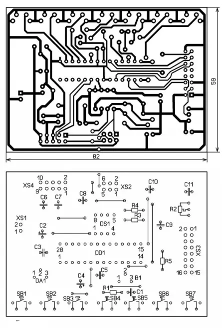
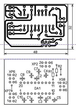
Элементы блока управления монтируют на печатной плате из фольгиро-ванного с одной стороны стеклотекстолита толщиной 1,5...2 мм, чертёж которой показан на рис. 4. Темброблок собран на односторонней плате толщиной 1.1,5 мм, чертёж которой показан на рис. 5. Для радиоприёмной части применена печатная плата (рис. 6) из стеклотекстолита толщиной 2 мм, фоль-гированного с двух сторон. Все детали монтируют с одной стороны, а вторая оставлена металлизированной и использована в качестве общего провода. Часть выводов деталей припаивают непосредственно к печатным проводникам. Выводы, которые установлены в отверстия, пропаивают с двух сторон.

Рис. 5

Рис. 6
Применены постоянные резисторы МЛТ, С2-23, подстроечный - СП5-2, оксидные конденсаторы - импортные, остальные - К10-17. Микросхемы установлены в панели. Кварцевый резонатор - любой подходящий, например, HC-49U или HC-49S, L2 - дроссель серии ЕС24 индуктивностью 10.100 мкГн, остальные катушки намотаны проводом ПЭВ-2 0,5 мм на оправке диаметром 2,5 мм и содержат L1 - 12 (с отводом посередине), L3 - 12, L4 - 10 витков. Разъёмы - серий pLd двухрядные с шагом 2,54 мм. Для соединения узлов применены многопроводные плоские кабели. Блок питания должен обеспечивать стабилизированное напряжение 12 В при токе до 100 мА. При использовании мощного оконечного УЗЧ максимальный ток источника питания следует увеличить в соответствии с потребляемым УЗЧ током. Можно порекомендовать УЗЧ на микросхеме TDA1552, она отличается простотой применения при минимуме внешних навесных элементов и необходимыми встроенными функциями защиты от перенапряжения и КЗ. Кнопки - с самовозвратом угловые серии TC-02xx. Конфигурация микроконтроллера при его программировании показана на рис. 7.

Рис. 7
Для настройки приёмной части необходимо сначала "запустить" её без синтезатора. Для этого микросхему SAA1057 вынимают из панели (или временно не монтируют на плату). На точку соединения резисторов R9 и R11 подают постоянное напряжение в интервале 0.12 В. Для этого можно применить переменный резистор, подключив его к общему проводу и линии питания 12 В, а средний вывод - к резисторам R9, R11. Желательно временно установить между средним выводом резистора и общим проводом конденсатор ёмкостью несколько микрофарад. Приёмник должен настраиваться на станции во всём диапазоне. При необходимости изменением индуктивности катушки L3 (сдвигая и раздвигая витки) устанавливают нижнюю границу диапазона, а катушкой L4 - чувствительность приёмника.
Программу для микроконтроллера можно скачать здесь.
Автор: С. Баширов, г. Москва